EasyManua.ls Logo

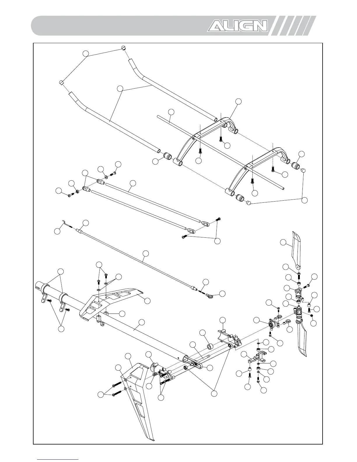
Align T-REX 450SA ARF - Tail Boom, Tail Rotor And Landing Gear Assemblies Exploded View

Align T-REX 450SA ARF
72 pages
Print Icon
To Next Page IconTo Next Page
To Next Page IconTo Next Page
To Previous Page IconTo Previous Page
To Previous Page IconTo Previous Page
Loading...
63
89
92
88
87
90
91
90
90
90
91
89
1 0 3
1 0 3
1 0 2
96
97
98
1 3 4
1 3 7
1 3 3
1 3 5
1 3 6
1 0 4
95
1 2 9
94
1 0 1
1 0 0
1 3 8
99
1 0 5
11 5
1 0 7
93
1 0 8
11 8
1 0 9
1 0 6
11 3
11 2
111
11 6
11 0
11 7
11 0
11 6
1 3 1
1 3 2
1 3 1
1 3 0
11 9
1 2 0
1 2 3
1 2 2
1 2 5
1 2 1
1 2 7
1 2 4
1 2 6
1 2 8
11 4
1 2 9
1 0 2
1 3 8
Tail Boom, Tail Rotor and Landing
Gear Assemblies Exploded View

Table of Contents

Related product manuals