EasyManua.ls Logo

ALLEN & HEATH GL3800 - Page 12

ALLEN & HEATH GL3800
74 pages
Print Icon
To Next Page IconTo Next Page
To Next Page IconTo Next Page
To Previous Page IconTo Previous Page
To Previous Page IconTo Previous Page
Loading...
Kernick Industrial Estate,
Penryn, Cornwall,
England. TR10 9LU
+44 (0)8707 556250
+44 (0)8707 556251
1
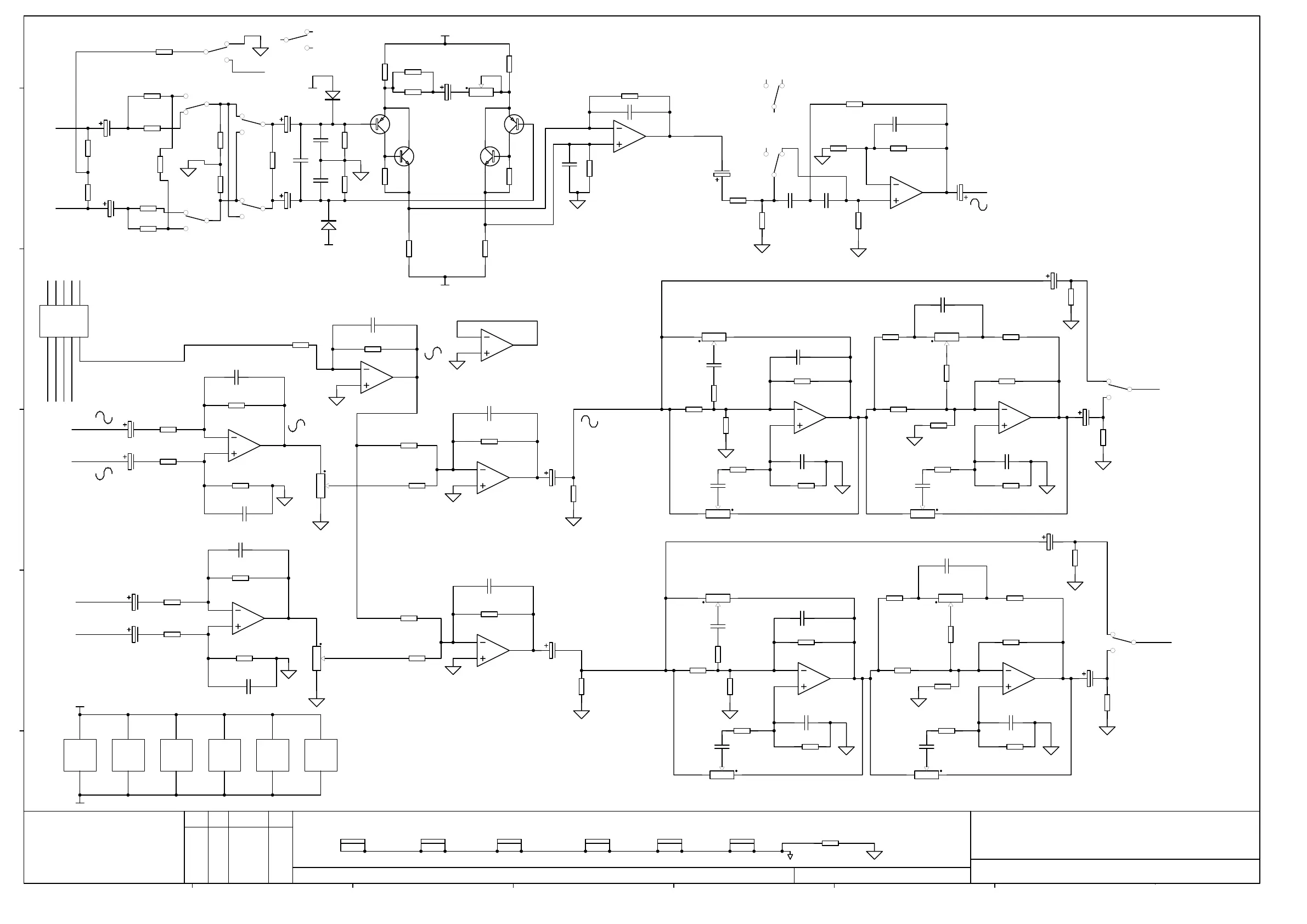
GL2800 STEREO INPUT
C5863 1 3
PAGE:
TITLE:
DRG No: ISSUE: SHEET: OF
ISSUE BY DATE
FILE: C5863_1P1.Sch 11:06:07 29-Apr-2005
ALLEN&HEATH
Tel:
Fax:
PRINTED:
ABCDEFGH
a
b
c
d
e
CHK
BY
1
1
2
2
3
3
4
4
5
5
6
6
7
7
8
8
9
9
10
10
CN1
BOX 5X2 M 90 DEG
TO CONNECTOR PCB
MIC-MIC+
MIC_OUT+
2
1
3
SW3A
SW2PCOL (SPUN)
5
4
6
SW3B
SW2PCOL (SPUN)
C3
47/25
C4
47/25
R4
8K2 1% 0805
R3 8K2 1% 0805
R22
47K 0805
R23
47K 0805
+48V
5
4
6
SW1B
SW2PCOL (SPUN)
R21
470R 0805
R16
22R 1206
R1522R 1206
5
4
6
SW2B
SW2PCOL (SPUN)
2
1
3
SW2A
SW2PCOL (SPUN)
R24
47K 0805
R25
47K 0805
-VA
-VA
D1
LL4148
D2
LL4148
C29
330P/DISK
C30
330P/DISK
C26
1N/MYL
R42
4K7 1% 0805
R17
3K3 1% 0805
MIC_OUT+
R81
10K 1% 0805
R82
10K 1% 0805
5
6
7
U4B
TL072D SMD
R83
10K 1% 0805
R86
10K 1% 0805
C36
33P 0805
C38
33P 0805
C7
47/25
C8
47/25
1 6
4
VR2A
POT14 20KK X2
2 5
3
VR2B
POT14 20KK X2
R84
10K 1% 0805
R85
10K 1% 0805
5
6
7
U3B
TL072D SMD
R87
10K 1% 0805
R88
10K 1% 0805
C37
33P 0805
C39
33P 0805
C11
47/25
C12
47/25
3
2
1
U4A
TL072D SMD
3
2
1
U3A
TL072D SMD
R106
22K 0805
C13
47/25
C14
47/25
R31
47K 0805
R32
47K 0805
C10
47/25
C16
47/25
C9
47/25
C15
47/25
R28
47K 0805
R29
47K 0805
R33
47K 0805
R34
47K 0805
R35
47K 0805
R30
47K 0805
R115
100K 1% 0805
R116
100K 1% 0805
R118
100K 1% 0805
R113
100K 1% 0805
R111
100K 1% 0805
R110
100K 1% 0805
R109
100K 1% 0805
R114
100K 1% 0805
R134
2K2 1% 0805
R135
2K2 1% 0805
R137
2K2 1% 0805
R136
2K2 1% 0805
R112
100K 1% 0805
R117
100K 1% 0805
R5
8K2 1% 0805
R6
8K2 1% 0805
R131
27K 1% 0805
R130
27K 1% 0805
R128
27K 1% 0805
R126
27K 1% 0805
R127
27K 1% 0805
R129
27K 1% 0805
R132
27K 1% 0805
R133
27K 1% 0805
C57
2N2/MYL
C58
2N2/MYL
C60
2N2/MYL
C59
2N2/MYL
C51
22N/MYL
C52
22N/MYL
C53
22N/MYL
C54
22N/MYL
C27
1N/MYL
C28
1N/MYL
C49
22P_S
C50
22P_S
C56
330N 50V/PE
C55
330N 50V/PE
R141
6K8 1% 0805
R140
6K8 1% 0805
POST_EQ_R
POST_EQ_L
16
4
VR3A
POT14 20KB X2 C/D
2 5
3
VR5B
POT14 20KB X2 C/D
16
4
VR6A
POT14 20KB X2 C/D
1 6
4
VR4A
POT14 20KB X2 C/D
25
3
VR3B
POT14 20KB X2 C/D
25
3
VR6B
POT14 20KB X2 C/D
2 5
3
VR4B
POT14 20KB X2 C/D
1 6
4
VR5A
POT14 20KB X2 C/D
5
6
7
U5B
TL072D SMD
3
2
1
U5A
TL072D SMD
5
6
7
U6B
TL072D SMD
3
2
1
U6A
TL072D SMD
2
1
3
SW5A
SW2PCOL (SPUN)
5
4
6
SW5B
SW2PCOL (SPUN)
R1
6K8 1% 0805 MELF
R2
6K8 1% 0805 MELF
C1
47/63
C2
47/63
MIC-
MIC+
ST_L+
ST_L-
ST_R-
ST_R+
ST_R+ ST_R-
ST_L-ST_L+
2
1
3
SW1A
SW2PCOL (SPUN)
5
6
BRKT
VR1B
POT11 10KZ
8
9
BRKT
VR2C
POT14 20KK X2
8
9
BRKT
VR3C
POT14 20KB X2 C/D
8
9
BRKT
VR4C
POT14 20KB X2 C/D
8
9
BRKT
VR5C
POT14 20KB X2 C/D
8
9
BRKT
VR6C
POT14 20KB X2 C/D
POT_GND
R142
1K0 1% 0805
V-
4
V+
8
U1C
NE5532 SMD
V-
4
V+
8
U2C
TL072D SMD
V-
4
V+
8
U3C
TL072D SMD
V-
4
V+
8
U4C
TL072D SMD
V-
4
V+
8
U5C
TL072D SMD
V-
4
V+
8
U6C
TL072D SMD
+VA
-VA
R18
3K3 1% 0805
3
2
1
U2A
TL072D SMD
R107
22K 0805
R19
3K3 1% 0805
R43
4K7 1% 0805
R44
4K7 1% 0805
C46
15P 0805
C47
15P 0805
C48
15P 0805
0dBu NOMINAL
0dBu NOMINAL
R78
22K 1% 0805
R79
22K 1% 0805
MONO IN NORMALLISED
A MG 20-07-04
R65
4K7 0.5% 0805 TF
R66
4K7 0.5% 0805 TF
R104
1K2 0.5% 0805 TF
R105
1K2 0.5% 0805 TF
13
2
VR1A
POT11 10KZ
C31
1000/6.3
+VA
-VA
3
2
1
U1A
NE5532 SMD
5
6
7
U1B
NE5532 SMD
R68
4K7 0.5% 0805 TF
R67
4K7 0.5% 0805 TF
C34 33P 0805
C33
33P 0805
R77
22K 1% 0805
R80
10K 1% 0805
C44
47N/MYL
C45
47N/MYL
C35 33P 0805
R73
1K2 1% 0805
R75
2K7 0805
R27
47K 0805
R26
47K 0805
2
1
3
SW4A
SW2PCOL (SPUN)
5
4
6
SW4B
SW2PCOL (SPUN)
R69
820R 0.5% 0805 TF
R70
820R 0.5% 0805 TF
Q1
2SB737
Q2
2SB737
C5
47/25
5
6
7
U2B
TL072D SMD
Q3
BC549
Q4
BC549
R72
10R 0805
R71
10R 0805
C6
47/25
1 MG 21/01/05
003-353 iss.1

Other manuals for ALLEN & HEATH GL3800

Related product manuals