EasyManua.ls Logo

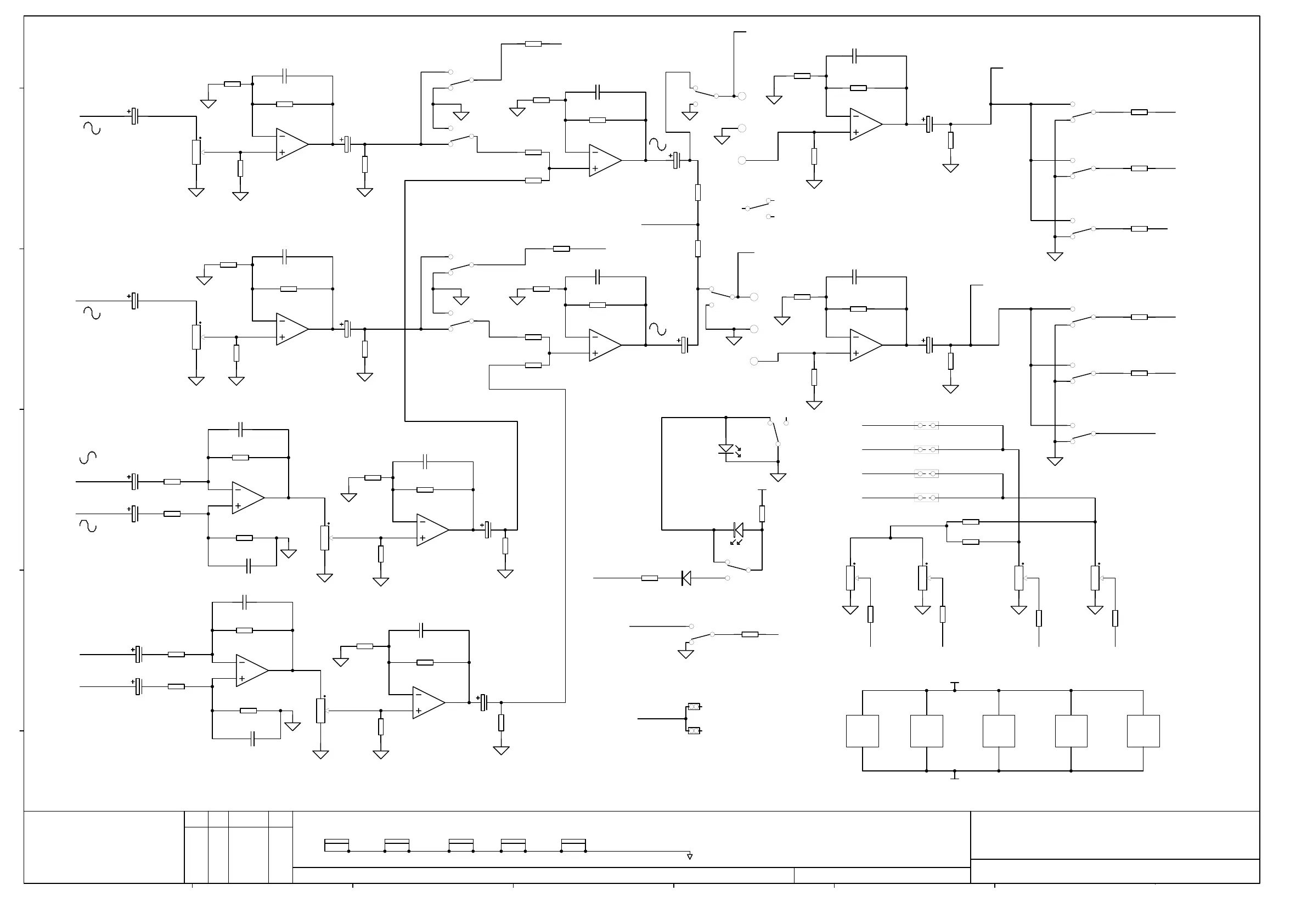
ALLEN & HEATH GL3800 - MONO Input Channel EQ and Routing; AUX SENDS Controls; PRE;POST Fader Switching; PFL (Pre-Fade Listen)

ALLEN & HEATH GL3800
74 pages
Print Icon
To Next Page IconTo Next Page
To Next Page IconTo Next Page
To Previous Page IconTo Previous Page
To Previous Page IconTo Previous Page
Loading...
Kernick Industrial Estate,
Penryn, Cornwall,
England. TR10 9LU
+44 (0)8707 556250
+44 (0)8707 556251
4.1
GL2800 GROUP 1 & 3
C5864 2 3
PAGE:
TITLE:
DRG No: ISSUE: SHEET: OF
ISSUE BY DATE
FILE: C5864_4_1P2.Sch 11:42:40 29-Apr-2005
ALLEN&HEATH
Tel:
Fax:
PRINTED:
ABCDEFGH
a
b
c
d
e
CHK
BY
POST_GRPn
POST_GRP1
POST_GRP3
JS5
SOLDER ASSIG
JS6
SOLDER ASSIG
+VA
-VA
V-
4
V+
8
U7C
TL072D SMD
5
6
BRKT
VR3B
POT11 20KK
5
6
BRKT
VR4B
POT11 20KK
POT_GND
A MG 20-07-04 XXX
C20
47/25
1 6
4
VR1A
POT14 20KK X2
2 5
3
VR1B
POT14 20KK X2
C24
47/25
5
6
7
U7B
TL072D SMD
3
2
1
U7A
TL072D SMD
R118
12K 1% 0805
R121
12K 1% 0805
R41
2K2 1% 0805
R45
2K2 1% 0805
C39
33P 0805
C42
33P 0805
C21
47/25
C25
47/25
R9
47K 0805
R12
47K 0805
5
6
7
U8B
TL072D SMD
R62
10K 1% 0805
R63
10K 1% 0805
R64
10K 1% 0805
C40
33P 0805
3
2
1
U8A
TL072D SMD
R69
10K 1% 0805
R70
10K 1% 0805
R71
10K 1% 0805
C44
33P 0805
R120
12K 1% 0805
R119
12K 1% 0805
ST1(3)_IN_L+
ST1(3)_IN_R+
MIXR
R68
10K 1% 0805
R61
10K 1% 0805
2
1
3
SW1A
SW4PCOL (SPUN)
8
7
9
SW1C
SW4PCOL (SPUN)
5
4
6
SW1B
SW4PCOL (SPUN)
11
10
12
SW1D
SW4PCOL (SPUN)
R124
10K 1% 0805
R125
10K 1% 0805
R73
10K 1% 0805
R74
10K 1% 0805
5
6
7
U10B
TL072D SMD
R67
10K 1% 0805
R77
10K 1% 0805
C41
33P 0805
C46
33P 0805
C28
47/25
C29
47/25
1 6
4
VR2A
POT14 20KK X2
2 5
3
VR2B
POT14 20KK X2
R75
10K 1% 0805
R76
10K 1% 0805
3
2
1
U10A
TL072D SMD
R78
10K 1% 0805
R80
10K 1% 0805
C45
33P 0805
C48
33P 0805
C30
47/25
C31
47/25
5
6
7
U11B
TL072D SMD
3
2
1
U11A
TL072D SMD
R122
12K 1% 0805
R123
12K 1% 0805
R50
2K2 1% 0805
R49
2K2 1% 0805
C43
33P 0805
C47
33P 0805
C32
47/25
C33
47/25
R16
47K 0805
R79
10K 1% 0805
R81
10K 1% 0805
ST2(4)_IN_L+
ST2(4)_IN_L-
ST2(4)_IN_R-
ST2(4)_IN_R+
MIXL
R15
47K 0805
P4
RED_S
P5
GRN_S
P6
BLU_S
P7
PNK_S
P8
GRN2S
P9
YEL_S
C22
47/25
C26
47/25
5
6
7
U9B
NE5532 SMD
R10
47K 0805
R89
4K7 1% 0805
R44
2K2 1% 0805
C66
15P 0805
3
2
1
U9A
NE5532 SMD
R13
47K 0805
R91
4K7 1% 0805
R48
2K2 1% 0805
C67
15P 0805
C23
47/25
C27
47/25
R11
47K 0805
R14
47K 0805
LD1
RED
1 3
2
VR3A
POT11 20KK
1 3
2
VR4A
POT11 20KK
1 6
4
VR5A
POT14 20KK X2
2 5
3
VR5B
POT14 20KK X2
2
1
3
SW4A
SW2PCOL (SPUN)
2
1
3
SW5A
SW2PCOL (SPUN)
2
1
3
SW6A
SW2PCOL (SPUN)
R65
22K 1% 0805
R90
12K 1% 0805
R66
22K 1% 0805
MONO
MIXL
5
4
6
SW4B
SW2PCOL (SPUN)
5
4
6
SW5B
SW2PCOL (SPUN)
5
4
6
SW6B
SW2PCOL (SPUN)
R72
22K 1% 0805
R92
12K 1% 0805
MONO
MIXR
R31
8K2 1% 0805
R32
8K2 1% 0805
R33
8K2 1% 0805
R34
8K2 1% 0805
PREFADE_L
PREFADE_R
PREFADE_R
PREFADE_L
POSTFADE_L
POSTFADE_R
POSTFADE_R
POSTFADE_L
7 8
CN4D
IDC 4X2 M STRT(SINGLES)
3 4
CN4B
IDC 4X2 M STRT(SINGLES)
5 6
CN4C
IDC 4X2 M STRT(SINGLES)
1 2
CN4A
IDC 4X2 M STRT(SINGLES)
R51
2K2 1% 0805
R52
2K2 1% 0805
AUX1
AUX2
AUX9
AUX10
R42
2K2 1% 0805
R46
2K2 1% 0805
TO_PFL_SW
TO_PFL_SW
2
1
3
SW3A
SW2PCOL (SPUN)
R99
18K 1% 0805
PFL/AFL
5
4
6
SW3B
SW2PCOL (SPUN)
R93
4K7 1% 0805
+VB
D3
BAS16
R126
220K 0805
PFL_DET
LD2
LED T1 3MM YELLOW
V-
4
V+
8
U8C
TL072D SMD
V-
4
V+
8
U9C
NE5532 SMD
V-
4
V+
8
U10C
TL072D SMD
V-
4
V+
8
U11C
TL072D SMD
8
9
BRKT
VR1C
POT14 20KK X2
8
9
BRKT
VR2C
POT14 20KK X2
8
9
BRKT
VR5C
POT14 20KK X2
GRP_1_3_SUM
TO_GRP_2_4_SUM
1 MG 25-01-04 XXX
2 MG 14/02/05 XXX
2
1
3
SW2A
SW4PCOL (SPUN)
5
4
6
SW2B
SW4PCOL (SPUN)
8
7
9
SW2C
SW4PCOL (SPUN)
11
10
12
SW2D
SW4PCOL (SPUN)
3 MG 24/02/05 XXX
4 MG 24/03/05 XXX
4.1 MG 19/04/05 XXX
003-354 iss.4.1

Other manuals for ALLEN & HEATH GL3800

Related product manuals