EasyManua.ls Logo

ALLEN & HEATH GL3800 - The GROUP; AUX Masters; AUX 1-8 MASTERS; AUX AFL; MUTE Switch

ALLEN & HEATH GL3800
74 pages
Print Icon
To Next Page IconTo Next Page
To Next Page IconTo Next Page
To Previous Page IconTo Previous Page
To Previous Page IconTo Previous Page
Loading...
Kernick Industrial Estate,
Penryn, Cornwall,
England. TR10 9LU
+44 (0)8707 556250
+44 (0)8707 556251
4
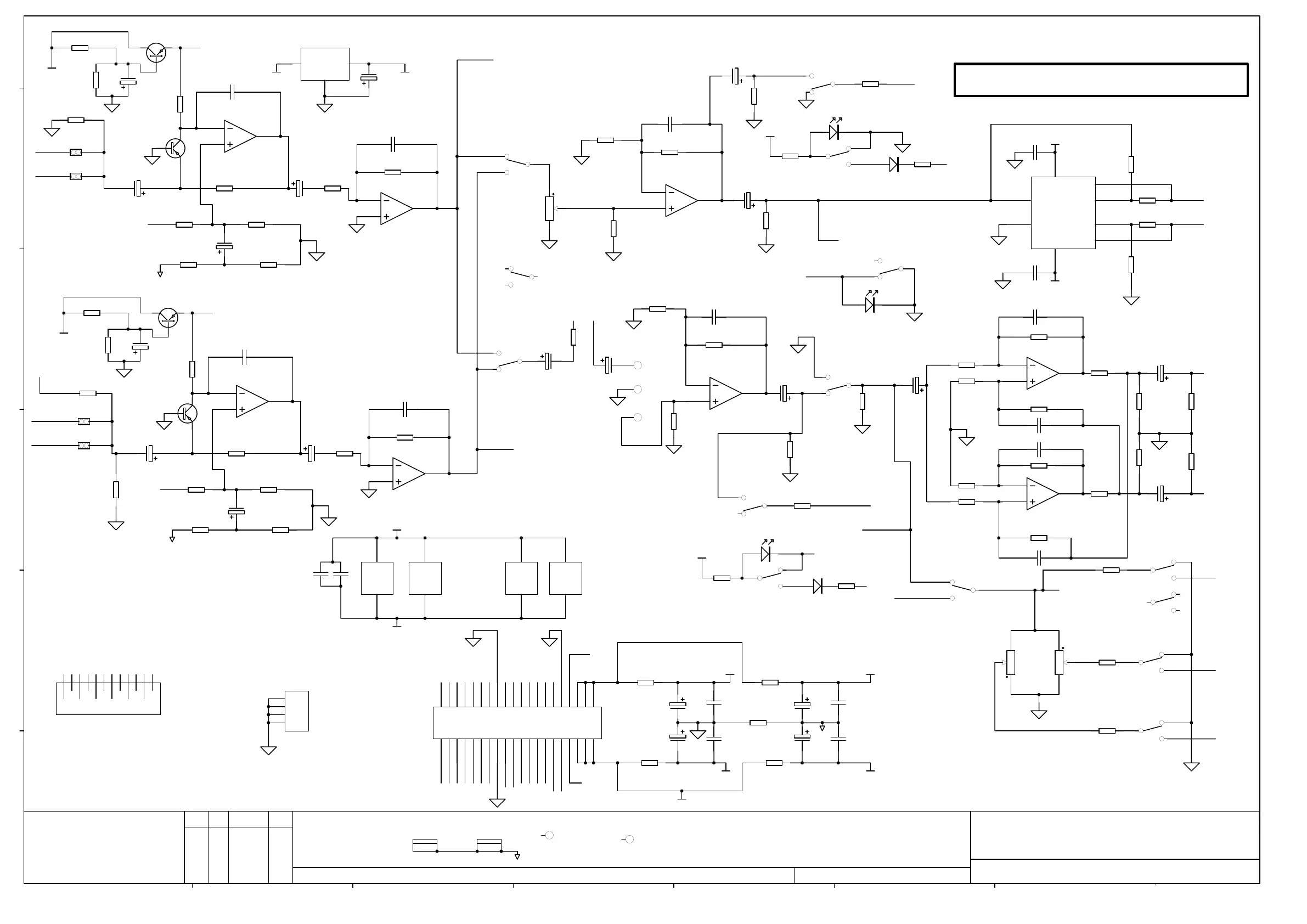
GL2800 GROUP 2 & 4
C5865 1 2
PAGE:
TITLE:
DRG No: ISSUE: SHEET: OF
ISSUE BY DATE
FILE: C5865_4P1.Sch 10:21:18 3-May-2005
ALLEN&HEATH
Tel:
Fax:
PRINTED:
ABCDEFGH
a
b
c
d
e
CHK
BY
R55
22R 0805
P1
RED
P2
GRN
P3
BLU
R1
47K 0805
2
1
3
SW2A
SW4PCOL (SPUN)
5
4
6
SW2B
SW4PCOL (SPUN)
11
10
12
SW2D
SW4PCOL (SPUN)
C7
220/10
R8
47K 0805
8
7
9
SW2C
SW4PCOL (SPUN)
1 3
2
VR1A
POT11 20KK
R29
10K 1% 0805
3
2
1
U3A
NE5532 SMD
V-
4
V+
8
U3C
NE5532 SMD
V-
4
V+
8
U1C
NE5532 SMD
V-
4
V+
8
U2C
TL072D SMD
V-
4
V+
8
U4C
TL072D SMD
R25
2K2 1% 0805
R38
4K7 1% 0805
C25
22P_S
INSEND_2
INSRET_2
5
6
7
U3B
NE5532 SMD
R26
2K2 1% 0805
R39
4K7 1% 0805
C26
22P_S
R60
33K 1% 0805
R3
47K 0805
-VA
R53
68R 0805
R54
68R 0805
+VAC31
100N 0805
C32
100N 0805
AUX_OUT2+
AUX_OUT2-
R51
10R PF RAD
R52
10R PF RAD
C6
47/25
R2
47K 0805
2
1
3
SW1A
SW2PCOL (SPUN)
5
4
6
SW1B
SW2PCOL (SPUN)
R47
18K 1% 0805
+VB
R45
4K7 1% 0805
LD1
LED T1 3MM YELLOW
D1
BAS16
PFL_DET
PFL/AFL
R31
10K 1% 0805
R30
10K 1% 0805
R33
10K 1% 0805
R27
2K2 1% 0805
R28
2K2 1% 0805
R61
47R 0805
R62
47R 0805
3
2
1
U4A
TL072D SMD
5
6
7
U4B
TL072D SMD
C27 22P_S
C28 22P_S
C29 22P_S
GROUP_OUT2+
GROUP_OUT2-
R40
4K7 1% 0805
R41
4K7 1% 0805
R42
4K7 1% 0805
R43
4K7 1% 0805
C12
47/25
C35
100/25
C36
100/25
R6
47K 0805
R7
47K 0805
16
4
VR2A
POT14 10KAC C/D
2 5
3
VR2B
POT14 10KAC C/D
R34
10K 1% 0805
R36
10K 1% 0805
C13
220/10
R4
47K 0805
2
1
3
SW6A
SW2PCOL (SPUN)
5
4
6
SW6B
SW2PCOL (SPUN)
R48
18K 1% 0805
+VB
R46
4K7 1% 0805
LD3
LED T1 3MM YELLOW
D2
BAS16
PFL_DET
PFL/AFL
MIXR
MIXL
FLIP_SUBMIX
FLIP_SUBMIX
2
1
3
SW5A
SW2PCOL (SPUN)
5
4
6
SW5B
SW2PCOL (SPUN)
C14
47/25
R5
47K 0805
FADER
+VA
-VA
LD2
LED RECT 5X2.5MM TOMB RED
5
4
6
SW4B
SW2PCOL (SPUN)
2
1
3
SW4A
SW2PCOL (SPUN)
POST_GRP2
C33
100N 0805
C34
100N 0805
MUTE FADER
AFL FADER
AFL ROTARY
JS1
SOLDER ASSIG
JS2
SOLDER ASSIG
JS3
SOLDER ASSIG
JS4
SOLDER ASSIG
METER
R50
100K 1% 0805
R49
100K 1% 0805
VIN
4
GND
3
FORCE+
8
FORCE-
1
SENSE+
7
SENSE-
2
V+
6
V-
5
U5
BALANCED OUTPUT DRIVER (SOCKET FITTED AL0013)
BALANCED OUTPUT DEVICE. SEE PAGE 2 FOR FITTING INSTRUCTION
TO_LD4
TO_LD4
R63
10R PF RAD
R65
10R PF RAD
C16
47/25
C17
47/25
C37
100N/50V 0805
C38
100N/50V 0805
R64
10R PF RAD
R66
10R PF RAD
C18
47/25
C19
47/25
C39
100N/50V 0805
C40
100N/50V 0805
DG
+VA
-VA -VB
+VB
1
2
3
4
CN2
EARTH SCREW TERMINAL NARROW
R35
10K 1% 0805
2
1
3
SW3A
SW2PCOL (SPUN)
5
4
6
SW3B
SW2PCOL (SPUN)
MONO
5
6
BRKT
VR1B
POT11 20KK
8
9
BRKT
VR2C
POT14 10KAC C/D
POT_GND
R32
10K 1% 0805
C30 22P_S
3
2
1
U1A
NE5532 SMD
R19
8K2 0.5% 0805 TF
C21
33P 0805
3
2
1
U2A
TL072D SMD
R20
10K 1% 0805
R23
15K 1% 0805
C22
33P 0805
C1
1000/6.3
R13
22K 0.5% 0805 TF
-VC
R15
10K 0.5% 0805 TF
R16
10K 0.5% 0805 TF
C9
47/25
R9
330K 1% 0805
Q1
BC856A
R56
0R0 0805
R58
NF RES SMD0805
GC
R11
47K 0.5% 0805 TF
C4
47/25
BIAS_A
BIAS_A
-VS
C5
47/25
-VC
Vin
2
GND
1
-12V
3
U6
MC79M12BDT SMD
C3
47/25
5
6
7
U1B
NE5532 SMD
R21
15K 0.5% 0805 TF
C23
33P 0805
5
6
7
U2B
TL072D SMD
R22
4K7 1% 0805
R24
5K6 0805
C24
33P 0805
C2
1000/6.3
R14
22K 0.5% 0805 TF
-VC
R17
10K 0.5% 0805 TF
R18
10K 0.5% 0805 TF
C15
47/25
R10
330K 1% 0805
Q2
BC856A
R57
NF RES SMD0805
R59
0R0 0805
GC
R12
47K 0.5% 0805 TF
C10
47/25
BIAS_B
BIAS_B
C8
47/25
C11
47/25
A MG 12-10-04 XXX
M1M2
M3M4
GRP1GRP2
GRP3GRP4
GRP5GRP6
GRP7GRP8
MONO GC
AUX1AUX2
AUX3AUX4
AUX5AUX6
AUX7AUX8
+48V
PFL/AFL PFL_DET
+48V
1
1
2
2
3
3
4
4
5
5
6
6
7
7
8
8
9
9
10
10
11
11
12
12
13
13
14
14
15
15
16
16
17
17
18
18
19
19
20
20
21
21
22
22
23
23
24
24
25
25
26
26
27
27
28
28
29
29
30
30
31
31
32
32
33
33
34
34
35
35
36
36
37
37
38
38
39
39
40
40
CN3
BOX 20X2 M 90 DEG
MIXLMIXR
AUX9AUX10
GRP_2_4_SUM
SYS_AUX_2_4
SYS_GRP_2_4
GRP2
GRP4
AUX2
AUX4
TO GROUP 1 & 3 SUB PCB
Q4
2SB737
Q3
2SB737
-VS
ATE1
HOLE-ATE
ATE2
HOLE-ATE
R76
0R0 0805
GRP_2_4_SUM
POST_GRP2
GROUP_OUT2-
GROUP_OUT2+
AUX_OUT2+
AUX_OUT2-
INSEND_2
INSRET_2
SYS_AUX_2_4
SYS_GRP_2_4
1
2
3
4
5
6
7
8
9
10
11
12
CN6
FLEX SKT 12 WAY 90 DEG
1 MG 26/01/05 XXX
R77
22K 1% 0805
2 MG 14/02/05 XXX
3 MG 24/03/05 XXX
METER
3.1 MG 19/04/05 XXX
4 MG 29/04/05 XXX
003-355 iss.4

Other manuals for ALLEN & HEATH GL3800

Related product manuals