EasyManua.ls Logo

ALLEN & HEATH GL4800 - Page 23

ALLEN & HEATH GL4800
51 pages
To Next Page IconTo Next Page
To Next Page IconTo Next Page
To Previous Page IconTo Previous Page
To Previous Page IconTo Previous Page
Loading...
Kernick Industrial Estate,
Penryn, Cornwall,
England. TR10 9LU
+44 (0)1326 372070
+44 (0)1326 370153
3.3
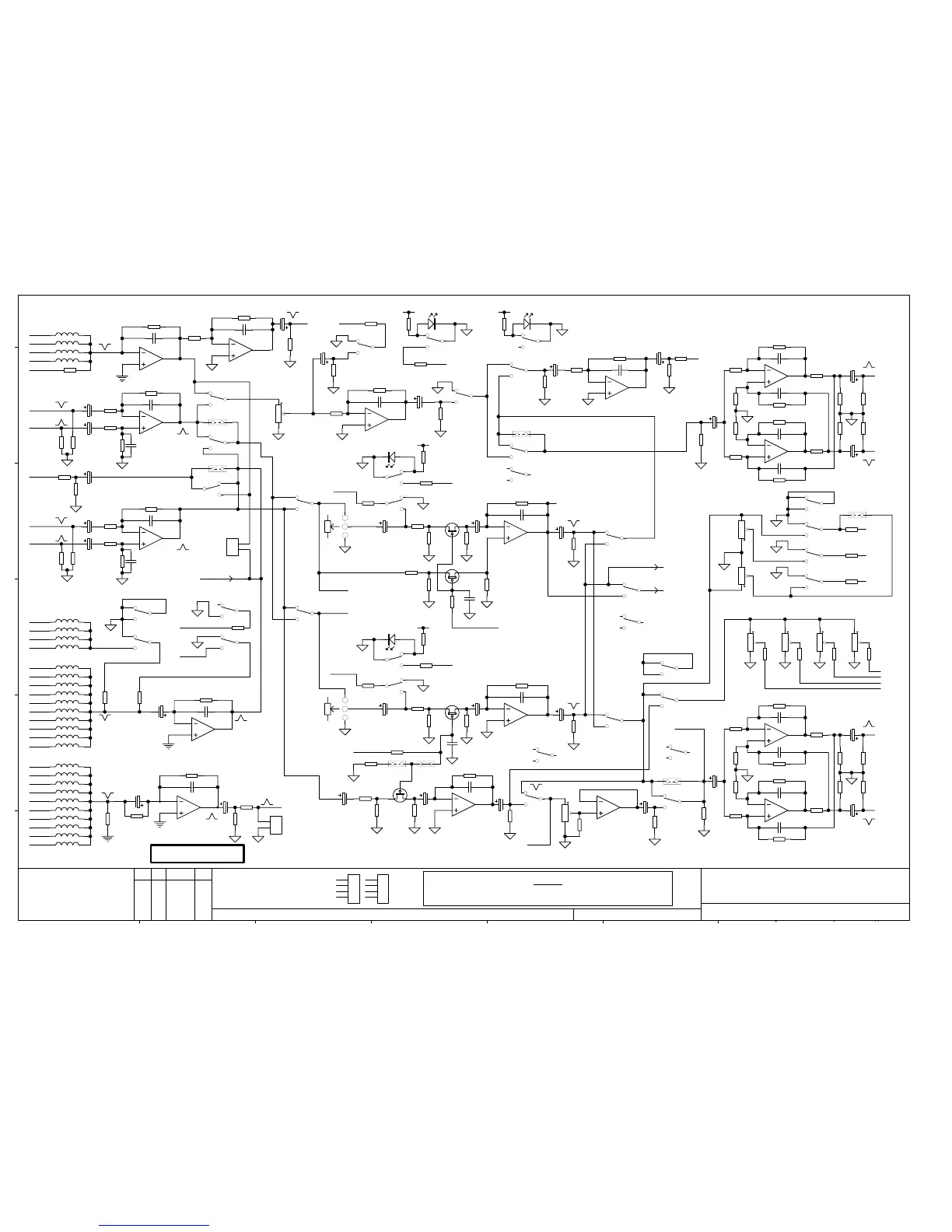
GL4800 GROUP PCB
AG2623 23
PAGE:
TITLE:
DRG No: ISSUE: SHEET: OF
ISSUE BY DATE
FILE: C2623_3P2.Sch 11:23:46 17-Jun-2005
ALLEN&HEATH
Tel:
Fax:
PRINTED:
ABCDEFGH
a
b
c
d
e
CHK
BY
FB21 FB-TH
FB22 FB-TH
FB23 FB-TH
FB24 FB-TH
FB25 FB-TH
FB26 FB-TH
FB27 FB-TH
FB28 FB-TH
FB29 FB-TH
FB30 FB-TH
G1_MIX
G2_MIX
G3_MIX
G4_MIX
G5_MIX
G6_MIX
G7_MIX
G8_MIX
L_MIX
R_MIX
R91
100K
C37
220/10
LK20
NF RES
3
2
1
IC1A
NF OPAMP8
C38
NF
R92 NF RES
C39
47/25
R93
100K
R90
22R
INS1_SND
FEED TO SYSLINK
R85
100K
R86
100K
C34
47/25
C33
47/25
R87
10K 1%
R88
10K 1%
R84 10K 1%
R89
10K 1%
C35
100P/DISK
C36
100P/DISK
3
2
1
IC14A
TL072
INS1_R-
INS1_R+
FB11 FB-TH
FB12 FB-TH
FB13 FB-TH
FB14 FB-TH
FB15 FB-TH
FB16 FB-TH
FB17 FB-TH
FB18 FB-TH
FB19 FB-TH
FB20 FB-TH
A1_MIX
A2_MIX
A3_MIX
A4_MIX
A5_MIX
A6_MIX
A7_MIX
A8_MIX
A9_MIX
A10_MIX
5
6
7
IC1B
NF OPAMP8
R23 NF RES
R21
22K 1%
R22
22K 1%
C16
220/10
C15
NF
(1-4 ONLY)
GROUP / LR MIX
AUX MIX
R17015K
TALK_DC
TALKBK
5
4
6
SW14B
SW2PCOL (SPUN)
2
1
3
SW14A
TB TO AUX
FB6 FB-TH
FB7 FB-TH
FB8 FB-TH
FB9 FB-TH
MTX_S/B
MTX_S/A
MTX_S/C
MTX_S/D
5
4
6
SW13B
SW2PCOL (SPUN)
2
1
3
SW13A
FB6-9 IF FITTED
ONLY USE TCW
1-4 ONLY
MTX TO AUX
R19
22R
R20
100K
INS2_S C11
47/25
J28 NF LINK OPT
R13
100K
R14
100K
C8
47/25
C7
47/25
R15
10K 1%
R16
10K 1%
R17 10K 1%
R18
10K 1%
C10
100P/DISK
C9
100P/DISK
5
6
7
IC14B
TL072
INS2_R-
INS2_R+
FB1 FB-TH
FB2 FB-TH
FB3 FB-TH
FB4 FB-TH
MTXA
MTXB
MTXC
MTXD
5
4
6
SW1B
J27 NF LINK OPT
8
7
9
SW1C
AUX_SYS
2
1
3
SW1A
SW6PCOL (SPUN)
3
2
1
IC2A
NE5532
C3
22P/DISK
R4
22K
R2
10K
3
2
1
IC5A
TL072
R3
10K
C2
100P/DISK
C1
47/25
R1
100K
MTX_SND
MATRIX TO AUX MIX
MATRIX / LR2 MIX
FITTED L / R ONLY
1 3
2
VR1A
POT11 20KK
R9
8K2 1%
5
6
7
IC2B
NE5532
R10 8K2 1%
C5
22P/DISK
C4
47/25
R8
100K
2
1
3
SW2A
SW2PCOL (SPUN)
5
4
6
SW2B
R7
68K
AFL_MIX
R6
15K
AFL_DC
R5
8K2
LD1
LED T1 3MM YELLOW
+VB
MATRIX
/ LR2 LEVEL
C6
47/25
R12
100K
2
1
3
SW3A
SW2PCOL (SPUN)
5
4
6
SW3B
R11
8K2
+VB
LD2
LED T1 3MM GREEN
R27
6K8 1%
R28
6K8 1%
R167
150K
R169
10R
R29
47K
R94
1M0
R168
10R
C18
100/25
C17
47/25
TR1
J111N
TR9
J111N
C19
47N /MYL
3
2
1
IC6A
NE5532
C20
22P/DISK
R30 22K 1%
C21
100/25
R95
100K
MUTE/S
2
1
3
SW16A
R24 22K 1%
5
4
6
SW16B
SW2PCOL (SPUN)
R26 15K
R25
8K2
LD3
LED T1 3MM YELLOW
+VB
AFL_DC
AFL_MIX
R99
6K8 1%
R100
6K8 1%
R102
47K
C43
100/25
C40
47/25
TR2
J111N
3
2
1
IC3A
NE5532
C44
22P/DISK
R103 22K 1%
C45
100/25
2
1
3
SW15A
R98 22K 1%
5
4
6
SW15B
SW2PCOL (SPUN)
R97 15K
R96
8K2
LD4
LED T1 3MM YELLOW
+VA
AFL_DC
AFL_MIX
C42
47N/MYL
R106
6K8 1%
R107
6K8 1%
R108
47K
C46
100/25
C41
47/25
TR3
J111N
5
6
7
IC3B
NE5532
12
C47
22P/DISK
12
R109
22K 1%
C48
100/25
R110
100K
J36 LINK OPTJ37 NFR105 100K
R101
1M0
MUTE/L
P2
P3
P4
P5
P6
P7
2
1
3
SW4A
SW4PCOL (SPUN)
5
4
6
SW4B
SW4PCOL (SPUN)
8
7
9
SW4C
SW4PCOL (SPUN)
11
10
12
SW4D
SW4PCOL (SPUN)
R104
100K
MTR L PRE-FDE
MTR S PRE-FDE
MTR S PST-FDE
5
4
6
SW5B
2
1
3
SW5A
1 3
2
VR2A
POT11 20KK
R123
15K
5
6
7
IC5B
TL072
C49
47/25
R124
100K
5
4
6
SW6B
2
1
3
SW6A
SW2PCOL (SPUN)
R125
100K
R137 10K 1%
R136 10K 1%
R133
4K7 1%
R134
4K7 1%
R131
4K7 1%
R138
47R
R139
47R
R141
2K2 1%
R140
2K2 1%
R142
100K
R143
100K
C53
47/25
C58
47/25
C57
22P/DISK
C56
22P/DISK
C59
47/25
5
6
7
IC9B
NE5532
R135 10K 1%
R130 10K 1%
R132
4K7 1%
C55
22P/DISK
C54
22P/DISK
3
2
1
IC9A
NE5532
GRP/LR+
GRP/LR-
L/R_OUT
R56 10K 1%
R55 10K 1%
R51
4K7 1%
R52
4K7 1%
R49
4K7 1%
R57
47R
R62
47R
R59
2K2 1%
R58
2K2 1%
R60
100K
R61
100K
C25
47/25
C31
47/25
C29
22P/DISK
C28
22P/DISK
C30
47/25
5
6
7
IC8B
NE5532
R54 10K 1%
R53 10K 1%
R50
4K7 1%
C27
22P/DISK
C26
22P/DISK
3
2
1
IC8A
NE5532
AUX_+
AUX_-
J30 NF LINK
5
4
6
SW10B
2
1
3
SW10A
SW2PCOL (SPUN)
2
1
3
SW9A
5
4
6
SW9B
SW2PCOL (SPUN)
R145
8K2 1%
R144
8K2 1%
R146
8K2 1%
M_MIX
L_MIX
R_MIX
J35
NF LINK OPT
16
4
VR7A
POT14 10KAC C/D
25
3
VR7B
5
4
6
SW7B
2
1
3
SW7A
SW2PCOL (SPUN)
1 3
2
VR3A
POT11 20KK
1 3
2
VR4A
POT11 20KK
1 3
2
VR5A
POT11 20KK
1 3
2
VR6A
POT11 20KK
MTXA
MTXC
MTXB
MTXD
R129
10K 1%
R128
10K 1%
R127
10K 1%
R126
10K 1%
11
10
12
SW1D
SW6PCOL (SPUN)
R43
100K
C12
47/25
R44
8K2 1%
5
6
7
IC6B
NE5532
C13
22P/DISK
R45 10K 1%
C14
47/25
R46
100K
R47
47R
14
13
15
SW1E
J29 NF LINK
R48
100K
MTX/LR2
2
1
3
SW8A
SW2PCOL (SPUN)
5
4
6
SW8B
MTR_SND
MON_SND
1
2
PL2
JST 2 M STRT
1
2
PL1
JST 2 M STRT
R171
22K 1%
R171-1
R171-1
17
16
18
SW1F
SW6PCOL (SPUN)
NOTE
FOR FB1 - FB30, R171 GROUP-L/R ASSIGNMENT REFER TO TABLE ON PAGE 1
FOR FITTED AND NON FITTED COMPONENTS SEE TABLE ON PAGE 1
3.3 JB
15/03/04 CONVERTED TO PROTEL
1
2
3
4
SIL1
SIL 4 M STRT
1
2
3
4
SIL2
SIL 4 M STRT
IC1 REPLACED BY 2 SIL 4 CONNS
FOR GL4800 SUP PCB
003-412 / 413 / 414 iss.3.3

Other manuals for ALLEN & HEATH GL4800

Related product manuals