EasyManua.ls Logo

Allied 7420 - Page 18

Allied 7420
34 pages
Print Icon
To Next Page IconTo Next Page
To Next Page IconTo Next Page
To Previous Page IconTo Previous Page
To Previous Page IconTo Previous Page
Loading...
18
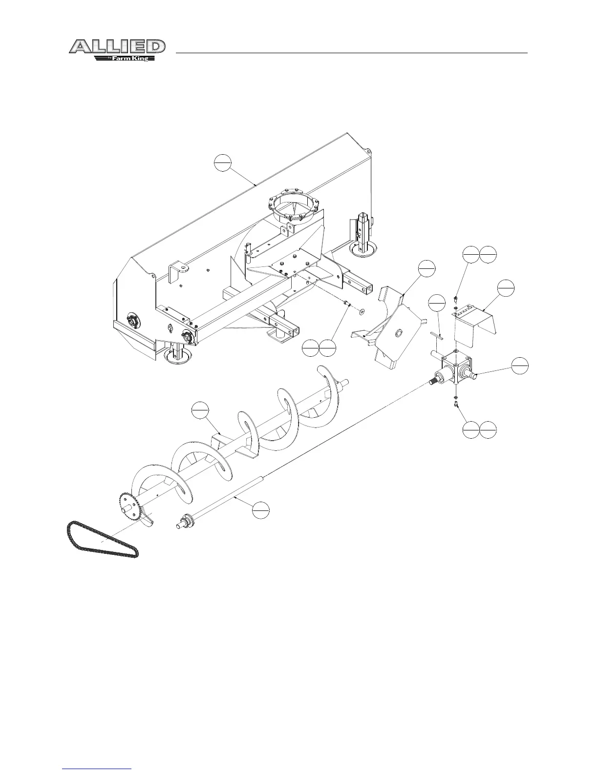
Parts - 7420, 8420 & 8420G Snowblower
8420G Snowblower Drawings
50
1
96
1
95
8
23
8
95
8
23
8
30
1
26
4
10
1
52
1
56
1
20
1
36
1