EasyManua.ls Logo

Alpha Power ETO 91B - Page 27

Alpha Power ETO 91B
33 pages
Print Icon
To Next Page IconTo Next Page
To Next Page IconTo Next Page
To Previous Page IconTo Previous Page
To Previous Page IconTo Previous Page
Loading...
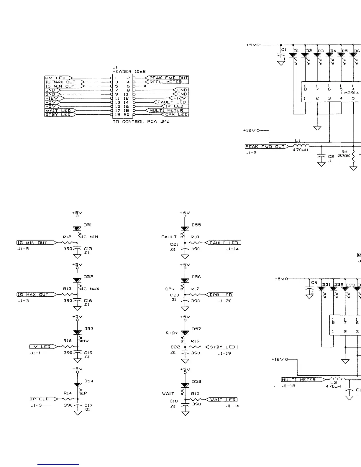
IG
MAX
UT ;
IG MIN
UT
HV LEP~>
GNP
GNP
+ 12V >-
+ 5V >-
WAIT LEP '
ST BY
LED !
J1
HEAPER 10x2
-C 1 2
~c
3
4
-c 5 6
-c
7
0
-c S 10
-c
11 12
-c 13 14
-c 15 16
-G 17 10
-< 19 20
TO
n
z
: PEAK
FVD GUT
: REFL. METER
. GNP
GNP
-< + i2v
CF AUL T LEP
< 1 P LEP
.MULTI METER
< QPR LETD
+ 5V
FAULT
5V
i- 12 V <
D33
D
.D31 .
____
___
^ ^ ^
D3E
IMULTI METER
Jl-18
L 3
47QuH
r
CI
.1

Related product manuals