EasyManua.ls Logo

Alpine 7279M - Page 17

Alpine 7279M
59 pages
Print Icon
To Next Page IconTo Next Page
To Next Page IconTo Next Page
To Previous Page IconTo Previous Page
To Previous Page IconTo Previous Page
Loading...
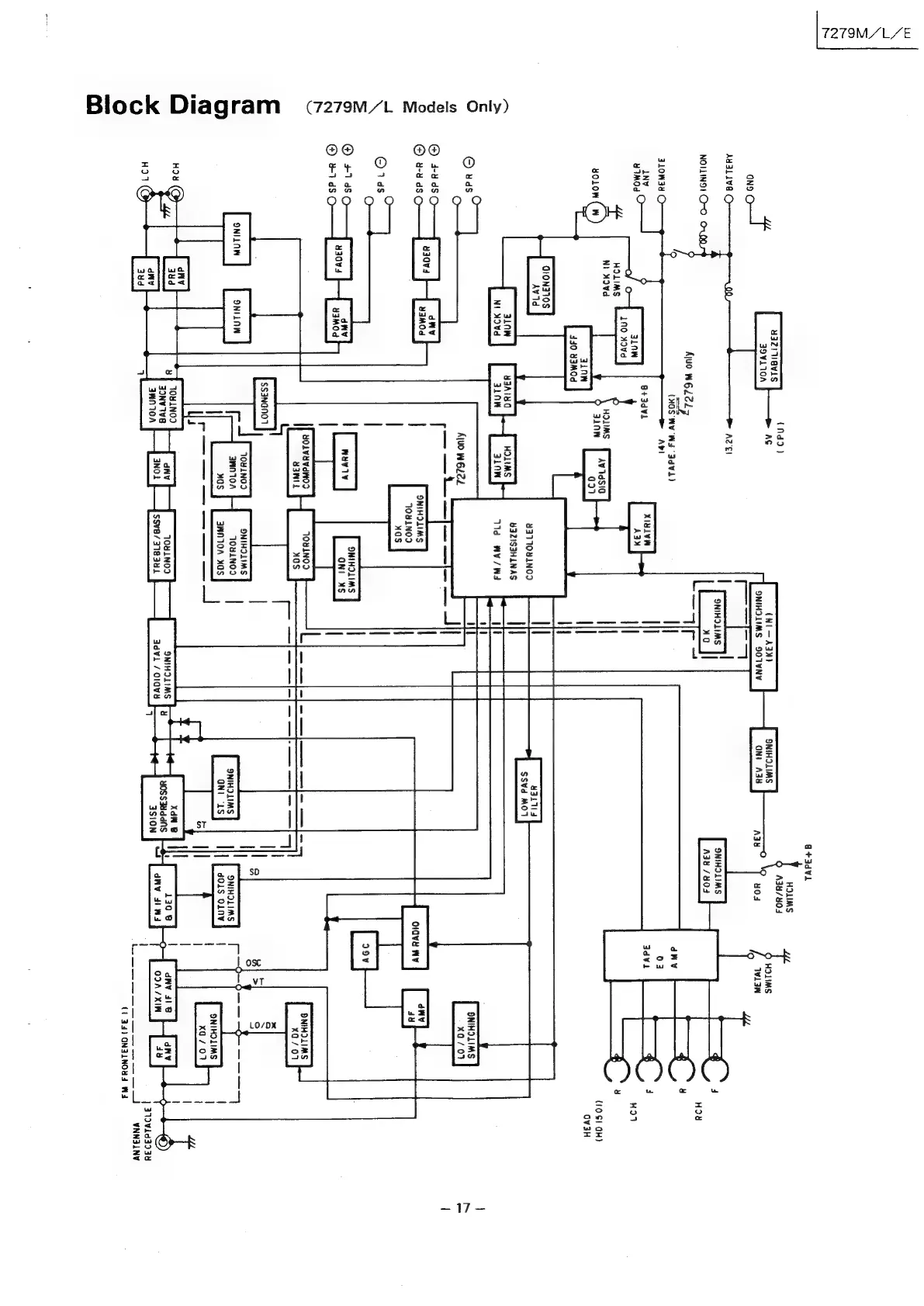
7279M/L/E
(7279M/L
Models
Only)
Block
Diagram
a+3dvl
HOLIMS
(nd)
A34/804
sees
AG
(NI—AR*}
ONIHILIMS
o
\o
HOLIMS
ono
ONIHILIMS
SO1VNY
ON)
A38
A3u
Y4o4
W130"
oO
Au3aLLVa
O
AzE!
SNIHDLIMS
mz.
4
NOILINDECHO
O
A3¥
/
403
aay
Aluo
WEL2L
sak
ax
Ox
?
(40S
Wy
Wd
“3dvL)
dW
310W34
©
\
03
ANY
6
8+3dVi
XISLVW
advi
x:
4
waMod
ABW
97
O
4
y
HOLIAS
\
YOLOW
(w)
@
ainn
|
Av
ids
Hos!
ay
oF
¥
ainw
430
Y3M0d
a
SS¥d
MOT
ONIHDLIMS
xa/0t
i
x0/01
43710481N09
310"
wRAIUC
Y3AZISSHLNAS
NI
WOVd
3a1nW
Vid
WY/W2
O
©
ads
O
@
44dsO
any
@
sv
dsoO
¥aMOd
ONIHOLIMS
TOYLNOD
O
Oras
O
+1480
dW¥
morte
#1dsoO
adie
4aMOd
YOLVE
VINOD
7OYINOD
RELIES
was
ONIHOLIMS
emleon
ome
3AN10A
1041NO9
yas
3WNIOA
HOS
SNIHILIMS
dOlS
OLNV
ON!
‘1S
SNIHILIMS
xd
/
07
H34
(G
O
3ud
vei
=
dA
|
TOdLNOD
1308
is
dwv
4I
8
WY
4
3WNIOA
aNOL
SSv8/3183uL
ut]
dWY
4ING
ODA/XIW
du
11
anal
|
|
319v1d3934
Eh
:
a
ett
a
eas
eel
VNN3INY
{1
34)
ONALNOMd
W4
47s

Related product manuals