EasyManua.ls Logo

Alpine 7279M - Page 18

Alpine 7279M
59 pages
Print Icon
To Next Page IconTo Next Page
To Next Page IconTo Next Page
To Previous Page IconTo Previous Page
To Previous Page IconTo Previous Page
Loading...
pee
7279M/L/ZE
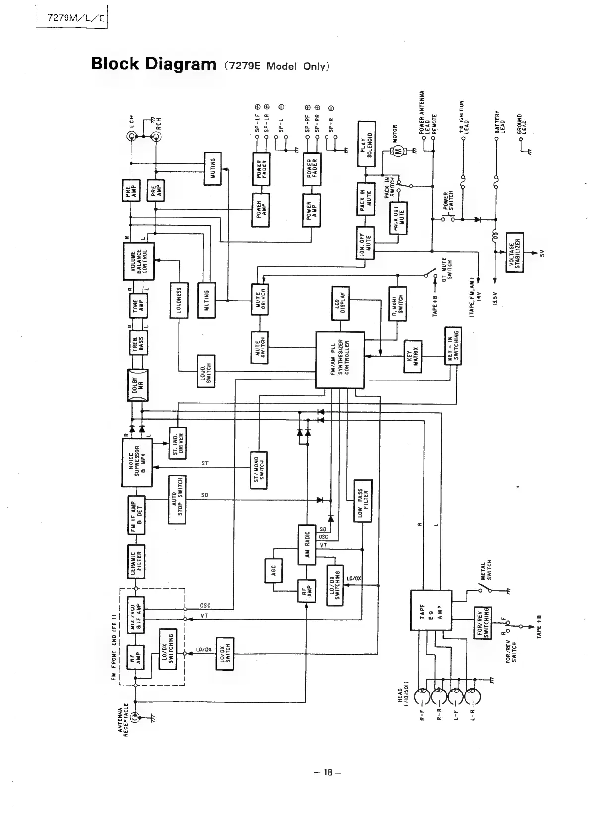
Block
Diagram
(7279€
Mode!
only)
AS
G+
3d¥L
avai
°)
QNnoud
43ZITI8¥LS
.
HOLIMS
39VLIOA
1H
Sy
A3U/
404
ova
AUBLIVE
O
AGE!
HOLIMS
Wi3W
Jo
Avi
CNV
m4
‘3d¥L)
av37,
NOILINS!
@+
ONIHDLIMS
HOLIMS
NI
-
Aa»
¥3M0d
Ty
JLAW
19
ALONIY
Oo
Shady
gva,
Y
¥
A
WNNZLNY
Y3M0d
XIMLVN
Aan
(1OStQH
)
rh
ainw
HOLIMS
ee
YOLON
(Ww)
ANO
WOVe
INOW‘
3L0N
=x
y3a1id
Jd0'NO!
S$Vd
MOT
SNIHILIMS
xa/01
QION310S
3LNW
AW1d
Nt
WOWd
¥3TNOYeLNOD
AY
asia
UAZISAHLNAS
SWS
Tid
WW/NS
@
¥u-ds
©
uaavd
dWV
@
4a-ds
0
43M0d
uaMOd
olava
WW
tty
OQ
1-ds
HOLIMS
31nw
HOLIMS
s1-dso
yzav4
dWv
y3A14O
®
i-aso
43
MOd
4amod
310"
HOLIMS
xa/01
ONILAW
HOLIMS
“ano?
ONILAW
B3A1G
HOLIMS
dOLS
SS3N0N01
On
ONIHOLIMS
x0/01
HUG
dW¥
Ea
1OULNOD
XdN
8
dW¥
ssva
UN
130
8
anid
dWV
318
=i)
aonviva
|
|
Swor
|_|
aay]
I}
xgtoo
(|
|
2
|
Yossauans
dWv
4
WA
TEN
au
Ob
dWy
BNIIOA
3SI0N
|
i
H21Q)
en
a
Fy
ri
L
‘i
379¥1d393Y
erry
eet
tee
PRE
WNNGLNY
(t33)
GN3
LNO’S
WA
19
-=

Related product manuals