EasyManua.ls Logo

Alpine iLX-407 - Wiring and Component Connections

Alpine iLX-407
76 pages
Print Icon
To Next Page IconTo Next Page
To Next Page IconTo Next Page
To Previous Page IconTo Previous Page
To Previous Page IconTo Previous Page
Loading...
65-EN
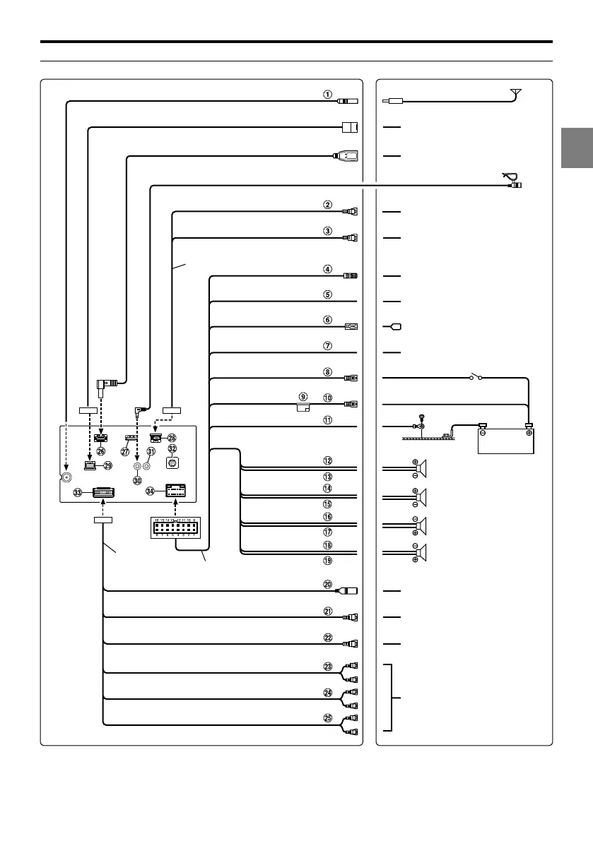
Connections
(12 Violet)
USB extension cable (included)
REMO
(10 Blue/White)
REVERSE
(2 Orange/White)
P. ANT
(9 Blue)
PARKING BRAKE
(11 Yellow/Blue)
ACC
(1 Red)
BATT
(16 Yellow)
GND
(8 Black)
(14 Green)
(15 Green/Black)
(6 White)
(7 White/Black)
(5 Gray/Black)
(4 Gray)
(13 Violet/Black)
PRE OUT cable
Power cable
REAR VIEW CAMERA
FRONT VIEW CAMERA
SUBW
FRONT OUT
REAR OUT
Vehicle Antenna
Microphone (included)
To USB flash drive, iPhone or
Android smartphone
To amplifier or equalizer
To plus side of the back lamp
signal lead of the car
To power antenna
To the parking brake signal lead
Ignition key
To input terminal of amplifier
when adding an external
amplifier
Battery
Rear Left
Front Left
Front Right
Rear Right
Speakers
To RCA Rear camera
To RCA Front camera
CAN Interface Connector (included)
To Interface Box
VIDEO IN
VIDEO OUT
VIDEO IN/OUT cable
To drive recorder, DVD player, etc.
To Rear monitor
To AUX output device or
iDataLink module
AUX INPUT

Table of Contents

Other manuals for Alpine iLX-407

Related product manuals