EasyManua.ls Logo

Alpine INE-S920E - Connections

Alpine INE-S920E
188 pages
Print Icon
To Next Page IconTo Next Page
To Next Page IconTo Next Page
To Previous Page IconTo Previous Page
To Previous Page IconTo Previous Page
Loading...
93-EN
01GB06INE-S920E.fm
ALPINE INE-S920E/INE-Z928E 68-21057Z31-A (EN)
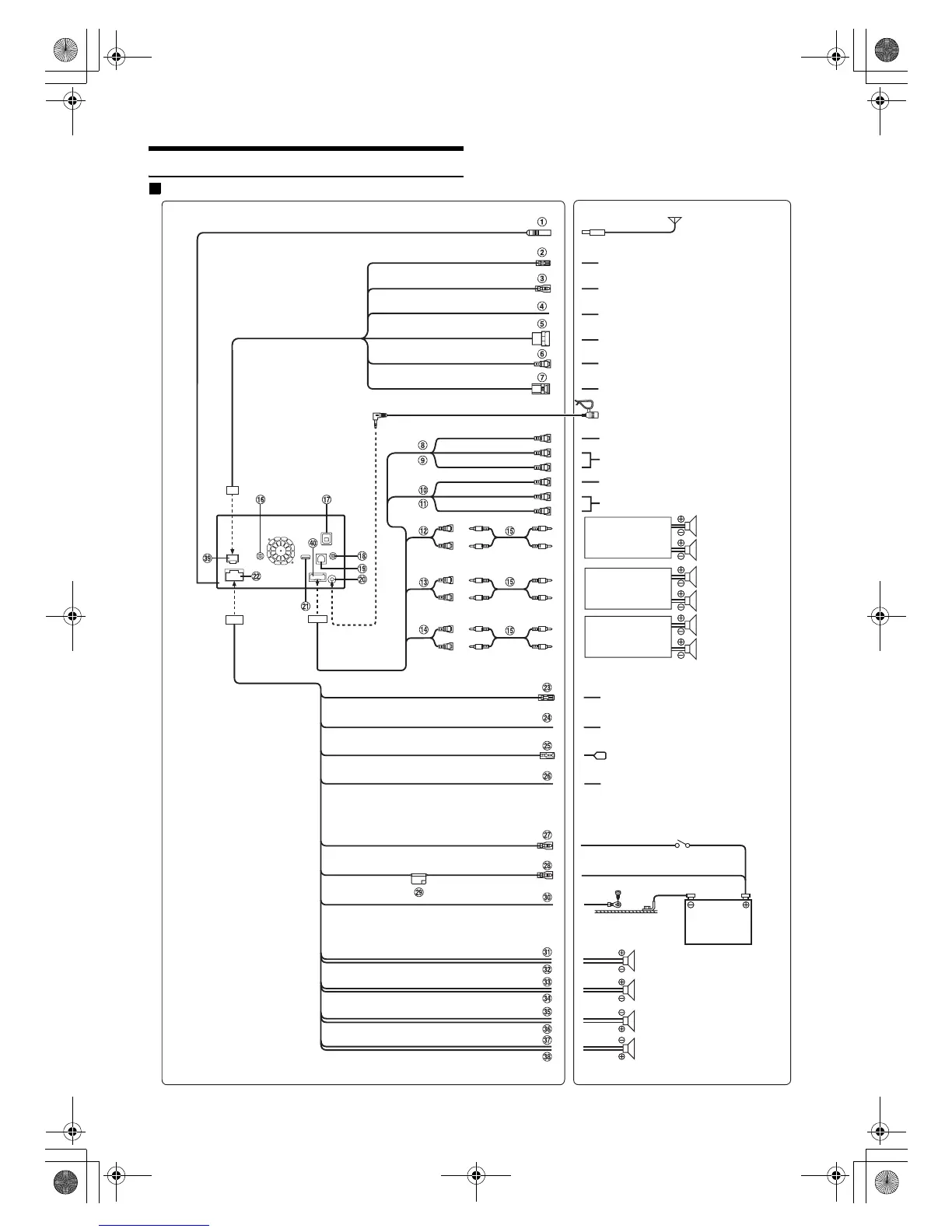
Connections
For INE-S920E
*
1
Currently, TOPVIEW is not being used.
To remote output lead
To the vehicle speed pause line
(Brown)
(Green/White)
(Blue/White)
(Blue)
(Yellow/Blue)
(Yellow)
(Black)
To amplifier or equalizer
Rear left
REMOTE IN
SPEED SENSOR
CAMERA1
REMOTE TURN-ON
POWER ANT
PARKING BRAKE
BATTERY
GND
IGNITION
(Red)
To remote input lead
To power antenna
To the parking brake
signal lead
Battery
(Green/Black)
Ignition key
(Yellow)
(Red)
(White)
(Yellow)
(Red)
(White)
Amplifier
Amplifier
Amplifier
Rear Left
Rear Right
Front Left
Front Right
Subwoofers
To Front/Rear camera
To Audio Input terminals
(R, L)
To Audio Output terminals
(R, L)
To Video Input terminal
To Video Output terminal
(Brown)
REMOTE OUT
CAMERA2
CAMERA SW
To Rear/Other camera
TOPVIEW Camera Switch connector
*
1
Microphone (Included)
(Green)
Front left
Front right
Rear right
(White/Black)
(White)
(Gray)
(Gray/Black)
(Violet)
(Violet/Black)
Speakers
Antenna
To plus side of the back
lamp signal lead of the car
(Orange/White)
REVERSE
01GB00INE-S920E.book Page 93 Tuesday, June 12, 2012 10:56 AM

Table of Contents

Other manuals for Alpine INE-S920E

Related product manuals