EasyManua.ls Logo

Alpine INE-W940E - Page 86

Alpine INE-W940E
176 pages
Print Icon
To Next Page IconTo Next Page
To Next Page IconTo Next Page
To Previous Page IconTo Previous Page
To Previous Page IconTo Previous Page
Loading...
86-EN
01GB06INE-W940E.fm
ALPINE INE-W940E 68-25285Z52-A (EN)
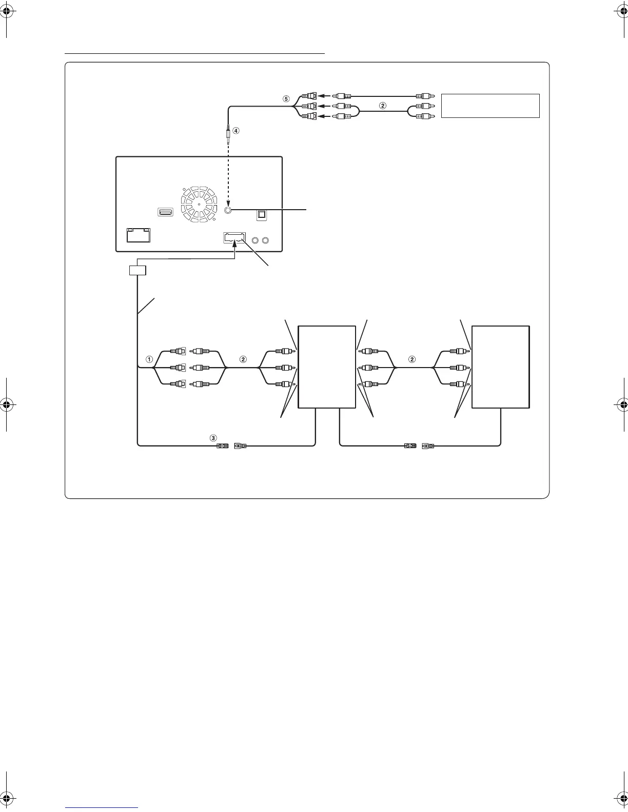
Connection of a Mobile Digital TV Receiver and DVD Changer
1 Video/Audio Input Connectors (AUX INPUT)
YELLOW is for input video, RED is right and WHITE is left
input the audio.
2 RCA Extension Cable (Sold Separately)
3 Remote Control Output Lead (Brown)
Connect this lead to the remote control input lead. This lead
outputs the controlling signals from the remote control.
4 AV/RCA interface cable (4-pole mini AV plug to 3-
RCA) (sold separately)
5 Video/Audio Input Connectors
YELLOW is for input video, RED is right and WHITE is left
input the audio.
You can connect one more external input device only when the “Primary Name” is set to “DVB-T.” Refer to “Setting the Primary AUX Name (AUX
Setup)” (page 41).
To connect an external input device to the iPod VIDEO connector, set “AUX3 In Sel. to “AUX3.” Refer to “Setting the AUX3” (page 42).
AUX/PRE OUT Connector
AUX/PRE OUT cable
(Yellow)
(Red)
(White)
iPod VIDEO input connector
To Audio Input
Terminal
Mobile Digital
TV Receiver
(Sold
separately)
REMOTE OUT
(Brown)
REMOTE IN
(White/Brown)
REMOTE OUT
(White/Brown)
REMOTE IN
(White/Brown)
To Video Output terminal
To Audio Output Terminal
To Video Output terminal
To Audio Output
Terminal
DVD Changer
(Sold
separately)
To Video Output terminal
DVD Player
(sold separately)
To Audio Output terminal
To Video Input Terminal
DVE-5207, etc.
01GB00INE-W940E.book Page 86 Monday, July 8, 2013 5:14 PM

Table of Contents

Related product manuals