EasyManua.ls Logo

Alpine INE-W947E - Page 94

Alpine INE-W947E
180 pages
Print Icon
To Next Page IconTo Next Page
To Next Page IconTo Next Page
To Previous Page IconTo Previous Page
To Previous Page IconTo Previous Page
Loading...
94-EN
01GB06INE-W947E.fm
ALPINE INE-W947E 68-24567Z10-A (EN)
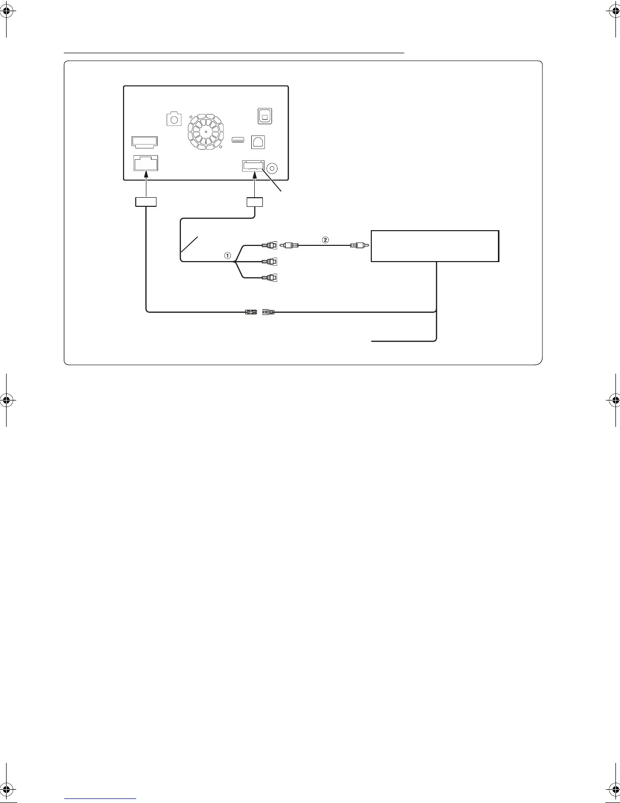
Connection of cameras (HCE-C212F + HCE-C210RD or HCE-C200F + HCE-C200R)
1 Video/Audio Input Connectors (AUX INPUT)
2 RCA Extension Cable (sold separately)
When the screen switches from the front view camera image to the Navigation screen, the location of your vehicle may not be displayed correctly.
AUX/PRE OUT Connector
REVERSE
To plus side of the back lamp
signal lead of the car.
(Yellow)
(Red)
Control Unit
To Video Output Terminal
AUX/PRE OUT Cable
(White)
(Orange/White)
Camera Control Lead
(Orange/Black)
01GB00INE-W947E.book Page 94 Tuesday, April 9, 2013 1:33 PM

Table of Contents