EasyManua.ls Logo

Alpine IVA-D901 - System Connection Examples; System Example Diagram

Alpine IVA-D901
78 pages
Print Icon
To Next Page IconTo Next Page
To Next Page IconTo Next Page
To Previous Page IconTo Previous Page
To Previous Page IconTo Previous Page
Loading...
73-EN
NORM
EQ/DIV
4
&
REMOTE IN
REMOTE OUT
(AUX 1)
IVA-D901
Tuner BOX
1
2
3
5
6
66
7
8
$
9
!
!
!
%
"
#
SUB W.
REAR
FRONT
Ai-NET
L
R
VIDEO
CAMERA IN
(MONO)
L
AUX IN 3
R
RADIO ANTENNA IN
REMOTE IN/OUT
NAVIGATION IN
DISPLAY OUT
POWER SUPPLY
VIDEO
AUDIO
(MONO)
L
AUX IN 1/2
R
AUDIO
VIDEO
L
AUX OUT
R
AUDIO
1
2
1
2
3
PRE IN/OUT
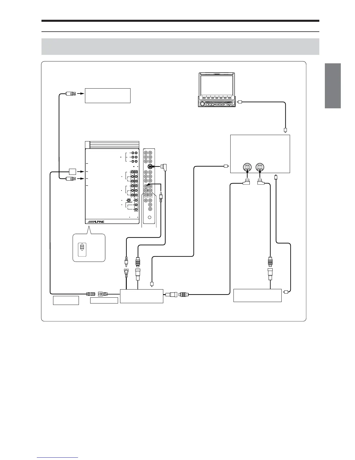
System Example
When connecting the Ai-NET compatible audio processor (Fiber digital compatible), Navigation
system, DVD player and changer
Navigation system
(Sold Separately)
IVA-D901 Monitor
(Yellow)
NVE-N852A/NVE-N871A
*Fiber digital Input terminal
(for head unit)
Audio Processor (Ai-NET)
(Fiber Digital compatible)
(Sold Separately)
DVD Video Player
(Sold Separately)
(White/Brown)(White/Brown)
Fiber optic
cable
Fiber digital
Input terminal
(for Changer)
**
Fiber
optic cable
Ai-NET
cable
Ai-NET cable
Ai-NET
cable
Fiber optic cable
CD Changer (Ai-NET)
(Sold Separately)
**
Only connect fiber digital compatible CD Changer
Fiber digital
Input terminal
(for DVD Player)
When the fiber digital compatible product is connected, it is
necessary to set the mode of this unit. Refer to “Setting the Digital
Output” (page 31) and set to ON. Then refer to “Optical Digital
Input Selection for an External Audio Processor” (page 34) and
switch the setting.
•* When connecting with PXA-H510 :
- Connect the fiber digital input terminal to the DVD.
-IVA-D901, DVA-5200, DVA-5205 or DVA-5210 cannot be
connected simultaneously when fiber digital is in use.
When the NVA-N751AS is connected to the Navigation System, use
the RGB conversion cable KWE-503N (Sold separately).
Continued

Table of Contents

Related product manuals