EasyManua.ls Logo

Alpine IVE-W530 - Page 67

Alpine IVE-W530
124 pages
Print Icon
To Next Page IconTo Next Page
To Next Page IconTo Next Page
To Previous Page IconTo Previous Page
To Previous Page IconTo Previous Page
Loading...
67-EN
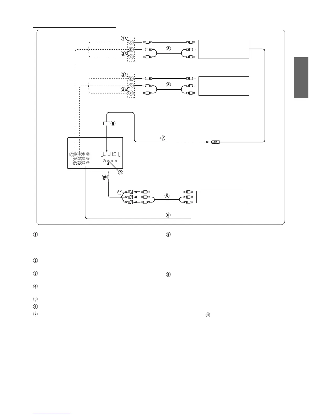
When Connecting External Equipment
Video Input Connector (AUX IN) (Yellow)
Input the AUX video.
To use this function, turn on “AUX1 IN” in the “SETUP” menu (see
“Setting the AUX Mode” (page 37)).
Audio Input Connectors (AUX IN)
RED is right and WHITE is left input the audio.
Video Output Connector (AUX OUT) (Yellow)
Output the video.
Audio Output Connectors (AUX OUT)
RED is right and WHITE is left output the audio.
RCA Extension Cable (Sold Separately)
Power Supply Connector
Remote Control Output Lead (White/Brown)
Reverse Lead (Orange)
Use only when a back-up camera is connected. Connect to
the plus side of the car’s reverse lamp. This lamp illuminates
when the transmission is shifted into reverse (R).
With this lead properly wired, the video picture
automatically switches to the back-up camera whenever the
car is put into reverse (R).
iPod (V)/AUX Input Connector
Input the iPhone/video compatible iPod audio/video signal
or AUX video/audio signal.
Set “AUX2 IN” to “AUX” in “Setting the AUX Mode” (page 37)
when normal AUX video/audio is input.
When you use this connector as normal video/audio input connector
(AUX2 Input), an optional AV/RCA interface cable should be used.
For details, refer to .
To Video Output terminal
To Audio Output terminal
To Audio Input terminal
To Video Output terminal
TV Tuner or VCR
(Sold Separately)
External DVD, etc.
(Sold Separately)
Use only when back-up camera is
connected.
Rear monitor
(Sold Separately)
To Video Input terminal
To Audio Output terminal

Table of Contents

Other manuals for Alpine IVE-W530

Related product manuals