EasyManua.ls Logo

Alpine MRX-V70 - Page 17

Alpine MRX-V70
20 pages
Print Icon
To Next Page IconTo Next Page
To Next Page IconTo Next Page
To Previous Page IconTo Previous Page
To Previous Page IconTo Previous Page
Loading...
/FR/ES)
17
ALPINE MRX-V70/MRX-F35 68-23120Z19-A (EN/FR/ES)
5
2
52
White
White/Black
Green
Green/Black
Violet
Violet/Black
Gray
Gray/Black
FL
FL
FR
FR
RR
RR
RL
RL
White
Gray
Green
Green/Black
Violet
Violet/Black
White/Black
Gray/Black
2
1
LR
LR
0
3
0
3
1
White
White/Black
Green
Green/Black
Violet
Violet/Black
Gray
Gray/Black
FL
FL
FR
FR
RR
RR
RL
RL
White
Gray
Green
Green/Black
Violet
Violet/Black
White/Black
Gray/Black
2
LR
LR
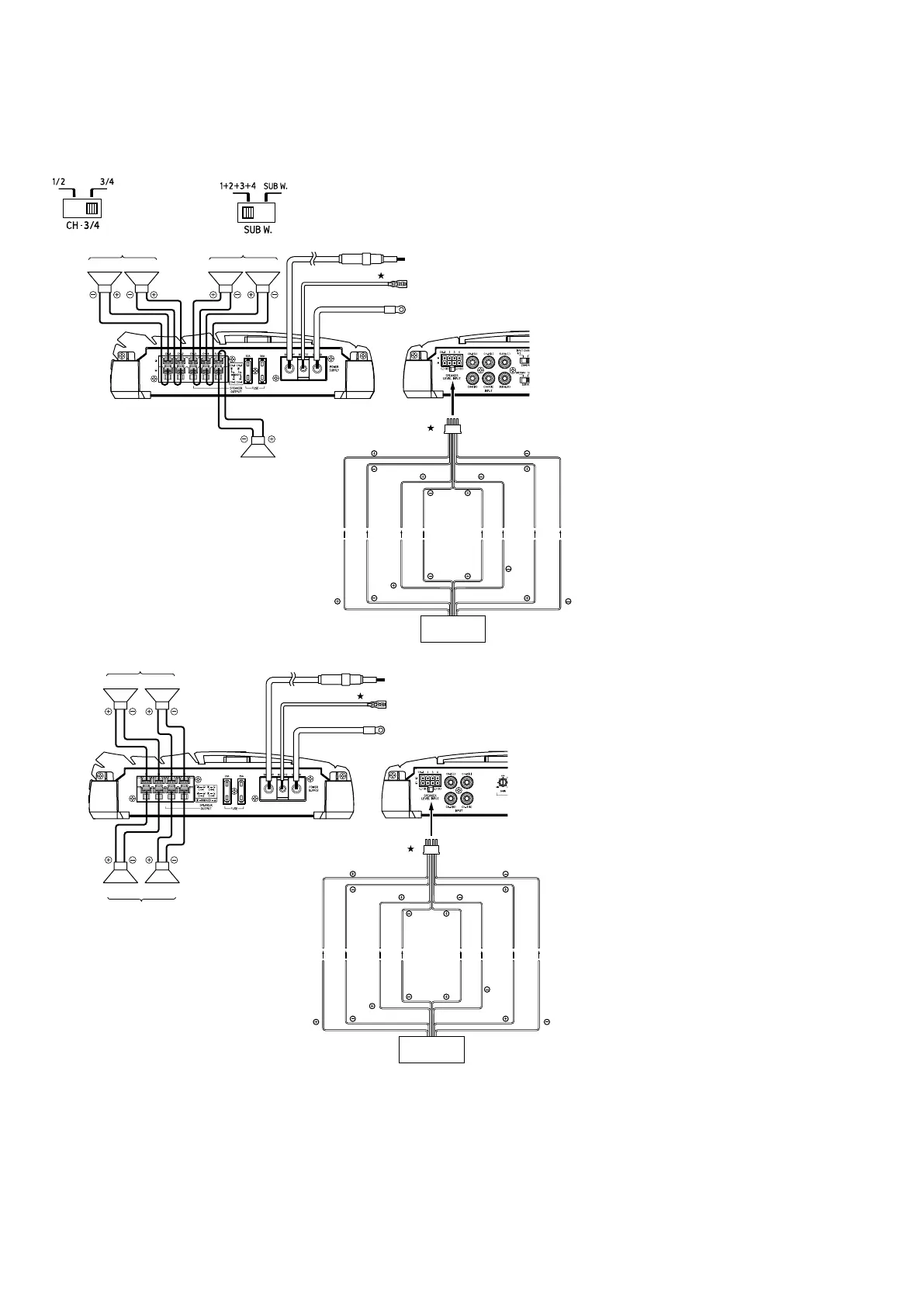
Speaker Level Input System (Typical System)/Système d’entrée de niveau de haut-parleur (système type)/Sistema de entrada de nivel de altavoz
(Sistema estándar)
arleur./
MRX-V70
Input Channel Selector Switch/Commutateur sélecteur du canal d’entrée/Interruptor de selector de canal de entrada
MRX-F35
1 For the “Speaker Level Input System” setting,
connecting the Remote Turn-On Lead is not
required due to the “REMOTE SENSING” function
of this product. However, the “REMOTE SENSING”
function may not work depending on the signal
source connected. In such a case, connect the
Remote Turn-On Lead to an incoming power supply
cord (accessory power) in the ACC position.
2 If connecting the Speaker Input Leads and RCA
Inputs at the same time, do not connect the same
respective number Speaker Input channels and RCA
input channels. Be sure to connect to different Input
channels. Refer to the “System example using both
Speaker Level and RCA Input connections” on page
18.
1
Pour le réglage « Système d’entrée de niveau de haut-
parleur », il n’est pas nécessaire de raccorder le fil de
mise sous tension télécommandée grâce à la fonction
« REVEIL AUTOMATIQUE » de ce produit. Il est néanmoins
possible que la fonction « REVEIL AUTOMATIQUE » ne
soit pas disponible en fonction de la source du signal.
Connecter alors le conducteur de mise sous tension
télécommandée à un cordon d’alimentation entrant
(alimentation des accessoires) en position ACC.
2 Si vous raccordez simultanément les fils d’entrée de
haut-parleur et les entrées RCA, ne raccordez pas le
même nombre respectif de canaux d’entrée de haut-
parleur et de canaux d’entrée RCA. Veillez à effectuer le
raccordement sur différents canaux d’entrée. Reportez-
vous à la section « Exemple de système des connexions
des fils d’entrée du haut-parleur et des entrées RCA » à
la page 18.
1
Para el ajuste “Sistema de entrada de nivel de
altavoz”, no es necesario conectar el cable de
encendido debido a la función “SENSOR REMOTO”
de este producto. No obstante, la función “SENSOR
REMOTO” podría no funcionar según la fuente de
la señal conectada. En ese caso, conecte el cable
de encendido remoto a un cable de alimentación
entrante (alimentación adicional) en la posición ACC.
2 Si conecta los cables de entrada de altavoz y
las entradas RCA al mismo tiempo, no conecte
los mismos números de canales respectivos de
entrada de altavoz y de entrada RCA. Es importante
conectarlos a distintos canales de entrada. Consulte
“Ejemplo de sistema de cables de entrada de altavoz
y conexiones RCA en la página 18.
d
e
f
(Left side/
Côté gauche/
Lado izquierdo)
(Right side/
Côté droit/
Lado derecho)
89
0
g
i
j
k
lm
n
o
p
;
56
Fig. 12
i
j
kn
o
p
lm
;
6
5
NOTE/REMARQUE/NOTA:
g Speaker Level Input Connector/Connecteur d’entrée de niveau
de haut-parleur/Conector de entrada de nivel del altavoz
See page 8./Se reporter à la page 8./Vea la página 8.
g
d
e
f
(Left side/
Côté gauche/
Lado izquierdo)
(Right side/
Côté droit/
Lado derecho)
8
9
· · · 3/4 · · · 1+2+3+4

Related product manuals