EasyManua.ls Logo

Alpine PKG-2000P - Page 43

Alpine PKG-2000P
103 pages
Print Icon
To Next Page IconTo Next Page
To Next Page IconTo Next Page
To Previous Page IconTo Previous Page
To Previous Page IconTo Previous Page
Loading...
5
5
4
4
3
3
2
2
1
1
D D
C C
B B
A A
AUDIO +5V 80MA
VIDEO +5V
100mA
FROM
PCB-TMXD2000-AUX3
Near To Input
Near To Input
R209 D4
ᮄ๲ ˈ
1
D
㒓䏃᳈ᬍˈᮄ๲
40
R211 100R 2
⬅ᬍЎ
4R
EC28 EC35 47uF/16V 10
⬅ᬍЎ
uF/16V
EC47 EC50 47uF/16V 10
⬅ᬍЎ
uF/16V
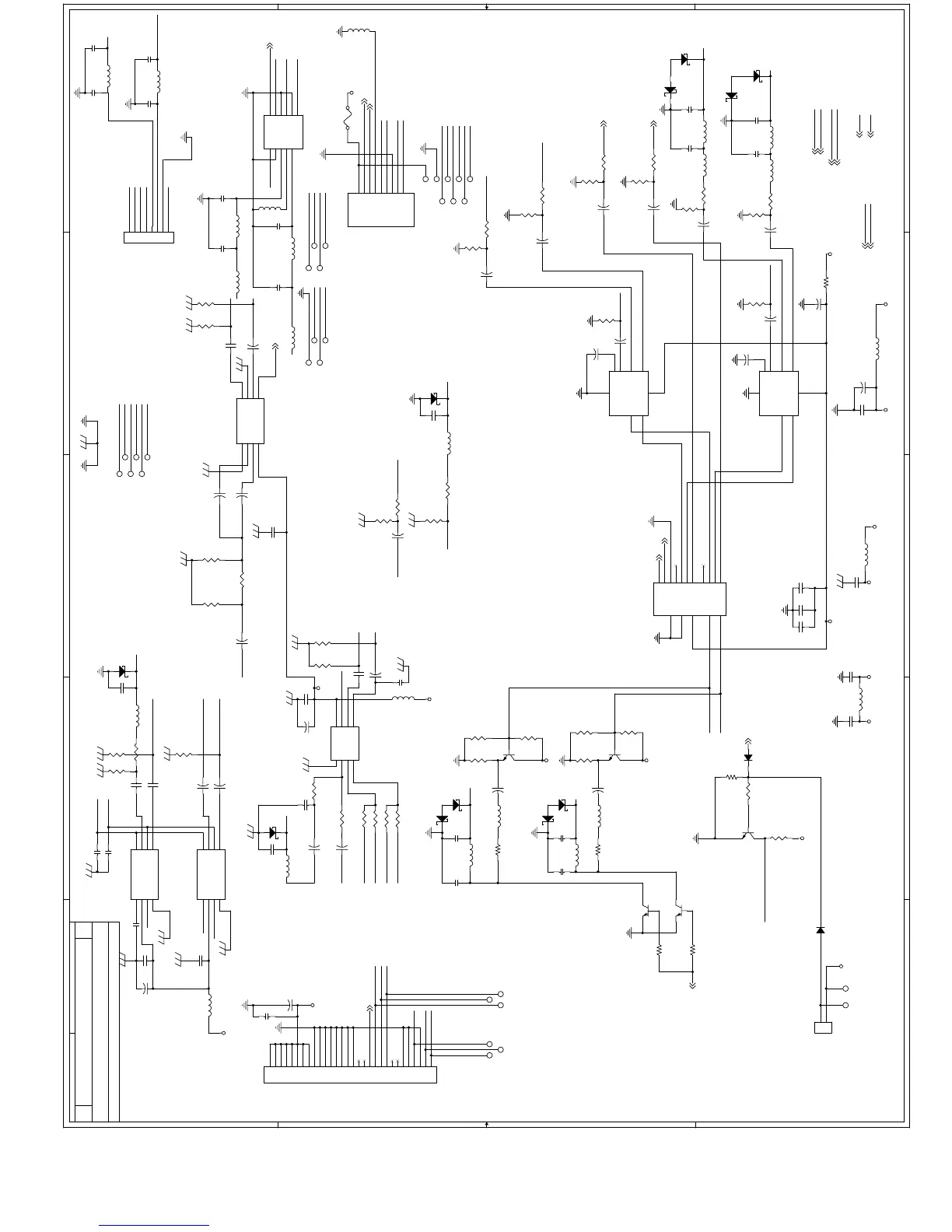
1-7 AUDIO&VIDEO
V0.8 EN2
MAINBOARD
C
79Thursday, July 06, 2006
Title
Size Document Number Rev
Date: Sheet
of
AUDIO_L
AVOUT_AR
AUDIO_R
TFT_CVBS
TFT_C
C
AVOUT_AL
SCK
DVD_AL
DVD_C1
SDA
TFT_Y
DVD_AR
DVD_Y1
GAME_AR
GAME_AL
AUX2_AL
AUX2_CVBS
AUX2_AR
GAME_CVBS
AUX1_AR
AUX1_AL
BACKLIGHT_ONOFF
BACKLIGHT_ONOFF
TFT_C
MUX2
Y/CVBS
AUX1_C
AUX1_Y/CVBS
AUX1_AL
REMOTE_IN
AUX1_AR
REMOTE_OUT1
AUX2_AL
REMOTE_OUT2
AUX2_AR
AVOUT_AR
AVOUT_CVBS
AVOUT_AL
AUX2_CVBS
GAME_AR
GAME_CVBS
AUX2_AL
GAME_AL
AUX2_CVBS
AUX2_AR
C_out
Y_out
AR
AL
AUX1_AR
AUX1_C
REMOTE_IN
AUX1_AL
AUX1_Y/CVBS
REMOTE_OUT1
CVBS3
REMOTE_OUT2
AVOUT_AR
Y
C_out
SCK
Y
AUX1_C
Y_out
C
SDA
CVBS2
AVOUT_AL
AVOUT_CVBS
AUX2_CVBS
TFT_CVBS
TFT_Y
Y/CVBS
GAME_CVBS
AUX1_Y/CVBS
DVD_Y1
CVBS2
DVD_C1
AL
AUX2_AUDIO_GND
MUX1
AUX2_AUDIO_GND
CVBS3DVD_CVBS
GAME_AL
GAME_AR
AUX2_AR
AUX2_AL
AUX1_AUDIO_GND
AUX1_AUDIO_GND
AUX2_AUDIO_GND AVOUT_CVBS
AR
AUDIO_R 3,4,8
DVD_AR6
DVD_AL6
SDA 3,9
SCK 3,9
REMOTE_OUT2
9
AUDIO_L 3,4,8
/RESET6,9
BK_ONOFF9
REMOTE_OUT19
REMOTE_IN8
Y_out 6
C_out 6
AR 4
AL 4
MUX1
9
MUX2
9
BK_ONOFF
7
AUDIO_MUTE
7,9
GND_AUDIO
VIDEO5V
GND_AUDIO
GND_AUDIO
8V
+12V_B
AUDIO9V
5V
AUDIO5V
5V
GND_AUDIO
VIDEO5V 5V
GND_AUDIO
GND_AUDIO
+12V_B
GND_AUDIO
GND_AUDIO
GND_AUDIO
GND_AUDIO
GND_AUDIO
GND_AUDIO
MCU33
GND_AUDIO
GND_AUDIO
AUDIO8V_ALC
VIDEO5V_
VIDEO5V_
AUDIO8V
AUDIO8V
AUDIO8V
GND_AUDIO
GND_AUDIO
GND_AUDIO
GND
GND_AUDIO
GND_AUDIO
GND_AUDIO
GND
GND
L10 FB0805
EC33
0R
R123
NC
R108
10K
EC84 22uF/16V
EC59
22uF/16V
TP31
1
J9
CON9/2.0MM
8
7
3
1
2
6
5
4
9
IR OUT
IR IN
V-GND
Y/CVBS
C
A-GND
AUDIO R
AUDIO L
+12V
R117
75
C1070.1UFTP39
1
TP33
1
Q23
2N3904
32
1
R99
10K
C53
100pF
R115 10
R104
100R
R113 75
TP38
1
R111
75
R109
470R
TP40
1
R191 10K
Q14
2SC2412
2
1 3
TP20
1
TP41
1
C108
100pF
C6
NC/39pF
EC6
0R
EL25 1K FB
1 2
C44
NC/39pF
EC49 10uF/16V
C46
NC/39pF
C104
0.1UF
C47
NC/39pF
D33
5.1V
R106
100k
R209
10k
R107
1K
R114 75
R102
470R
TP42
1
EMI10
FB(0805)
1 2
+
EC89
100uF/16V
TP11
1
EMI11
FB(0805)
1 2
R192
5.1K
R88
0R
C39
0.1uF
EL29
220R FB
1 2
C54
NC/39pF
C105
0.1UF
C56
NC/39pF
TP43
1
TP35
1
EMI8 FB
C40
0.1uF
C59
NC/39pF
R194 10
+
EC88 22uF/16V
TP37
1
C41
0.1uF
EC55
22uF/16V
C94 1n2
R93
NC
D21
5.1V
C95 1n2
R73
470R
D40
1N4148
D17
5.1V
C49
NC/39pF
EMI6 FB
J10
CON11/2.0MM
1
3
5
7
9
112
4
6
8
10
R124
75
U12
MC4052BD
12
14
15
11
1
5
2
4
6
10
9
13
3
16
8
7
X0
X1
X2
X3
Y0
Y1
Y2
Y3
INH
A
B
X
Y
VDD
VSS
VEE
R74
10K
C43
0.1uF
EC58
220uF/16V
TP51
1
C2
NC/39pF
C3
NC/39pF
TP50
1
D18
5.1V
D22
5.1V
EC37
47uF/16V
C38
0.1uF
C50
NC/39pF
C55 1UF
EMI3 FB
+
EC87 22uF/16V
J11
CON8/1.25MM
1
2
3
4
5
6
7
8
C63
NC/39pF
L25
FB(0805)
1
2
TP19
1
R119
NC
EL30
1K FB
1
2
EC35
10uF/16V
L24
FB(0805)
1 2
U17
BA7664FV
1
2
3
4 5
6
7
8
MUTEA
Yin
GND
Cin MUTEB
OUT2
OUT1
VCC
C60
100pF
D19
5.1V
D14
5.1V
R87
100k
R120
NC
U23
NJM2234M-DMP8
1
2
3
4
8
7
6
5
Vin1
SW1
Vin2
SW2
GND
Vout
VCC
Vin3
R211
24R
Q28
2N3904
C150
47PF
R125
75
U24
NJM2234M-DMP8
1
2
3
4
8
7
6
5
Vin1
SW1
Vin2
SW2
GND
Vout
VCC
Vin3
EC36
100uF/16V
C106 0.1UF
R85
0R
EC38
10uF/16V
R121 75
EC40
47uF/16V
C114
1n2
R122 75
D20
5.1V
EC39
22uF/16V
R193
NC
Q11
2SC2412
2
1 3
R100
100k
EMI2 FB
EMI4 FB
EC41
47uF/16V
TP44
1
D15
5.1V
C58
0.1UF
R126
75
R86
NC
EL24 1K FB
1 2
TP45
1
D16
5.1V
EL26 220R FB
1 2
C48 0.1uF
C51
NC/39pF
D13
5.1V
C52
NC/39pF
EMI1 FB
EC57
220uF/16V
TP25
1
TP46
1
R118 75
TP26
1
TP34
1
EC45
47uF/16V
Q27
2N3904
EMI5 FB
J8
CON30/FPC 1.0MM
1
2
3
4
5
6
7
8
9
10
11
12
13
14
15
16
17
18
19
20
21
22
23
24
25
26
27
28
29
30
R195
NC
C4
NC/39pF
R95
1K
C5
NC/39pF
TP32
1
R196
75
EL28
220R FB
1 2
L11FB
EC28
10uF/16V
TP49
1
F2 0.5A
EL27 220R FB
1 2
+
EC26
100uF/16V
TP27
1
D41
1N4148
TP28
1
EC46
10uF/16V
C151
47PF
TP36
1
TP47
1
R94
100k
EC56
470uF/25V
EC47
10uF/16V
EL23
1K FB
1
2
R110 10TP29
1
C42
0.1uF
U16
FMS6143
1
2
3
4 5
6
7
8
IN1
IN2
IN3
VCC GND
OUT3
OUT2
OUT1
+
EC90
22uF/16V
TP48
1
TP30
1
U13
BA3121F
1
2
3
4
5
6
7
8
OUT1
VM1
IN1
GND
IN2
VM2
OUT2
VCC
EC86 22uF/16V
R103
100R
R112 75
R76
470R
R105
470R
C62 1UF
EC50
10uF/16V
EC8
22uF/16V
L21FB
EC27
10uF/16V
J19
CON2/1.25MM
1
2
C132
0.01uF
EMI7
FB(0805)
1 2
R98
470R
R116 75
R78
10K
EMI9
FB(0805)
1 2
C57
0.1UF
U14
BA3121F_0
1
2
3
4
5
6
7
8
OUT1
VM1
IN1
GND
IN2
VM2
OUT2
VCC
ˋ

Other manuals for Alpine PKG-2000P

Related product manuals