EasyManua.ls Logo

Alpine PKG-2000P - Page 51

Alpine PKG-2000P
103 pages
Print Icon
To Next Page IconTo Next Page
To Next Page IconTo Next Page
To Previous Page IconTo Previous Page
To Previous Page IconTo Previous Page
Loading...
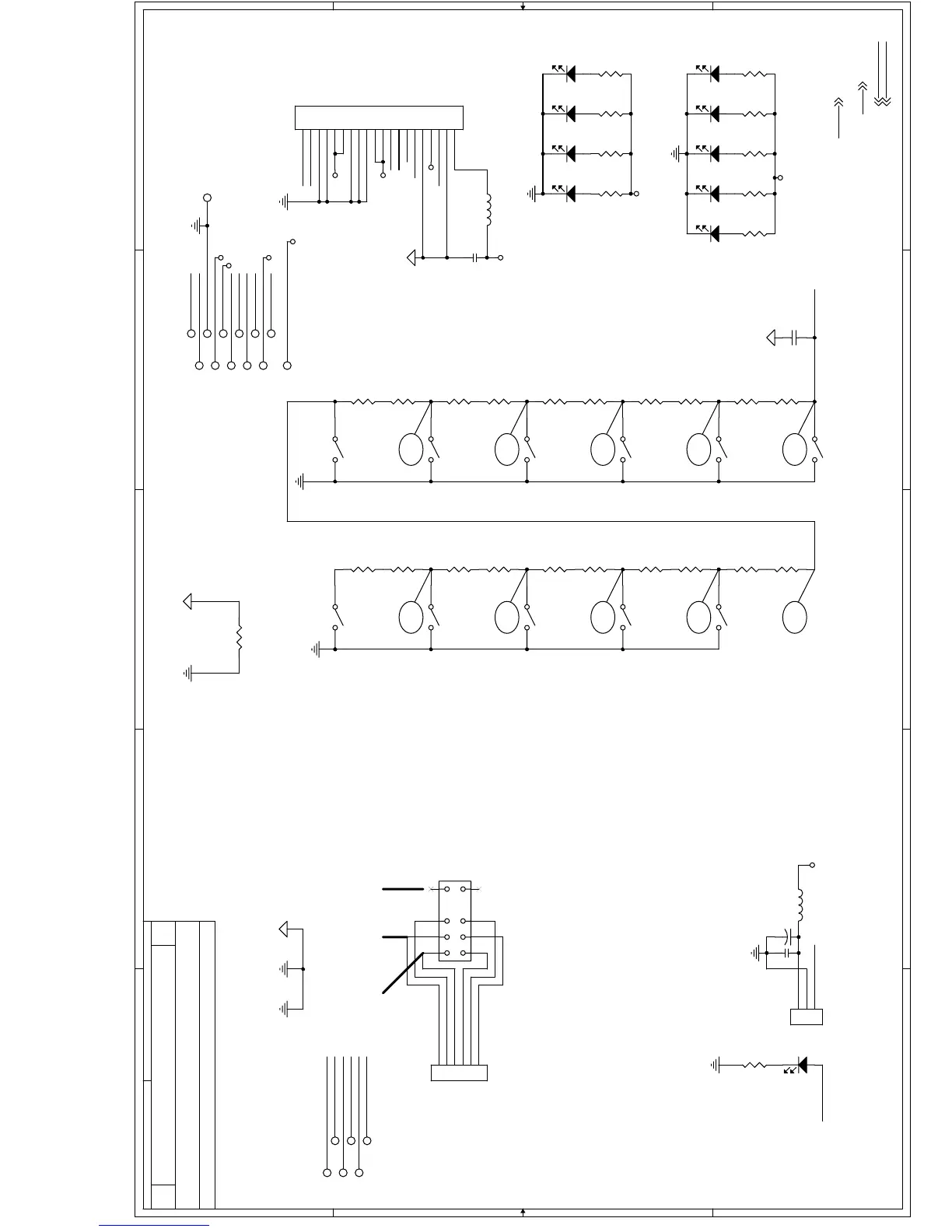
5
5
4
4
3
3
2
2
1
1
D D
C C
B B
A A
OFF DOOR ON
LEFTUP
SEL STOPMENU PLAY/PAUSE
SEL RITHTDOWN
SEL
STOP
MENU
PLAY/PAUSE
FW
REW
FW
REW
STOP
PLAY/PAUSE
MENU
0V
0.21V
0.42V
0.63V
0.84V
1.05V
1.26V
1.47
1.68V
1.89V
IR REPEATER 37.736K
MODULATER
4-2 FRONTKEY
V0.8 EN2
FRONTKEY BOARD
B
22Friday, July 07, 2006
Title
Size Document Number Rev
Date: Sheet
of
IR
AUDIO_L
AUDIO_R
IR_ONOFF
IR_FREQ_SEL
DP3T.1
DP3T.4
DP3T.7
DP3T.8
DP3T.5
DP3T.2
REMOTE_IN
AUDIO_L
ADC_KEY1
AUDIO_R
ADC_KEY1
IR_ONOFF
IR_FREQ_SEL
IR
REMOTE_IN
AUDIO_R
AUDIO_L
REMOTE_IN
IR_ONOFF
IR_FREQ_SEL
IR
ADC_KEY1
DP3T.4
DP3T.2
DP3T.7
DP3T.1
DP3T.5
DP3T.8
AUDIO_L 1
AUDIO_R 1
IR_FREQ_SEL1
IR_ONOFF1
5V_MCU
GND_AUDIOGND_AUDIO
5V
MCU3.3V
5V_MCU
5V
5V
GND_AUDIO
5V
8V
5V_MCU
MCU3.3V
12V
D15
LED-B
SW9
SW-6*6*2.5
1 2
TP11
1
SW5
SW-6*6*2.5
1 2
SW3
SW-6*6*2.5
1 2
D16
LED-B
R54
680R 1%
D11
LED-B
D10
LED-B
SW6
SW-6*6*2.5
1 2
TP16
1
C24
0.1uF
R43
75R 1%
U2
NEC SENSER
1
2
3
TP1
1
D17
LED-B
R59
15R 1%
R38
33R 1%
R58
1K 1%
L4 FB
D12
LED-B
R44
330
SW7
SW-6*6*2.5
1 2
TP15
1
R60
250R 1%
R33
330
C22
0.01uF
R45
330
R34
330
TP14
1
TP2
1
D18
LED-B
R40
470R 1%
R46
330
J2
CON20/1.25MM
1
2
3
4
5
6
7
8
9
10
11
12
13
14
15
16
17
18
19
20
TP21
1
R35
330
TP13
1
TP6
1
SW2
SW-6*6*2.5
1 2
R30
390R 1%
R42
47R 1%
TP7
1
L3 FB
D13
LED-B
TP3
1
SW12
SW-6*6*2.5
1 2
R
0R (0805)
R36
330
R47
330
D9
NC/IR LED
12
SW11
SW-6*6*2.5
1 2
TP8
1
TP12
1
R37
NC/33
D14
LED-B
R56
100R 1%
R53
150R 1%
J1
CON6/1.25MM
1
2
3
4
5
6
R32
330
EC6
10uF/16V
TP9
1
SW10
SW-6*6*2.5
1 2
TP18
1
C23
0.1uF
R39
240R 1%
R52
5.1R 1%
TP4
1
R61
9.1K 1%
TP17
1
TP5
1
R51
2.7K 1%
SW8
SLIDE-DP3T(SSV-23D07-G7)
7 68
1 2 3 4
5
R41
1.8K 1%
TP10
1
R55
4.3K 1%
R50
620R 1%
R31
1.1K 1%
SW1
SW-6*6*2.5
1 2
SW4
SW-6*6*2.5
1 2
R57
390R 1%
ˋ

Other manuals for Alpine PKG-2000P

Related product manuals