EasyManua.ls Logo

Alpine PKG-2000P - Page 50

Alpine PKG-2000P
103 pages
Print Icon
To Next Page IconTo Next Page
To Next Page IconTo Next Page
To Previous Page IconTo Previous Page
To Previous Page IconTo Previous Page
Loading...
5
5
4
4
3
3
2
2
1
1
D D
C C
B B
A A
2.8MHZ
HS2K219 +5V 50mA
3.8MHZ
2.3MHZ
IR TRANSMITTER LED 9V 100mA
3.2MHZ
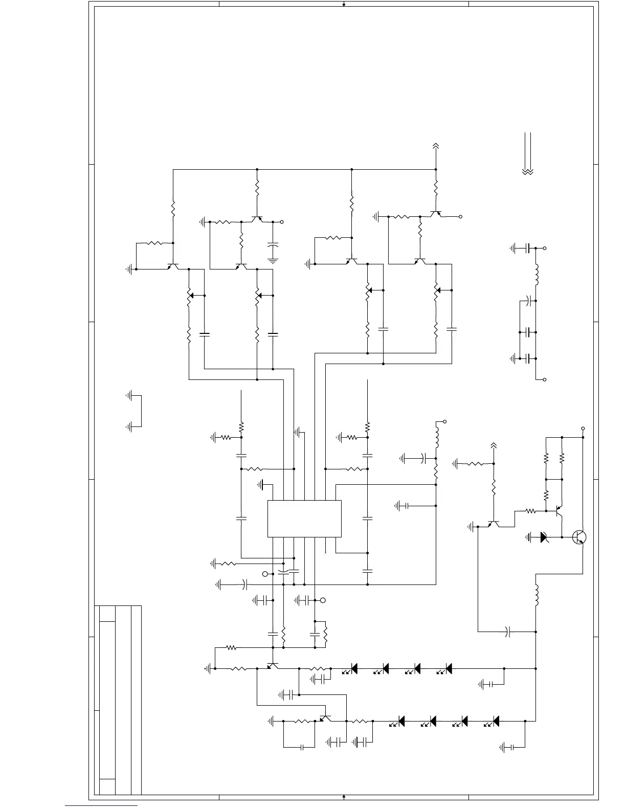
4-1 IR TRANSMITTER
V0.8 EN2
FRONTKEY BOARD
B
12Friday, July 07, 2006
Title
Size Document Number Rev
Date: Sheet
of
AUDIO_R
AUDIO_L
IR_ONOFF
IR_FREQ_SEL
AUDIO_L
AUDIO_R
IR_FREQ_SEL2
IR_ONOFF2
AUDIO_L 2
AUDIO_R 2
GND_AUDIO
GND_AUDIO
GND_AUDIO
GND_AUDIO
GND_AUDIO
GND_AUDIO
GND_AUDIO
GND_AUDIO
IR5V
GND_AUDIO
MCU3.3V
5V IR5V
GND_AUDIO
GND_AUDIO
GND_AUDIO
3.3V
GND_AUDIO
GND_AUDIO
GND_AUDIO
GND_AUDIO
GND_AUDIO
GND_AUDIO
GND_AUDIO
GND_AUDIO
GND_AUDIO
GND_AUDIO
GND_AUDIO
12V
GND_AUDIO
GND_AUDIO
GND_AUDIO
GND_AUDIO
GND_AUDIO
D6
IR LED
21
R16
10R
Q7
C5344SFY
1
2 3
R13
10K
VR3
10K
1 2
3
R10
3R3
C9
680pF
U1
HS2K219(SO14)
1
2
3
4
5
6
7 8
9
10
11
12
13
14
VDD
LIN
RES
VSS
RIN
RES
VSS FO2
TC1
TR2
VDD
FO1
NC
TR1
C36
10R
C11
100pF
EC7
NC
C17
100P
R24
10K
R14
NC
R6
47 (1206)
C18
330pF
Q6
C4672
1
2 3
C8
2200pF
TP20
1
C14 2200pF
C16 220pF
R21
680R
R48
18k
D3
IR LED
21
R15
3R3
R26 10K
Q1
2SD1758
1
2 3
D8
IR LED
21
R23
10K
C3
0.1uF
D2
IR LED
21
R22
10K
C2
0.1uF
EC2
100uF/16V
R27
10K
Q11
2N3906
R28
18k
R17
390K
EC3
47uF/16V
C21 220pF
R49
10k
R25
8.2k
R19
15k
VR4
10K
1 2
3
C12
680pF
VR1
10K
1 2
3
C15
680pF
Q5
2N3904
1
2 3
C34
0.1uF
C35
0.1uF
R29
10k
C1
0.1uF
R63
22k
VR2
10K
1 2
3
R62
NC
L5
FBM-10-201209-102(0805)
C6
1uF
Q9
2N3904
1
2 3
D7
IR LED
21
C19
1uF
C5 220pF
R7
10K
R12 10K
R9
10K
C13
330pF
Q8
2N3906
R11
56K
R20
56K
Q2
2N3904
1
2 3
C33
0.1uF
C20
1000pF
R4 10K
D5
IR LED
21
C7
1000pF
R1
10k
R18 10K
EC4 10uF/16V
R64 470R
R65 470R
EC5
47uF/16V
R5
15K
Q10
2N3904
1
2 3
R3
10K
EC1
47uF/16V
D21
12V
C4 220pF
Q3
2N3906
R8
10K
D1
IR LED
21
R2 10K
Q4
2N3904
1
2 3
D4
IR LED
21
TP19
1
L1 FB
C10
680pF
L2 80uH
ˋ

Other manuals for Alpine PKG-2000P

Related product manuals