EasyManua.ls Logo

Alpine X110 - Page 148

Alpine X110
255 pages
Print Icon
To Next Page IconTo Next Page
To Next Page IconTo Next Page
To Previous Page IconTo Previous Page
To Previous Page IconTo Previous Page
Loading...
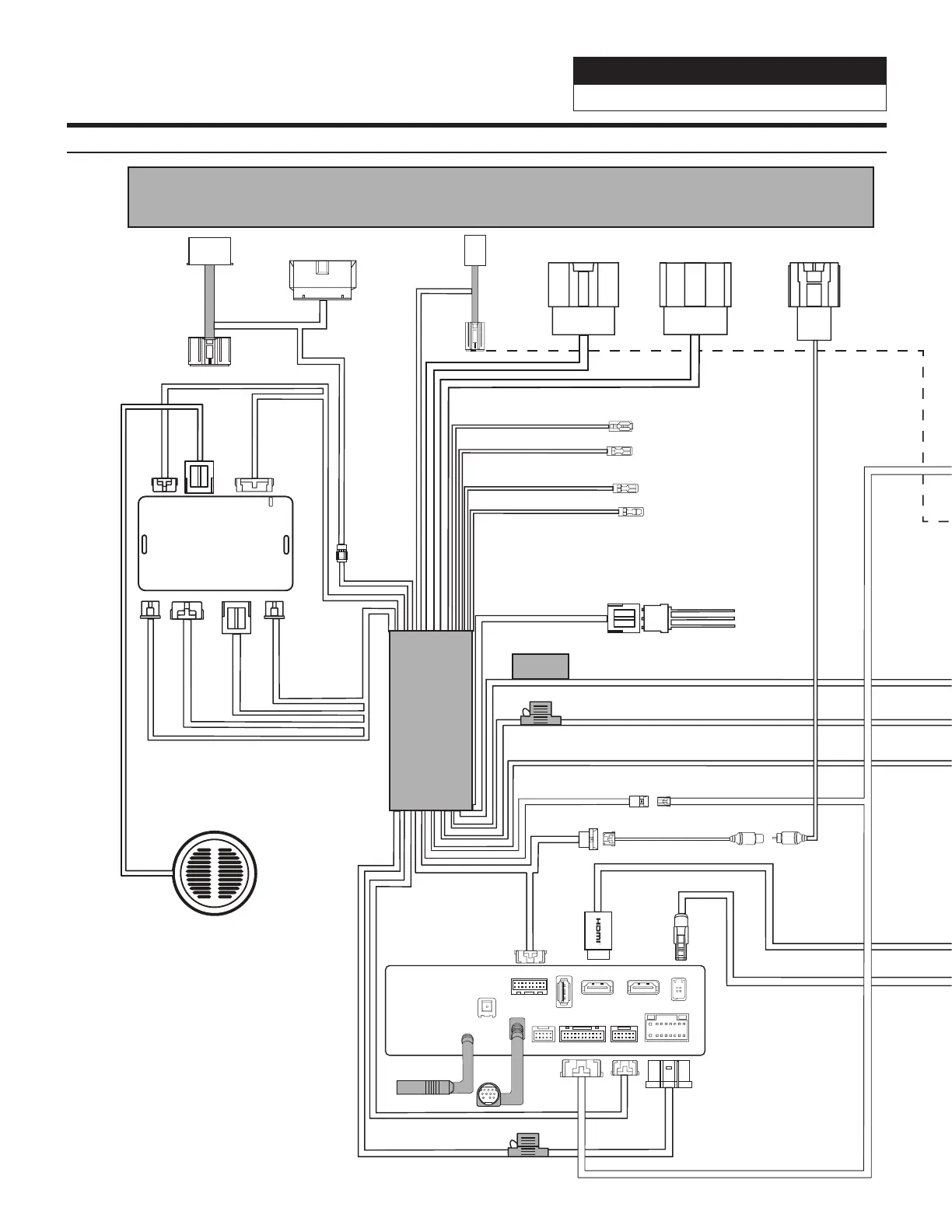
Chevrolet/GMC
FULL SIZE TRUCK z 10/17
To Vehicle Connectors
CAN I/F
GPS
USB
EXT. KEY W.REMOTE POWER
SXM/DAB
PRE OUT
DISP. OUT
HDMI IN HDMI OUT
ANTENNA
iDatalink MAESTRO Module
18-pin Black
Connector
10-pin Black
Connector
3-pin Black
Connector
(Audio)
10-pin Green
Connector
(Vehicle signals)
3-pin Black
Connector
(Power)
4-pin Black
Connector
(Data)
Steering Wheel
T-Harness
10-pin Black
Connector
To OBDII Connector
Power/Speaker
16-pin Green Connector
OEM Audio
20-pin Gray Connector
Main Harness
Blue Power Antenna
Blue/White Amp Turn-on
Direct Camera Input
Key Harness External Display
DVD Player
External Display Power
HDMI Selector Box
AUX Power Connector
Power Harness
Remote Harness
Climate Control
Brown Rear Mon. Remote Out
Brown/White Rear Mon. Remote In
To Climate
Controller
To Steering
Wheel
Black - Ground
Yellow -12V+
Red - Acc 12V+
10-pin Gray
Connector
Direct Camera Adapter
OEM Camera Adapter
12-pin Gray Connector
Chime Speaker
Key Harness
X110-G
X110-G Wiring Diagram

Table of Contents

Related product manuals