EasyManua.ls Logo

Alpine X800D - Conexiones

Alpine X800D
148 pages
Print Icon
To Next Page IconTo Next Page
To Next Page IconTo Next Page
To Previous Page IconTo Previous Page
To Previous Page IconTo Previous Page
Loading...
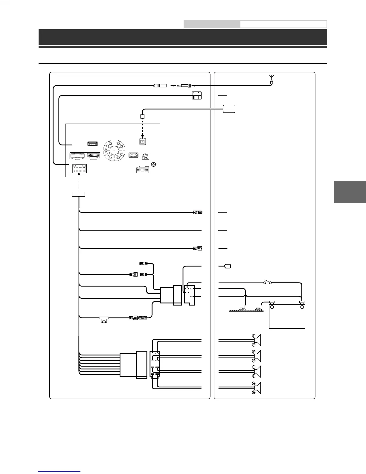
REMOTE TURN-ON
Antena
(Azul/Blanco)
REVERSE
(Naranja/Blanco)
PARKING BRAKE
(Verde)
(Verde/Negro)
Antena GPS (incluida)
Al amplificador o al ecualizador
Al polo positivo del cable de señal de la luz trasera
del coche
Al cable de señal del freno de mano
Posterior izquierdo
Frontal izquierdo
Frontal derecho
Posterior derecho
Altavoces
(Blanco)
(Blanco/Negro)
(Gris/Negro)
(Gris)
(Violeta/Negro)
(Violeta)
Batería
Llave de contacto
(Amarillo/Azul)
IGNITION
(Rojo)
BATTERY
(Amarillo)
GND
(Negro)
15A
Conector de antena ISO
A la antena eléctrica
POWER ANT
(Azul)
A un procesador de audio externo (PXA-H800, etc.)
ALPINE X800D QRG 68-24567Z63-A (ES)
13-ES
gle-
atería
r está
ntre
nta que
e rango,
miento
Manual de operación Conexiones
Conexiones
Conexiones 1/2

Table of Contents

Other manuals for Alpine X800D

Related product manuals