EasyManua.ls Logo

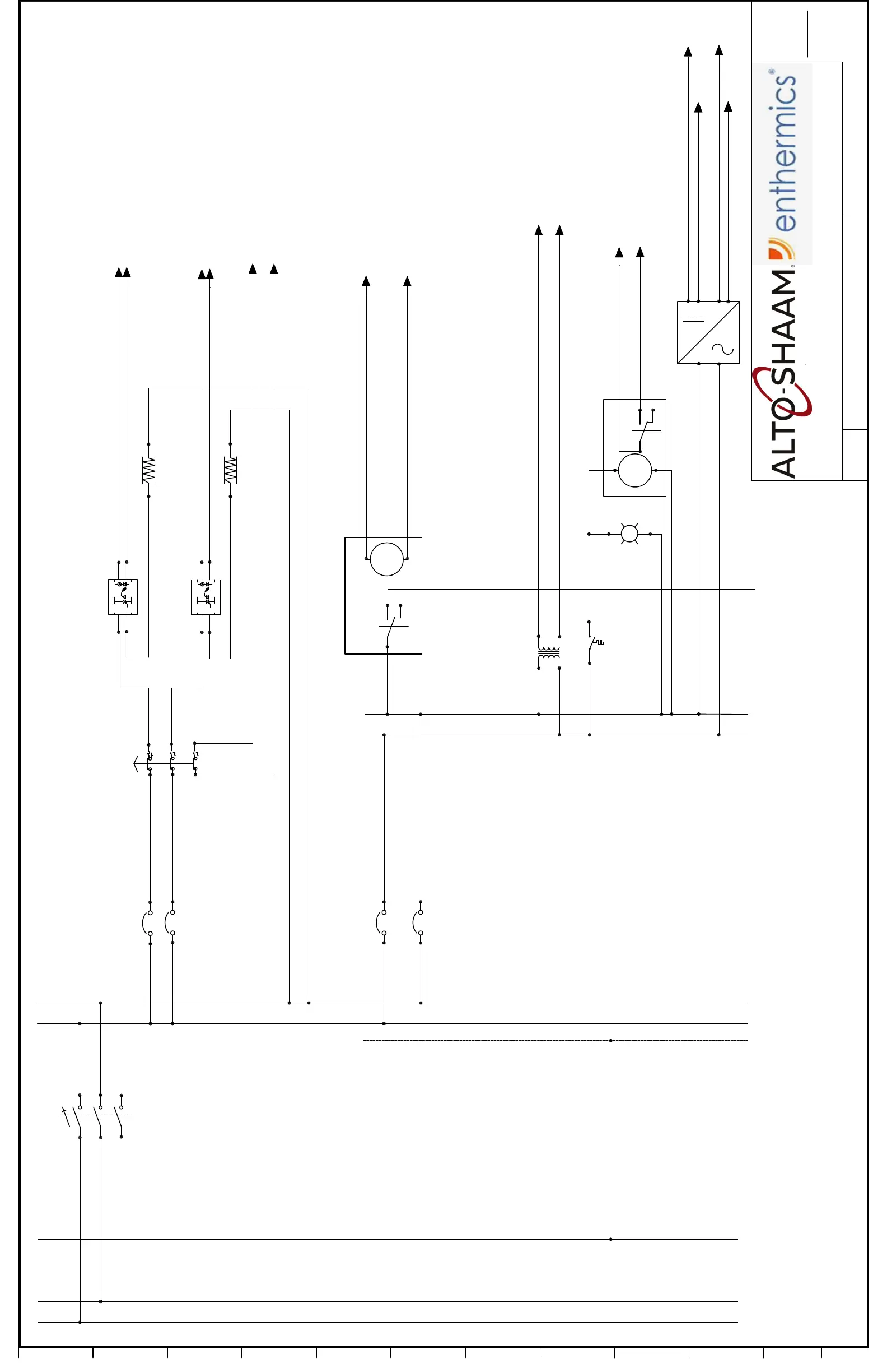
Alto-Shaam Vector VMC-H4H - Fan Indicator Light Issues

Alto-Shaam Vector VMC-H4H
138 pages
Print Icon
To Next Page IconTo Next Page
To Next Page IconTo Next Page
To Previous Page IconTo Previous Page
To Previous Page IconTo Previous Page
Loading...
SCHEME
REVISION
/
3
77654
3
6
12
11
10
9
8
7
6
5
4
3
2
1
MAIN POWER
TERMINAL BLOCK
In+
A1(+)
In-
A2(-)
Out
L1
Out
T1
In+
A1(+)
In-
A2(-)
Out
L1
Out
T1
1 2
1 2
L1
L2
GND
MAIN SWITCH
BREAKER 1
BREAKER 2
BREAKER 5
BREAKER 6
OVEN HIGH LIMIT
SSR 1
SSR 2
TO CONTROL BOARD
HEATER PIN
TO CONTROL BOARD
HEATER PIN
1
2
4
3
TO CONTROL BOARD
HEATER PIN
TO CONTROL BOARD
HEATER PIN
TO CONTROL BOARD P6
TO CONTROL BOARD P6
TB5
TB4
GND
TB6
TO CONTROL BOARD
P3
TO CONTROL BOARD
P3
3
4
05-12
05-12
05-12
05-12
05-9
05-7
05-7
HEATER 1
HEATER 2
TO CONTROL BOARD
J30-3
TO CONTROL BOARD
J33-4
TO CONTROL BOARD P3-7
TO CONTROL BOARD
P21-3
TO CONTROL BOARD
P21-2
Secondary
12VAC
TRANSFORMER
A1
A2
TO CONTROL BOARD P3-8
CLOSED ON RISE
130F
RL-COOLING FAN
A1A2
COOLING FAN INDICATOR
COM
NO
TO ON/OFF P1
TO ON/OFF P1
12VDC
0VDC
A1
A2
RL2
COOLING FAN RLY
COM
NO
12VDC
TB2
TB1
06-11
06-11
06-11
06-11
06-6
06-6
05-11
05-10
06-10
06-10
05-7
06-7
06-9
06-8
05-9
05-5
05-706-7
05-3
05-3
06-3
06-3
06-12
05-5
06-12

Table of Contents

Other manuals for Alto-Shaam Vector VMC-H4H

Related product manuals