EasyManua.ls Logo

Amada IPB-5000B - Page 18

Default Icon
131 pages
Print Icon
To Next Page IconTo Next Page
To Next Page IconTo Next Page
To Previous Page IconTo Previous Page
To Previous Page IconTo Previous Page
Loading...
IPB-5000B
5. Installation and Connection
5-2
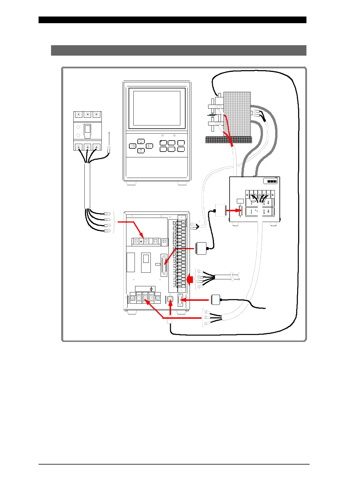
(2) Connection
Numerals of (1) to (8) in the above figure represent the order of connection
procedures in the following pages.
* 1: All items are separately sold except IPB-5000B.
* 2: The Voltage Detecting Cable is used only for Constant Voltage Control,
Constant Current/Constant Voltage Combination Control and Constant Power
Control.
* 3: Communication Cable is used only for connecting Personal Computer (PC).
* 4: Displacement Sensor is used only for the model equipped with the Sensor.
To Ground (G)
Earth
Leakage
Breaker(40A)
Input
Cable
Welding Head
IPB-5000B
POWERSTART
CU RSO R
WE LD MEN U RE SET
EN TER
11 37353331292725232119171513975
383634323028262422201816141210864
STOP
1ST
2ND
COM
SCH1
SCH4
SCH8
SCH16
SCH32
SCH2
SCH64
INT.24V
EXT.COM
WELDON/OFF
ERRORRESET
COM
COM
GOOD
NG
END
CAUTION
COUNTUP
READY
OUTCOM
OUTCOM
SOL1
SOL2
SOLCOM
PRGPROTECT
39
PARITY
(WE1STOP)
COM
W.INTERRUPT
P-00281-001
COUNTRESET
C ONT ROL SI G
2
31
(OPTION1)
(OPTION2)
SOLPOWER
(OPTION4)
(OPTION 5)
(OPTION3)
POWER OUT
P-1463
VU
I/O
SENS
SERIAL
NO.
JAPAN
MIYACHI TECHNOS CORP.
MADE
IN
A1
12 34
インバータ出電圧30V時
FORINVERTEROUTPUT300V
インバータ出電圧600V
FORINVE RTEROUTPUT600V
POWER SUPPLY VOLTAG EPOWER SUPPLY VOLTAGE
AC380V~AC480C200V~AC240V
L1 L2 L3 PE
Front Panel
Rear Panel
Voltage
Detecting
Cable
*2
Secondary
Cable
Welding
Transformer
Input Terminal Block
Output
Cable
(Refer to Caution
at next page.)
[SENS] Cable
External I/O
Signal Cable
Match the designaton
of cable with terminal
for connection
*1
Start
Cable
(1)
(6)
(5)
(4)
(3)
(2)
(7)
(8)
Communication
Cable *3
Displacement
Sensor *4
To PC

Related product manuals