EasyManua.ls Logo

AMD ATHLON 8 - Page 64

AMD ATHLON 8
106 pages
Print Icon
To Next Page IconTo Next Page
To Next Page IconTo Next Page
To Previous Page IconTo Previous Page
To Previous Page IconTo Previous Page
Loading...
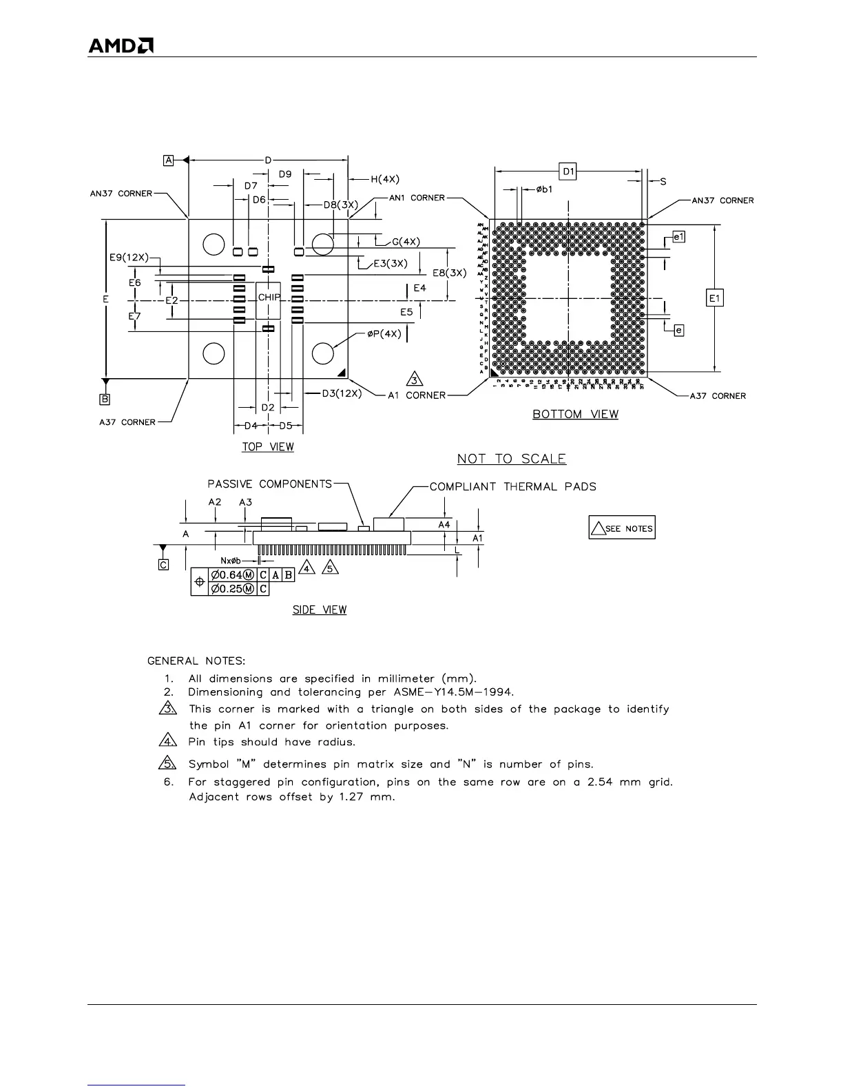
52 Mechanical Data Chapter 10
AMD Athlon™ XP Processor Model 8 Data Sheet 25175HMarch 2003
Preliminary Information
Figure 14. AMD Athlon™ XP Processor Model 8 Part Number 27291 OPGA Package

Table of Contents

Related product manuals