EasyManua.ls Logo

American Dynamics AD2089 - AD2089 Keyboard to AD1024 CPU

American Dynamics AD2089
60 pages
Print Icon
To Next Page IconTo Next Page
To Next Page IconTo Next Page
To Previous Page IconTo Previous Page
To Previous Page IconTo Previous Page
Loading...
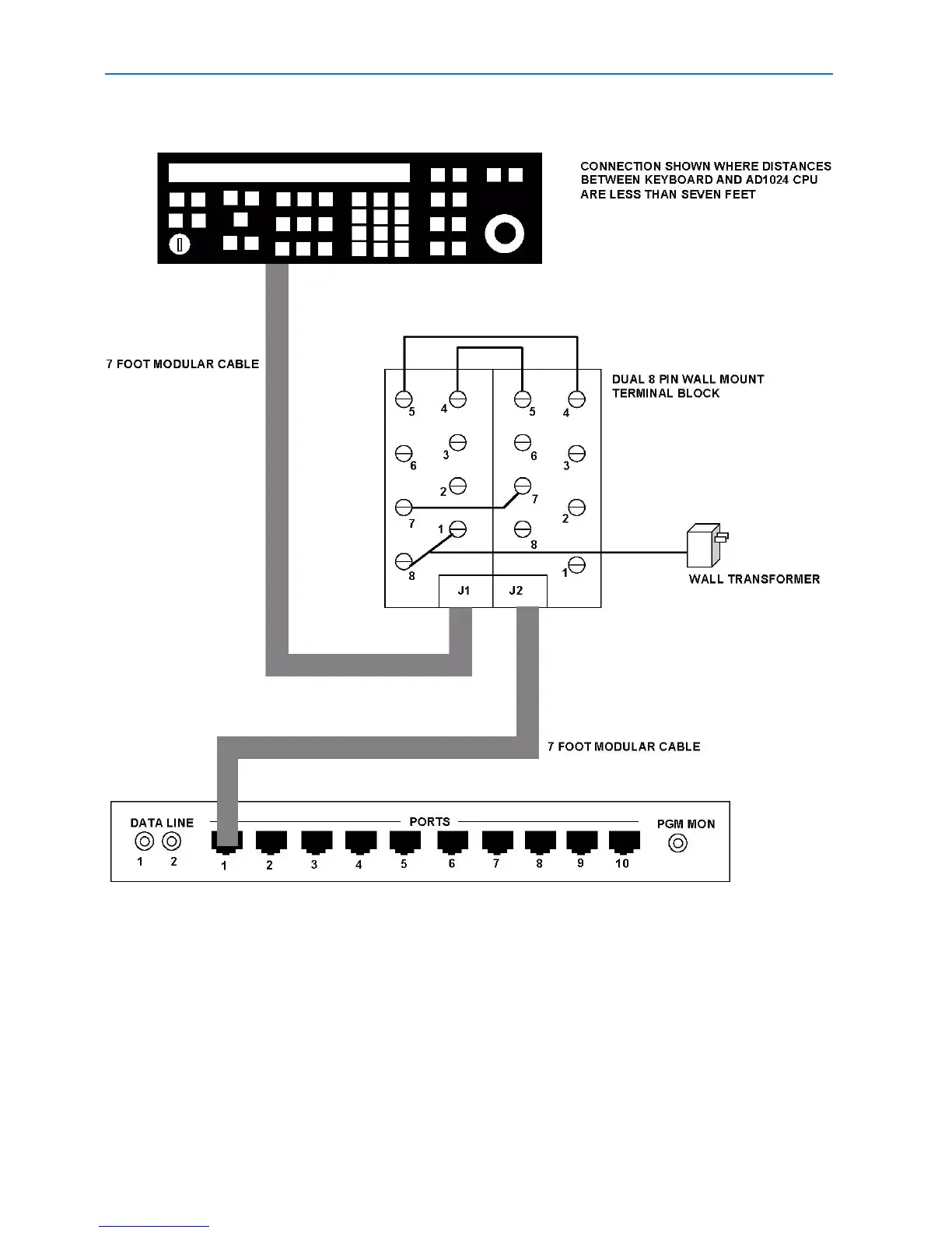
Typical System Connections
32 AD2089 Operator’s Manual
AD2089 Keyboard to AD1024 CPU
AD1024CPU
AD2089

Table of Contents

Other manuals for American Dynamics AD2089

Related product manuals