EasyManua.ls Logo

American Eagle AE-20(A) - Controls Illustrations

Default Icon
16 pages
Print Icon
To Next Page IconTo Next Page
To Next Page IconTo Next Page
To Previous Page IconTo Previous Page
To Previous Page IconTo Previous Page
Loading...
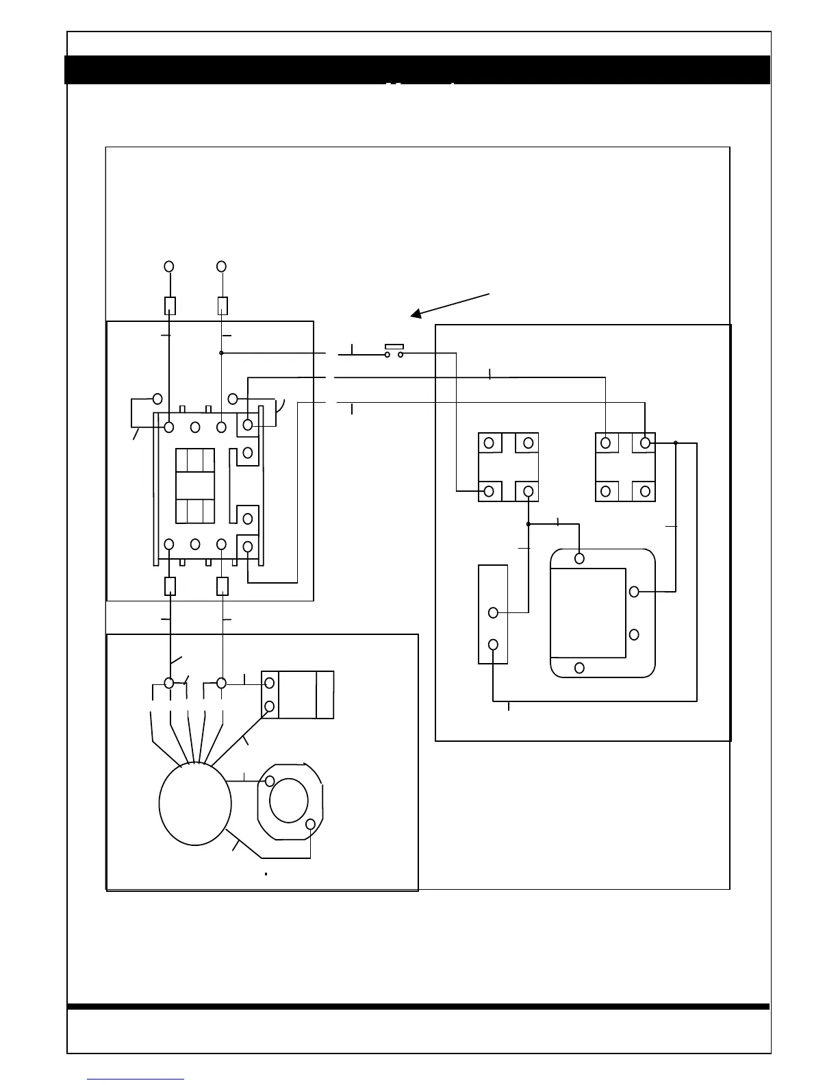
American Eagle Food Machinery, Inc. AE-20, 30, 40P(A) Owner’s
Ml
14
© Copyright 1998 American Eagle Food Machinery, Inc. All Rights Reserved
A2
14
MC
L1 L2
13
1
3
2
TIMER
1
SW
1
2
2
START
STOP
13
14
21
22
M
OTO
R
51342
CAPACITOR
GOVERNOR
W
HIT
E
BLACK
BLUE
BLACK
W
HIT
E
RED
BLUE
BLUE
BLACK
BLUE
YELLOW
YELLOW
YELLOW
YELLOW
YELLOW
YELLOW
YELLOW
YELLOW
YELLOW
R
T
U
W
L.S
AE- 20A, AE-30A AND AE-40PA SINGLE PHASE, TIMER & GUAR
D
z
AE-30 AND AE-40P W/O L. S.

Related product manuals