EasyManua.ls Logo

Ameristar M4THM1518A - Page 27

Default Icon
40 pages
Print Icon
To Next Page IconTo Next Page
To Next Page IconTo Next Page
To Previous Page IconTo Previous Page
To Previous Page IconTo Previous Page
Loading...
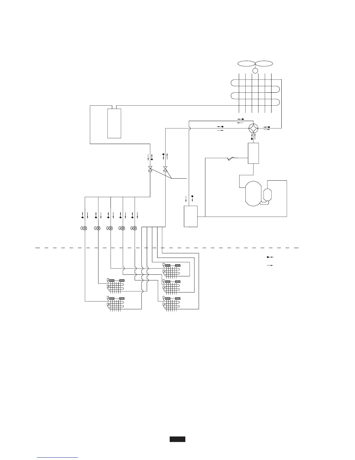
Refrigerant System Diagram 36K, 42K
M
Liquid Receiver
Outdoor Unit
Indoor Unit
Heat Exchanger
Heat Exchanger
Heat Exchanger
Heat Exchanger
Heat Exchanger
Heat Exchanger
Heating
Cooling
Compressor
Gas/Liquid Separator
Stop Valve
Four-way Valve
Capillary
Oil Separator
Electronic
Expansion V
alve
27
15 Series Multi-Split

Related product manuals