EasyManua.ls Logo

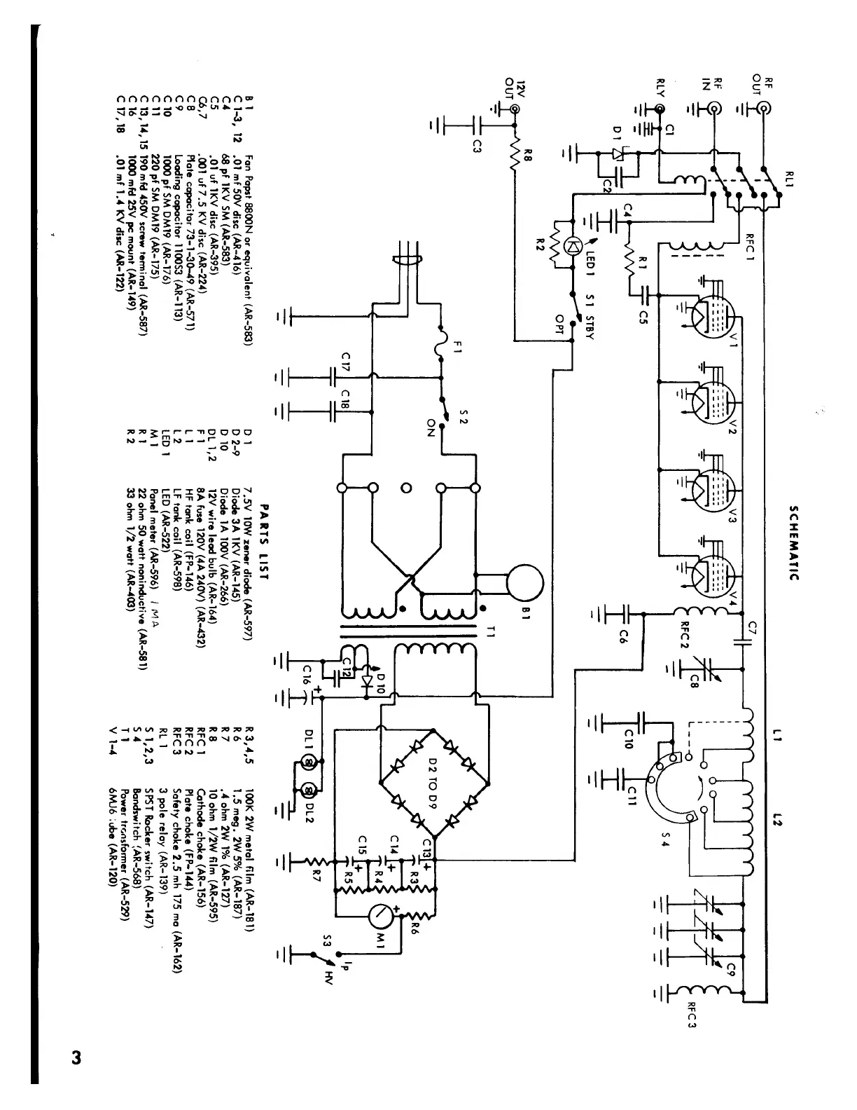
AMERITRON AL-84 - Schematic; Parts List

AMERITRON AL-84
4 pages
Print Icon
To Previous Page IconTo Previous Page
To Previous Page IconTo Previous Page
Loading...
Downloaded by
Amateur Radio Directory

Related product manuals