EasyManua.ls Logo

Ammann ARX 36 - ARX 4 Wiring Diagram

Ammann ARX 36
152 pages
Print Icon
To Next Page IconTo Next Page
To Next Page IconTo Next Page
To Previous Page IconTo Previous Page
To Previous Page IconTo Previous Page
Loading...
140 ARX 4
1208531 | 03.07.2012
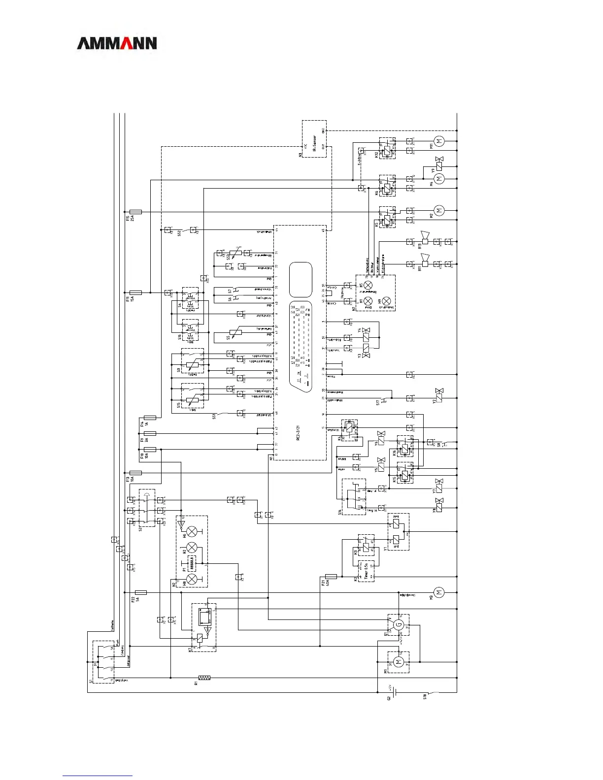
14.1 Wiring diagram, ARX 4
Fig. 14-1 Wiring diagram no. 1202835-1

Table of Contents

Related product manuals