EasyManua.ls Logo

Ammann ASC 100 - Electrical Schematics and Diagrams; Main Electrical Layouts

Ammann ASC 100
95 pages
Print Icon
To Next Page IconTo Next Page
To Next Page IconTo Next Page
To Previous Page IconTo Previous Page
To Previous Page IconTo Previous Page
Loading...
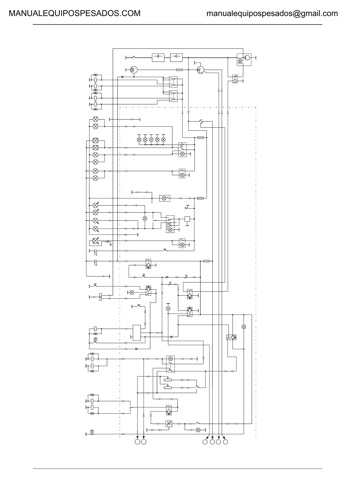
235ASC 70 / 90 / 100 / 110 / 130 / 150 / 200 / 250
WORKSHOP MANUAL
G
X11:3
A
B
C
D
E
F
S17
A2
V3
E8
E9
S5
S35
Y6
K3
S12
S13
H6
Y9
Y10
K7
H7
R1
R2
M2
F7
E4
E5
Y1
Y2
E2
E1
F1
S4
S3
E3
E6
E7
Y3
Y4
Q1
G1 G2
G3
K1
S1
M1
S2
M
M
X27
X1
H1 S7
E10
E11
E12
E13
E15
H2
E14
F2
A1
S8
S9
S6
Y5
V2
K2
H3
H4
K4
K5
H5
V1
K6
S10
S11
S14
S15
F3
Y7
Y14
S16
S19
S20
S21
S18
X11:5
X11:4
STOP UB INP
OUT
GND
X14:3
NC COM
CNO
X4:1
X19:1
X19:2
X18:5
X18:3
X18:4
X18:1
X18:2
X9:4
1
5
4
2
3
X10:1 X9:1
X9:2X10:2
X6:1
X3:5
X3:4
X3:3
X3:2
X23:2
X23:1
X2
X3:1
12V
12V
50A
- -+ +
1
1
1
7
7
8
8
8
6
9
2
2
20A
2
10
4
4
3
31
31
30
30
B-
B+
D+
W
50
50
3
3
30 15/54
50a
10 A
X9:5
X9:3
X10:4
X10:3
X25:7,8
X10:5
X10:7
X3:6
X9:7
X3:7
X3:8
X3:9
X5:5
1
1
1
1
1
10
10
10
9
5
5
5
5
5
7
8
6
2
49
49a
3
9
31
1
5
X14:8 X12:8
X11:1
X13:2X13:1
X19:4
X18:6,7
X3:10
X3:11
X4:2
X4:3
X4:4
X11:2
X13:3
X13:4
1
1
1
1
1
5
5
5
5
4
4
CNC
7,5A
2
2
2
2
2
3
3
3
3
X4:5
X12:6
X12:4
X13:11 X11:11
X14:4
X13:5
X13:6
X11:11 X11:6
X11:7
X7:1
X8:3
X8:2 X8:4
X12:5X14:5
X14:6
X14:7
X4:7
X4:8
X5:1
X12:7
X14:2
X14:1
X12:2
1
1
7
1
A1
A3
A2
A4
5
5
5
6
470R
330R
B
R
M
2
2
8
9 10
3
X12:3
282es01c
MANUALEQUIPOSPESADOS.COM manualequipospesados@gmail.com

Related product manuals