EasyManua.ls Logo

AMSTRAD CTM644 - GT65 Monitor Circuit Diagram

Default Icon
31 pages
Print Icon
To Next Page IconTo Next Page
To Next Page IconTo Next Page
To Previous Page IconTo Previous Page
To Previous Page IconTo Previous Page
Loading...
G)
-I
en
01
()
::xJ
()
C
-I
C
»
C)
::xJ
»
:s:
~
~
ElREEH
~ITCft
DISPlAY'tl.I£
V?OI
91oote11
~
,
~~~R~--
------.-~I..:3
..
~
~~
[
~$~
~ ~
0
~ ~ ~
~
~
~
~
5
B
~
L701
71011202
j----
0712
25V10 CI-f")
L702
II~
2.0IXXl0B
~it
O~~
...
,""
~~"1i::_i~L!~tF
:::
~y~
~1
i~ij!l..:3
r---------------
t"1~7
FF.!4
. -
~
:
60"'"
••
;;(
1/210
~ ~
- !
r-
",,1.Ii®
~I
! L
..
~ ~
; 6 iiJ
;~~
0.9-1.9
""""-'ST
;H
;H
1
;a
j~~
~~~2.6
"'
~18
~
-
J8
~r
J8
~r
~
<:060'
I....,..,.
+tj
<:060,
00E"10l10'
~~
0&>1:""
=j
~
.0
1f2lO
r-
~
':,'';:'
~ ~
§
~
@>
~
'"
.;;::,., I I
,---«.;;
"I
1!·
i "
;t---"R?Z!~'=-lf)
J;'Jl:,.®
~~'5
3SO
II
tf1
~
9~
,
~~
~
',.
,~
i "
,;
'1
~;;;;,I
__________________
j ,j,
20.2003
TP501
'"M501
6P<XXXX1'
""'"
6P<XXXX11
CAUTION'
SINCE
Tl-lESE PARTS
MARKED
BY & ARE
CRITICAL
FOR
SAFETY,
USE
ONES
DESCRIBED
Oi~
PARTS
LIST
ONLY.
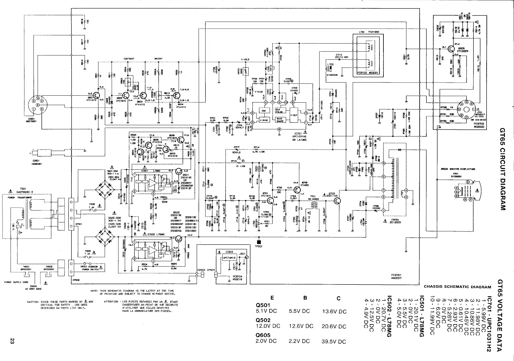
CHASSIS
SCHEMATIC
DIAGRAM
PCB701
MMDOO?
~
il'JJ
~
~YaR)
I I
Lh
C0602
AC
22SV
wa
N
(,J
NOTE:
THIS
SCHEM
....
TIC
DIAGRAM
IS
THE
LATEST
AT
THE
TIME
OF
PRINTING
AND
SUBJECT
TO
CHANGE
WITHruT NOTICE.
ATTENTION'
lES
PIECES
REPAREES
PAR
UN.Lh
ETANT
DANGEREUSES
AN
POINT
DE
VUE
SECt.RITE
N'UTlLISER
QUE
CaLES
DECRITES
DANS
LA
NCJ.ENCLA
Tl.RE
DES
PIECES.
E
0501
5.1
V DC
0502
12.0V DC
0605
2.0V DC
B
5.5V DC
12.6V DC
2.2V DC
c
13.6V DC
20.6V DC
39.5V
DC
.j:>.WI\)~n
I I , I
<.n
.j:>.~OI\)O
eo
I\)
<01\)
<i.no~':'
o<o<~
00
om
o os::
G')
.j:>.WI\)~n
I I I I UI
(Jl(Jl01\)~
oi.n<o
«0:....·
Ooo<~
00
om
os::
G')
OCD;::P--.J(j)(Jl.j:>.WI\)~n
I I I I I I I I I I
'""'"
~(j)0(Jl1\)0~~~(Jl~
:-"o<i\)eom99:-"eo.
CD<O(j)W~.j:>.())CDCD
CDOO«<(Jl(j)())<C:
<0
000«<0'"
o
ooooooo~
o
000
0
to)
....
J:
I\)
C)
-I
en
01
<
o
r-
-I
»
G)
m
c
»
-I
»

Related product manuals