EasyManua.ls Logo

Anern 3.2KW - Battery Connection

Default Icon
37 pages
Print Icon
To Next Page IconTo Next Page
To Next Page IconTo Next Page
To Previous Page IconTo Previous Page
To Previous Page IconTo Previous Page
Loading...
8
4.4 Battery Connection
CAUTION: For safety operation and regulation compliance, it’s requested to install a separate DC over-current
protector or disconnect device between battery and inverter. It may not be requested to have a disconnect
device in some applications, however, its still requested to have over-current protection installed. Please refer
to typical amperage in below table as required fuse or breaker size.
WARNING! All wiring must be performed by a qualified personnel.
WARNING! It's very important for system safety and efficient operation to use appropriate cable for battery
connection. To reduce risk of injury, please use the proper recommended cable as below.
If the customer chooses the external battery.
Recommended battery cable size:
Model Wire Size
Cable (mm
2
)
Torque valuemax
3.2KW/5KW 1 x 2AWG 35 2 Nm
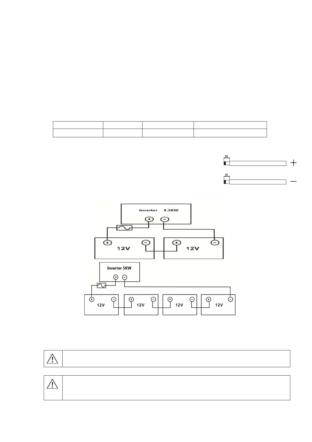
Please follow below steps to implement battery connection:
1. Remove insulation sleeve 18 mm for positive and negative conductors.
2. Suggest to put bootlace ferrules on the end of positive and negative wires
with a proper crimping tool.
3. Fix strain relief plate to the inverter by supplied screws as shown in below
chart.
4. Connect all battery packs as below chart.
5.
.Insert the battery wire flat into the DC breaker input side to ensure that the bolt is tightened 2nm clockwise.
Ensure that the polarity between the battery and the inverter / charging is connected correctly, and the wire is
tightly screwed into the DC breaker terminal.
WARNING: Shock Hazard
Installation must be performed with care due to high battery voltage in series.
CAUTION!!
Before making the final DC connection or closing DC breaker/disconnector, be sure
positive (+) must be connected to positive (+) and negative (-) must be connected to negative
(-).
Web: anern-marketing.com | Email: marketing@anern.com | Whatsapp: +86 13058030989