EasyManua.ls Logo

AOC M19W531 - Page 32

AOC M19W531
68 pages
Print Icon
To Next Page IconTo Next Page
To Next Page IconTo Next Page
To Previous Page IconTo Previous Page
To Previous Page IconTo Previous Page
Loading...
19" LCD Color Monitor AOC M19W531
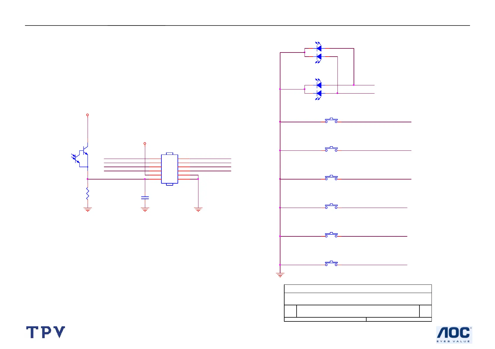
5.3 Key Board
CN101
CONN
2
4
6
8
10
12
1
3
5
7
9
11
SW102
SW
MCU5V
C101
1uF/16V
LED102
LED
3
4
1
2
SW101
SW
KEY _POWER
KEY _AUTO
LEDY
KEY _UP
LEDY
SW105
SW
MCU 5V
KEY_MENU
LED101
LED
3
4
1
2
SW104
SW
T1988-1-X-X-1-061212
1.1A
22Tuesday , December 12, 2006
Tit le
Size Document Number Rev
Date: Sheet
of
R101
1K 1/10W
LEDG
KEY_SOURCE
KEY_POWER
KEY_AUTO
AOC (Top Victory) Electronics Co., Ltd.
02.KEY
KEY_UP
SW103
SW
LEDG
KEY_SOURCE
KEY _DOWN
KEY _MENU
SW106
SW
Light_Sensor
KEY_DOWN
LED103
12
32

Related product manuals