EasyManua.ls Logo

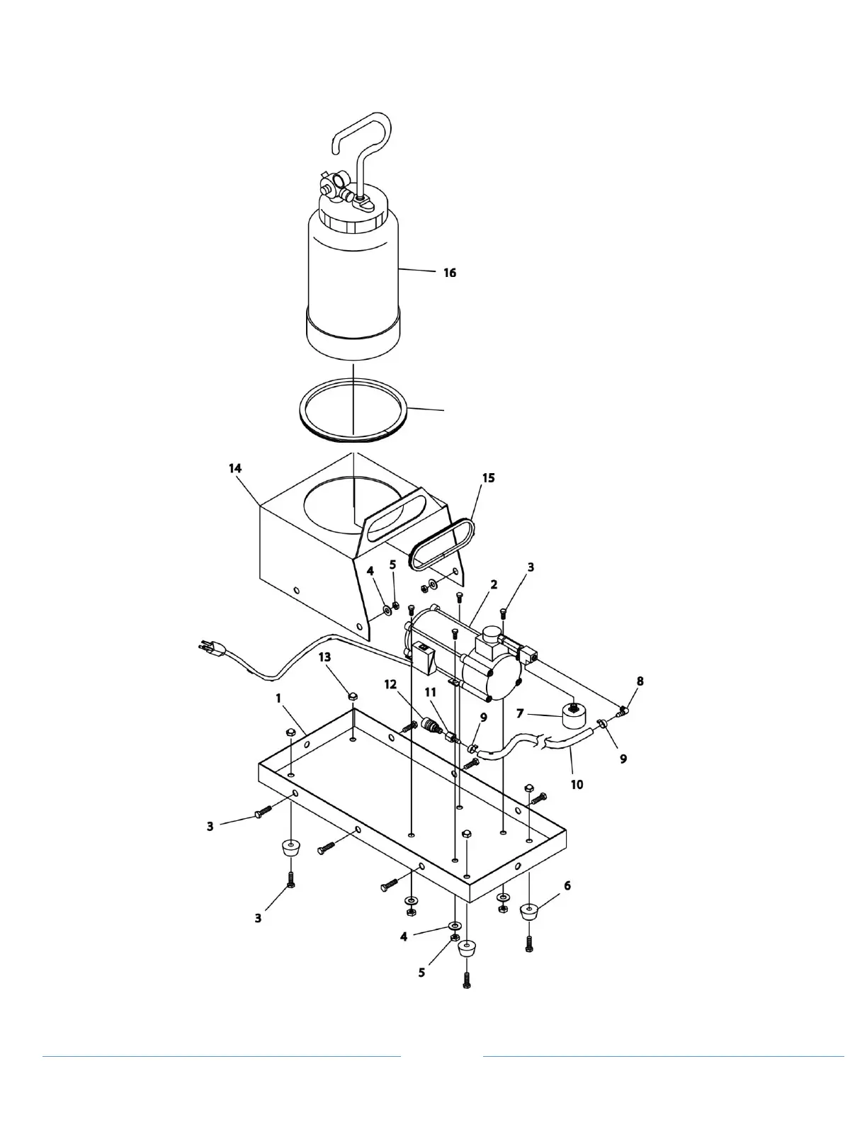
Apollo Sprayers PRECISION-5 PRO Limited Edition PLUS - Model 4500; Model 4500 Exploded View

Default Icon
25 pages
Print Icon
To Next Page IconTo Next Page
To Next Page IconTo Next Page
To Previous Page IconTo Previous Page
To Previous Page IconTo Previous Page
Loading...
10
Model 4500
15
Page
18

Related product manuals