EasyManua.ls Logo

APPLIED ACOUSTICS CSPP - Changing a Thyristor Module in the Field

APPLIED ACOUSTICS CSPP
59 pages
Print Icon
To Next Page IconTo Next Page
To Next Page IconTo Next Page
To Previous Page IconTo Previous Page
To Previous Page IconTo Previous Page
Loading...
CSPP Capacitor Charging Unit Operation Manual
CSP-CSPP-8000/2
_________________________________________________________________________________________________________
__________________________________________________________________________________________________________
Page 40 of 59
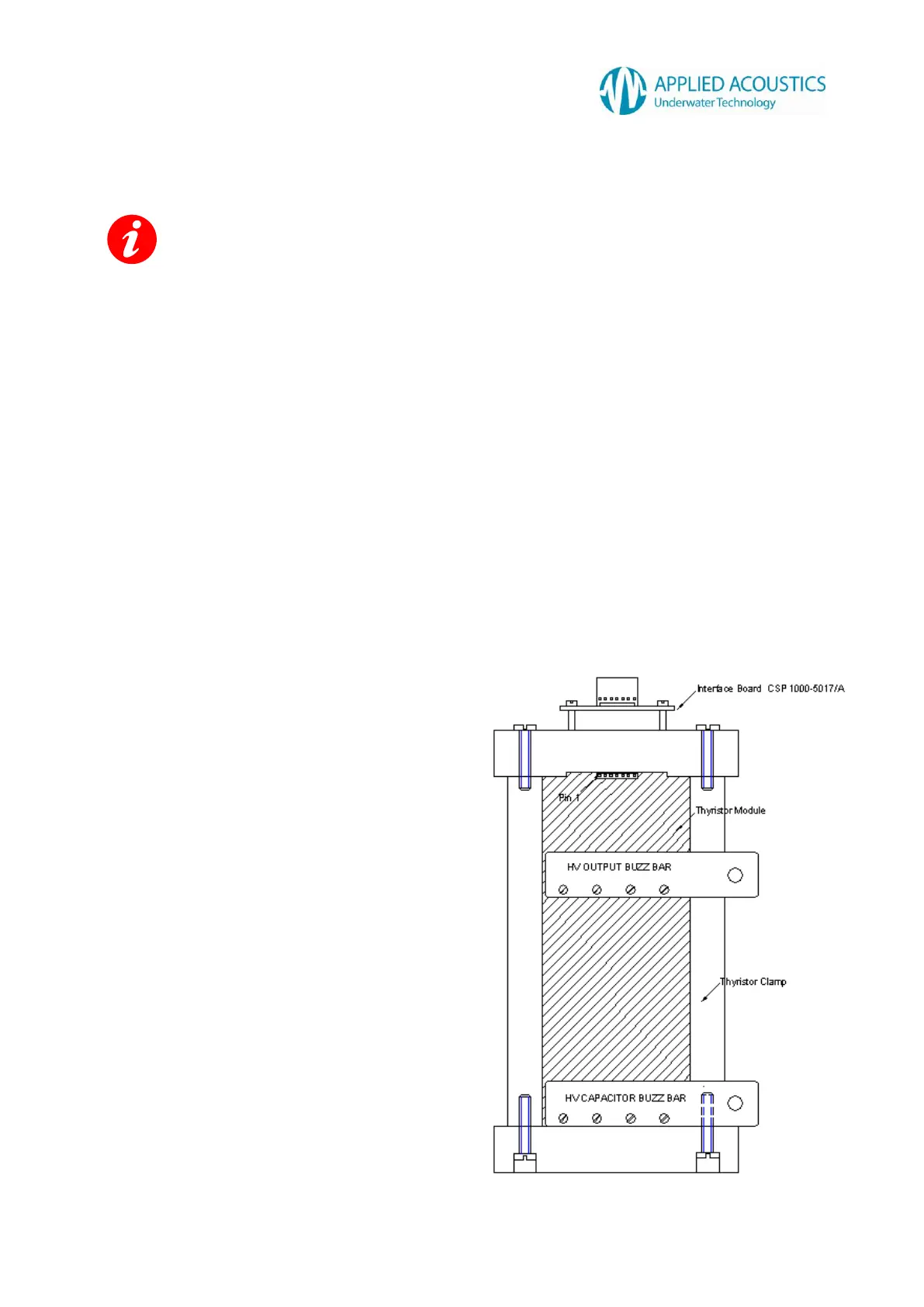
7. Changing a Thyristor ‘Module’ in the Field
SAFETY NOTICE
Ensure all mains voltages are switched off and disconnected from the unit before attempting any
maintenance or upgrades.
Only trained engineers or qualified technicians should attempt any maintenance or upgrades.
CAUTION: HV capacitors may contain some residual charge.
Tools
Flat Blade Screw Driver.
10mm Ring Spanner x 2.
Procedure
(A) Remove the connections to the HV Buzz Bars using the 10mm ring spanners.
Noting the wiring configuration.
(B) Remove the interface control cabling.
(C) Remove the upper clamp plate by removing the two M5 securing screws.
(D) The Thyristor Module can now be removed from the clamp.
(E) The Buzz Bars are interchangeable between modules.
(F) Fitting is the reverse of this procedure.