EasyManua.ls Logo

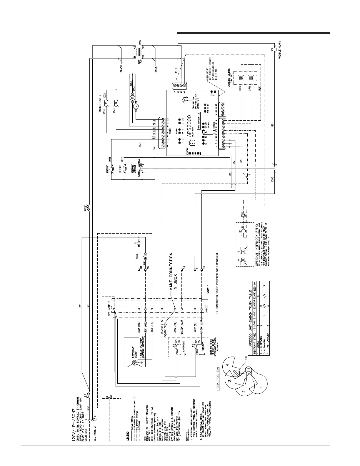
APS 2000 - WIRING DIAGRAM

APS 2000
24 pages
Print Icon
To Next Page IconTo Next Page
To Next Page IconTo Next Page
To Previous Page IconTo Previous Page
To Previous Page IconTo Previous Page
Loading...
PAGE 9
5609 RS 01/17
©2017 4Front Engineered Solutions, Inc. - APS Resource
WIRING DIAGRAM