EasyManua.ls Logo

AR FI7000 - Page 52

AR FI7000
54 pages
Print Icon
To Next Page IconTo Next Page
To Next Page IconTo Next Page
To Previous Page IconTo Previous Page
To Previous Page IconTo Previous Page
Loading...
FL7006/FL7030/FL7218/FL7040/FL7060Kit
40 Rev J
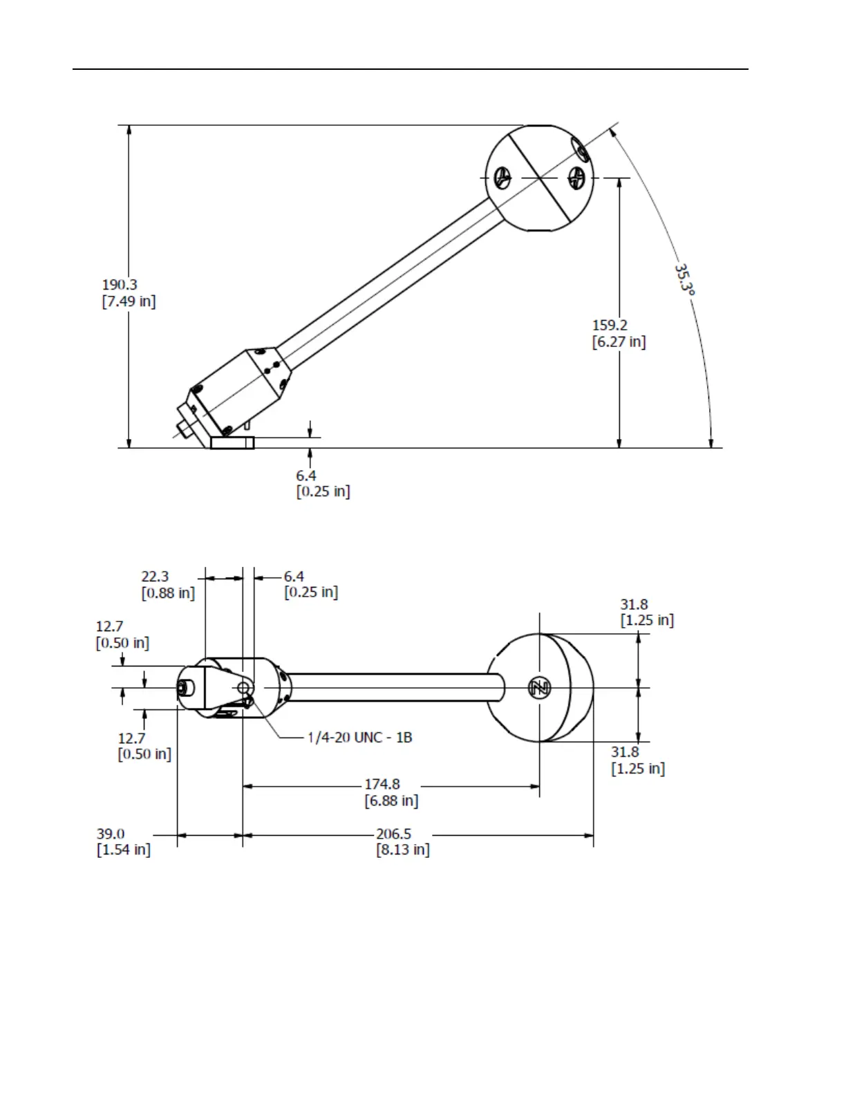
Figure B-2. Models FL7218, FL7040 & FL7060

Table of Contents

Related product manuals