EasyManua.ls Logo

Archos Jukebox Jukebox Studio - Jukebox Operazioni Dellorganigramma

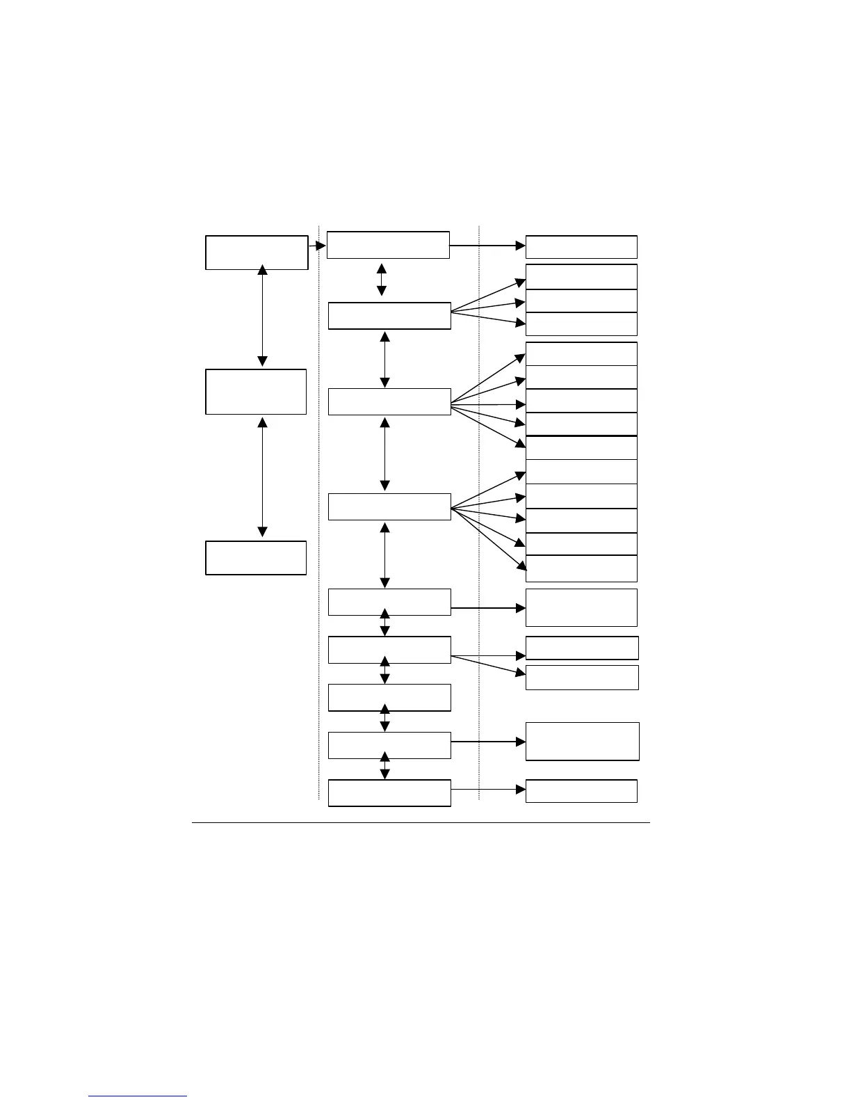
Archos Jukebox Jukebox Studio
96 pages
Print Icon
To Next Page IconTo Next Page
To Next Page IconTo Next Page
To Previous Page IconTo Previous Page
To Previous Page IconTo Previous Page
Loading...
- 90 -
Jukebox Operazioni dell’organigramma
1 - Volume
8 - Esterno
5 - Disco fisso
0 to 10 db
1- Bass: ± 5
2- Treble: ± 5
3- Flat: Cutoff freq
2- Repeat all
3- Single
4- Shuffle
5- Scan
0 to 15
Menu
Browser
(difetto)
Modi
Audio
6 - Diagnosticare
7 - Firmware
Free (MB) :
20 000 / 6000
Errore 01 : No
Menu
4 - Lingua
1- English
2- Français
3- Deutsch
4- Español (*)
5- Italiano (*)
Prova OK
1- Normal
9 - Contrasto
MP3
In line
(*) Non disponibile per il momento
3 - Modo
Play Mode
2 - Suono

Table of Contents

Related product manuals