EasyManua.ls Logo

arcweld 130i-ST - Arcweld 200 i-ST Electrical Diagram

arcweld 130i-ST
84 pages
Print Icon
To Next Page IconTo Next Page
To Next Page IconTo Next Page
To Previous Page IconTo Previous Page
To Previous Page IconTo Previous Page
Loading...
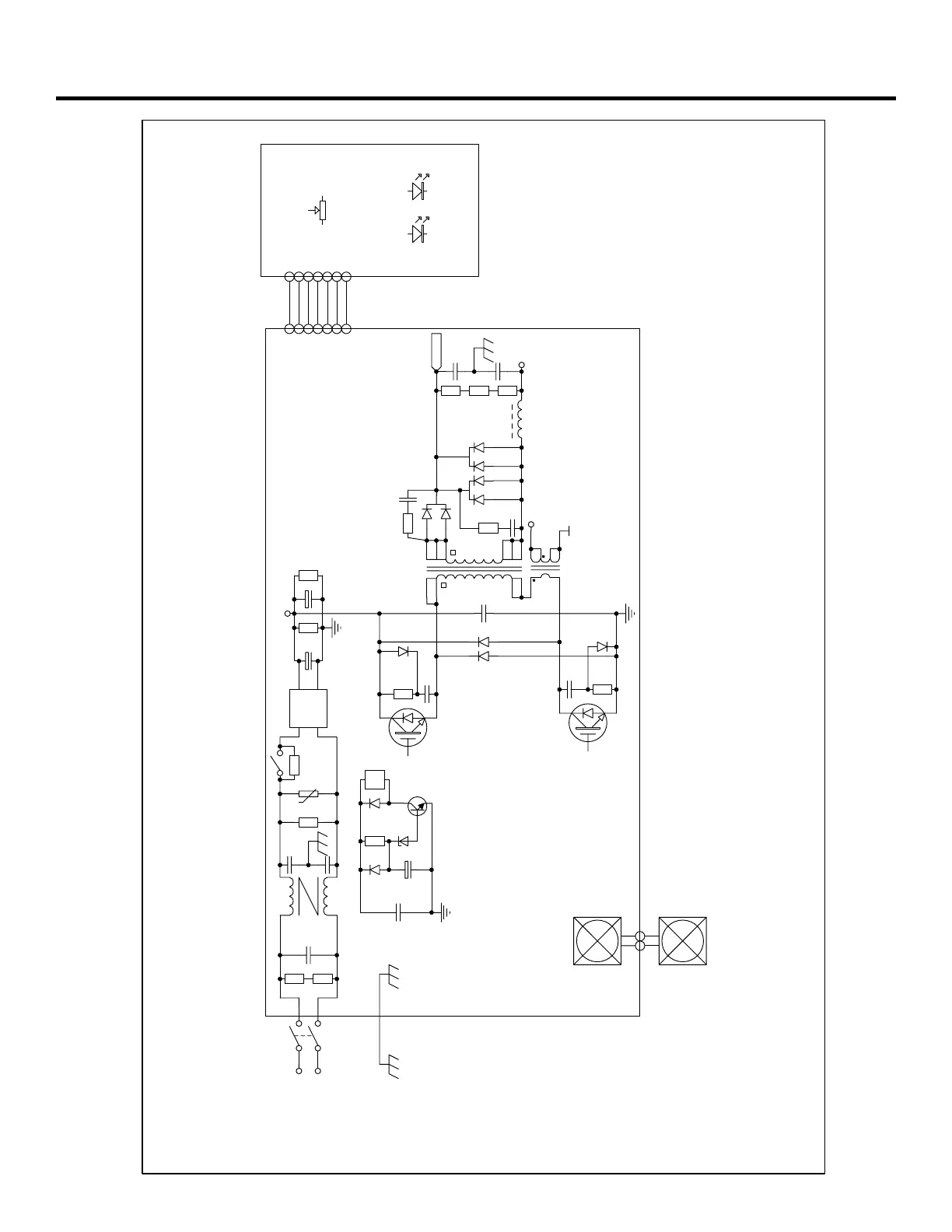
ELECTRICAL DIAGRAM
E-3 E-3
HT+
SALIDA
+
Iac
v
12
12
12
2
5
3
6
4
1
5
1/4
1/2
1/41/4
1
3
-
4
+
2
AGND
SALIDA
-
3
2
1 3
3
4
2 4
4
1
3 4
B
1/4
J
21
A
VR1
Output Control
LED3 LED4
AC2
AC1
Fan
1/4
5
1/4 1/4 1/4
Fan
arcweld
®
200i-ST
VISTA FRONTAL
VISTA POSTERIOR
230V ~

Related product manuals