EasyManua.ls Logo

Argo AT1644 - MODULAR BOILER PIPING

Argo AT1644
36 pages
Print Icon
To Next Page IconTo Next Page
To Next Page IconTo Next Page
To Previous Page IconTo Previous Page
To Previous Page IconTo Previous Page
Loading...
26
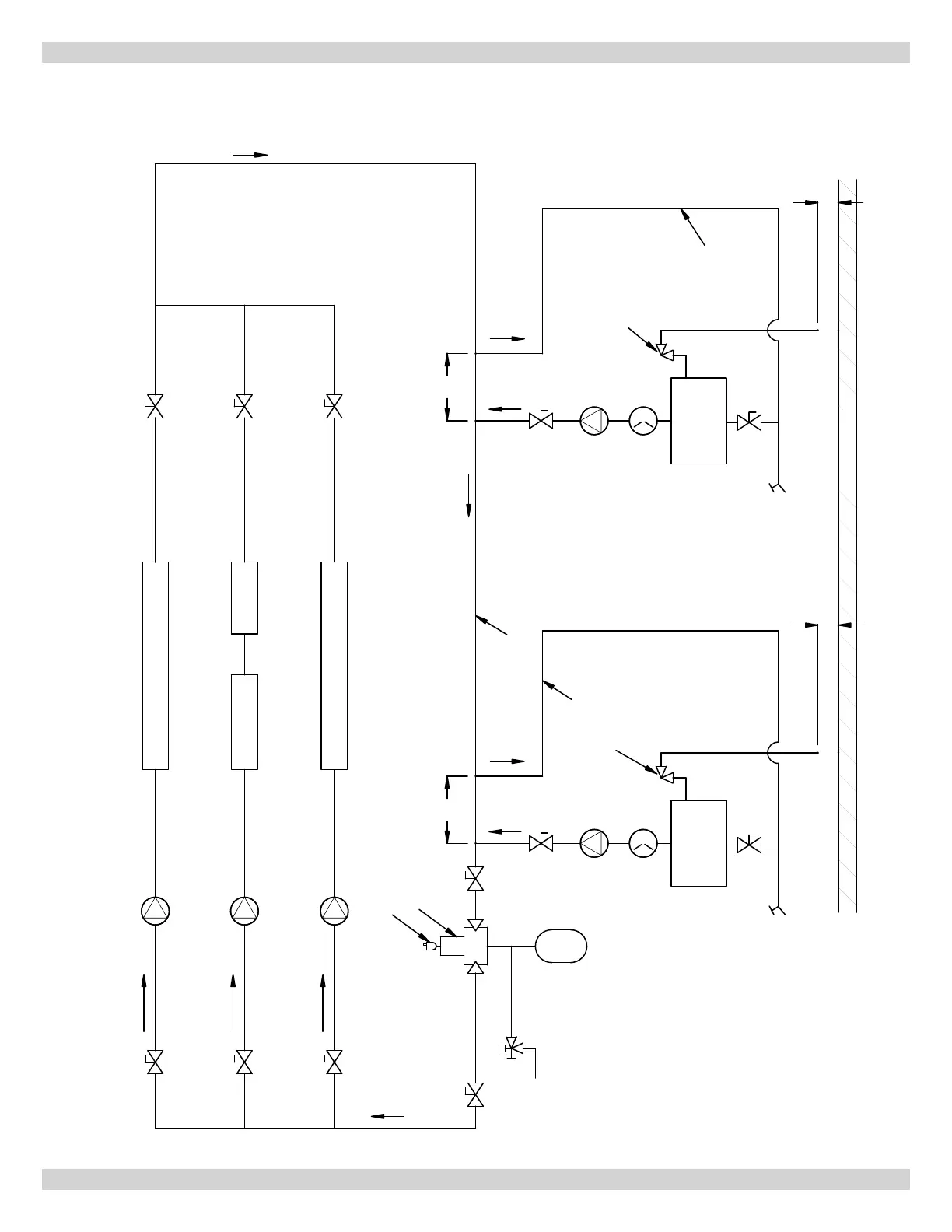
ARGO
ELECTRIC
BOILER
DRAIN
VALVE
PRESSURE/TEMPERATURE
GAUGE
PRESSURE
RELIEF VALVE
PIPE TO WITHIN 6" OF FLOOR
BOILER
PUMP
VALVE
FLOW
FLOW
12"
MAX
FLOOR
ARGO
ELECTRIC
BOILER
DRAIN
VALVE
PRESSURE/TEMPERATURE
GAUGE
PRESSURE
RELIEF VALVE
PIPE TO WITHIN 6" OF FLOOR
BOILER
PUMP
VALVE
FLOW
FLOW
12"
MAX
FLOW
SUPPLY HEADER
FILL
VALVE
VALVE
EXPANSION
TANK
AIR SEPERATOR
AUTOMATIC AIR VENT
FLOW
FLOW
FLOW
FLOW
VALVE
VALVE
VALVE
VALVE
HEATING ZONE 1
HEATING ZONE 2
FLOW
VALVE VALVE
HEATING ZONE 3
MODULAR BOILER PIPING
CIRCULATOR
PUMP
VALVE
SECONDARY
LOOP
PRIMARY
LOOP
SECONDARY
LOOP
CIRCULATOR
PUMP
CIRCULATOR
PUMP
MODULAR BOILER PIPING

Related product manuals