EasyManua.ls Logo

ARIETE 9023 - Refrigeration Cycle Diagram

ARIETE 9023
45 pages
Print Icon
To Next Page IconTo Next Page
To Next Page IconTo Next Page
To Previous Page IconTo Previous Page
To Previous Page IconTo Previous Page
Loading...
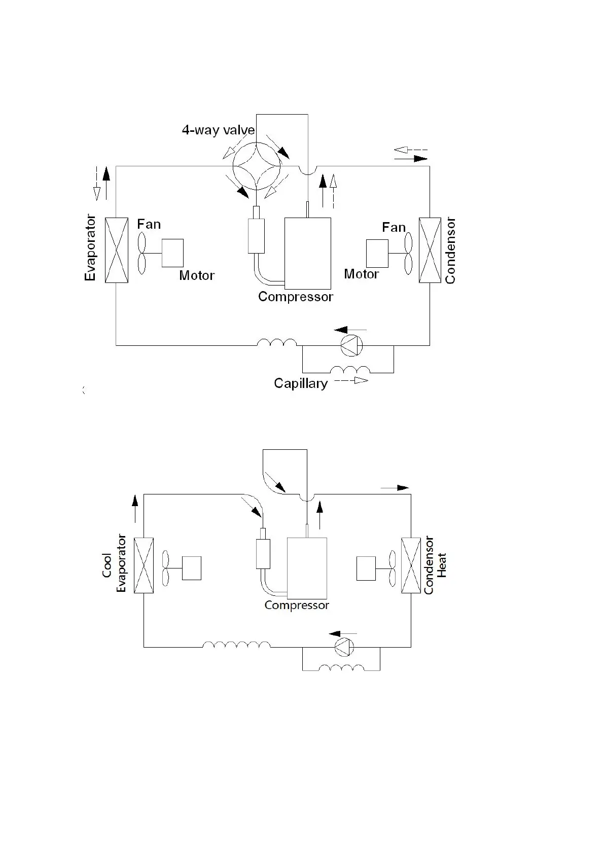
3. REFRIGERATION CYCLE DIAGRAM
COOLING AND HEATING :
COOLING ONLY :