EasyManua.ls Logo

Armstrong G2D93CT - Page 36

Armstrong G2D93CT
40 pages
Print Icon
To Next Page IconTo Next Page
To Next Page IconTo Next Page
To Previous Page IconTo Previous Page
To Previous Page IconTo Previous Page
Loading...
506303-01
Page 36 of 40 Issue 0938
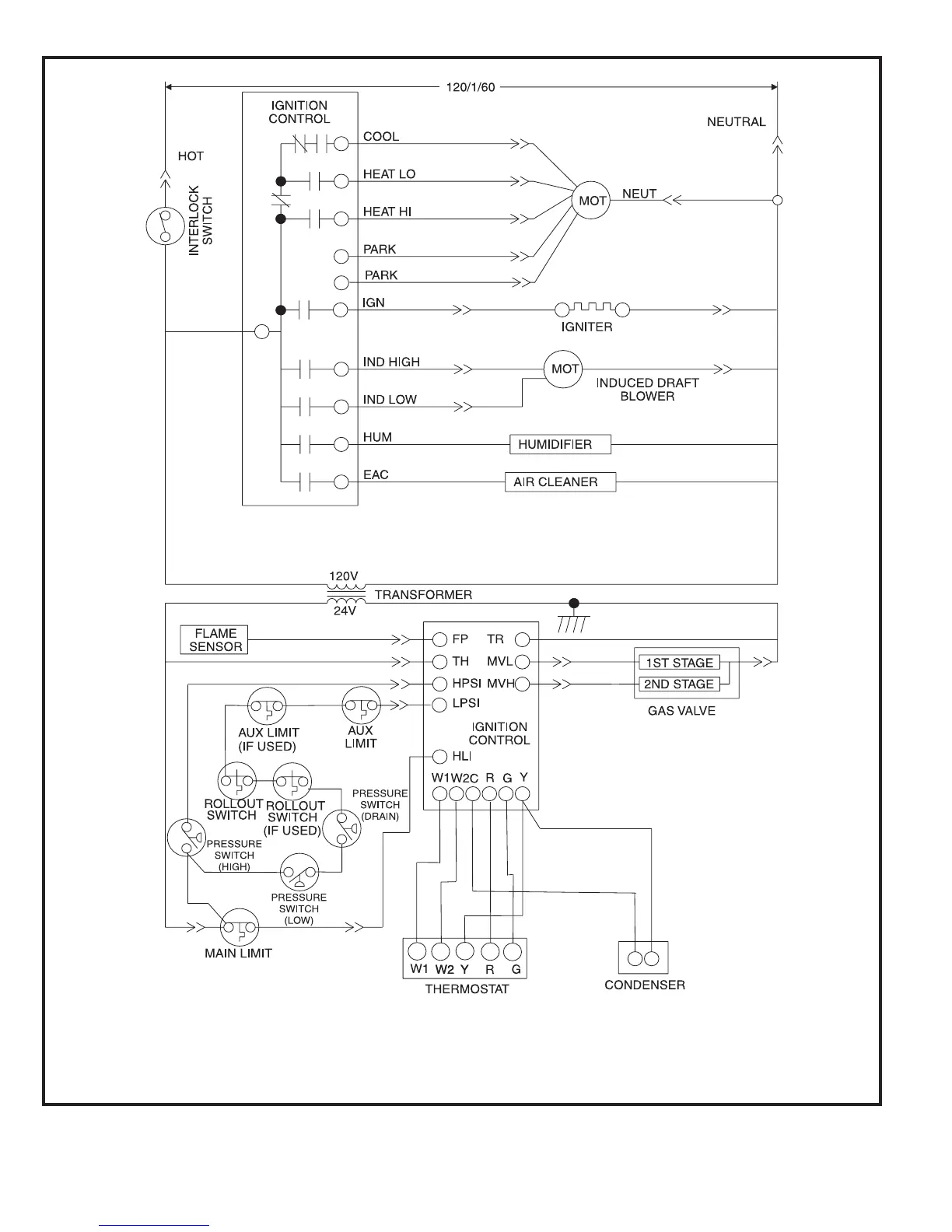
Figure 45
G2D93CT/U Wiring Schematic
P/N 45604-005

Related product manuals