EasyManua.ls Logo

ARTEX DGL-1 - 24-Bit Address Reprogramming; Address Encoding and Programming; Octal;Hexadecimal to Binary Conversion

ARTEX DGL-1
30 pages
Print Icon
To Next Page IconTo Next Page
To Next Page IconTo Next Page
To Previous Page IconTo Previous Page
To Previous Page IconTo Previous Page
Loading...
ARTEX PRODUCTS / ACR ELECTRONICS, INC.
DESCRIPTION, OPERATION, INSTALLATION AND MAINTENANCE MANUAL
DGL-1, DONGLE (453-4010)
570-4010 Rev. G Company Confidential Page 24 of 30
c) For Dongle installations on previously installed ELT, ground the un-terminated ground wire from the
remote switch as described above.
10) Feed the black circular connector through the rectangular hole in the ELT end cap.
11) Connect the black circular connector to the plug on the Dongle.
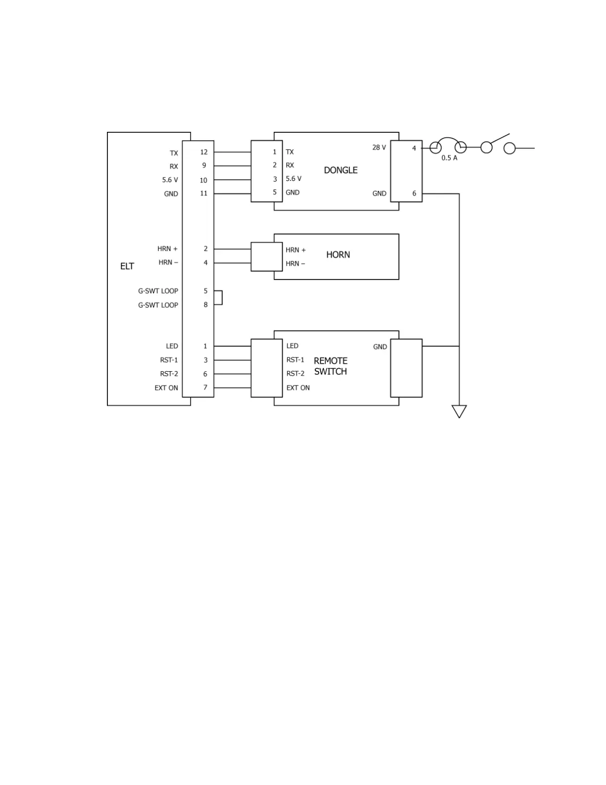
Figure 8 Dongle Wiring Diagram
C. 24-Bit Address Reprogramming
1) The 24-bit address is composed of binary “1s” and “0s”, with a “1” electrically grounded to the airframe
and “0” electrically open.
2) Encoding is accomplished by using a 24-bit address switch block which internally grounds selected
addresses.
3) Remove the Dongle in accordance with Dongle Removal on page 17.
4) Determine the appropriate binary 24-bit address based on the octal or hexadecimal ID code assigned to
the aircraft. See Figure 9 Octal/Hexadecimal to Binary Conversion on page 25.