EasyManua.ls Logo

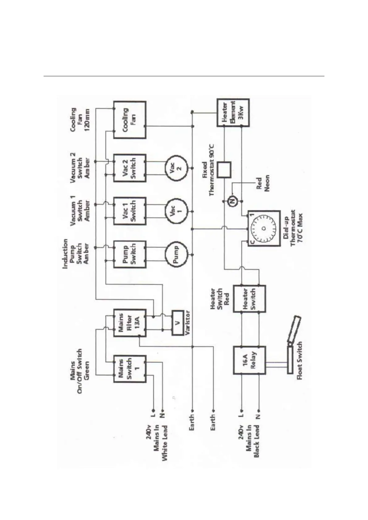
Ashbys NINJA - Wiring Diagram for Standard Ninja with Built in Immersion Heater

Default Icon
11 pages
Print Icon
To Next Page IconTo Next Page
To Next Page IconTo Next Page
To Previous Page IconTo Previous Page
To Previous Page IconTo Previous Page
Loading...
Page 10 of 11
Wiring diagram for Standard Ninja with Built in
Immersion Heater