EasyManua.ls Logo

Astralpool 42350 - Page 26

Astralpool 42350
105 pages
Print Icon
To Next Page IconTo Next Page
To Next Page IconTo Next Page
To Previous Page IconTo Previous Page
To Previous Page IconTo Previous Page
Loading...
8
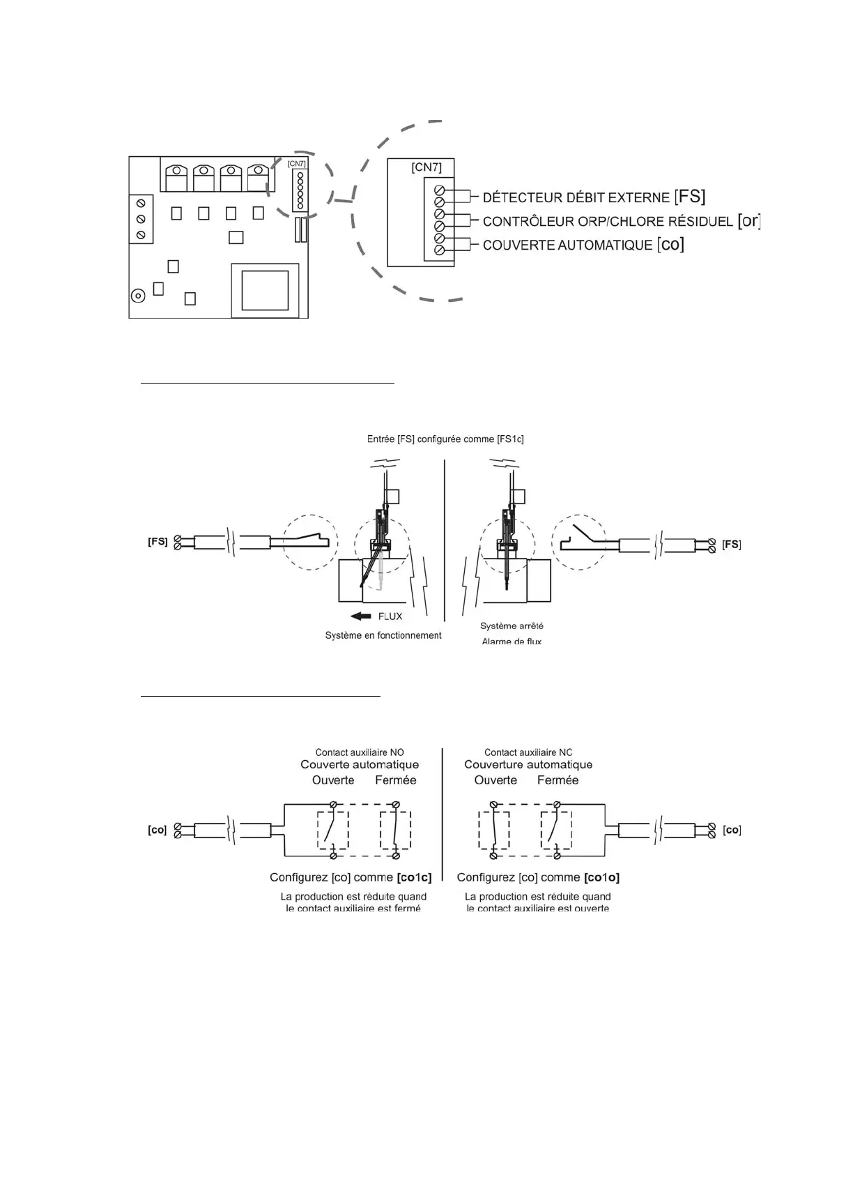
En plus des opérations de base, le Système d’Électrolyse de Sel AstralPoolChlore Smart+ dispose de trois entrées pour contacts libres de
tension, lesquels permettent la connexion de contrôles externes complémentaires. Ces entrées sont situées dans le connecteur [CN7] du circuit
principal de l’unité situé à sa base (Fig. 13).
Fig. 13
La logique associée à ces trois entrées peut être programmée pendant le processus de configuration du système (voir section 5.2)
[FS] CONTRÔLE DÉTECTEUR DÉBIT EXTERNE: entrée pour contact libre de potentiel. Lorsque le contact connecté à cette entrée
s’ouvre (détecteur de flux externe au repos), le système d’électrolyse se déconnecte pour alarme de flux. Connecter les câbles du
détecteur de flux externe à l’entrée correspondante [FS] située dans la carte de contrôle principale de l’unité.
Fig. 14
[co] CONTRÔLE COUVERTE AUTOMATIQUE: entrée pour contact libre de potentiel. Cette entrée permet, en fonction de l’état du
contact qui y est connecté et qui est situé dans le tableau électrique de la couverture automatique, de programmer une réduction du
courant de sortie de l’équipement à un pourcentage de sa valeur nominale.
Fig. 15

Related product manuals