EasyManua.ls Logo

Astralpool 42350 - Page 9

Astralpool 42350
105 pages
Print Icon
To Next Page IconTo Next Page
To Next Page IconTo Next Page
To Previous Page IconTo Previous Page
To Previous Page IconTo Previous Page
Loading...
8
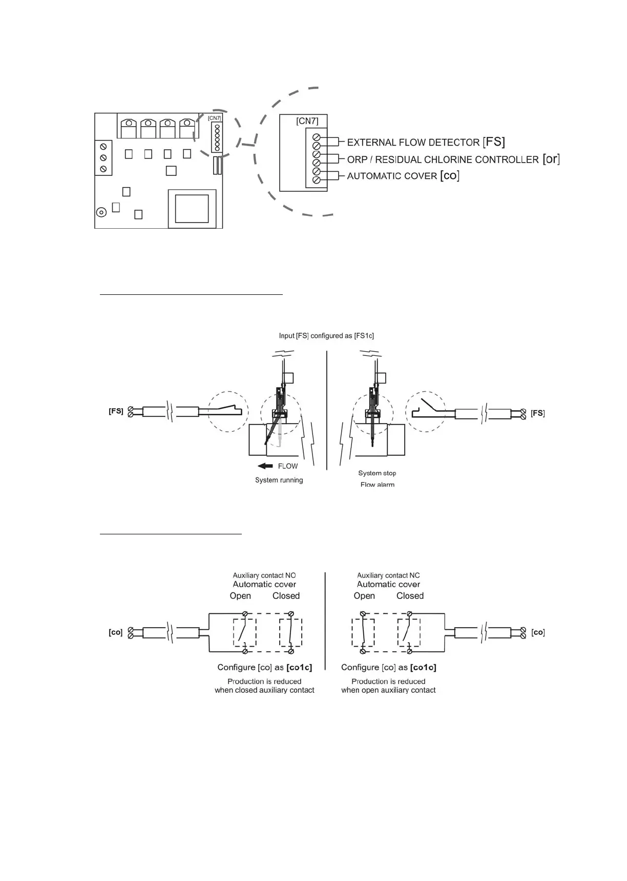
Besides basic operations, the AstralPoolChlore Smart+ electrolysis system has three inputs for voltage-free contacts, enabling the connection
of additional external controls. They are located on connector [CN7] of the unit’s main circuit, on the base (Fig. 13).
Fig. 13
The logic associated to these three inputs can be programmed during the system configuration process (see point 5.2)
z [FS] EXTERNAL FLOW DETECTOR CONTROL: input for potential-free contact. When the contact connected to this input is open
(external flow detector at rest), the electrolysis system switches off due to the flow alarm. Connect the external flow detector wiring to
the respective input [FS] on the unit’s main control card.
Fig. 14
z [co] AUTOMATIC COVER CONTROL: input for potential-free contact. Depending on the status of the contact connected to it on the
automatic cover’s electric panel, this input enables you to programme a reduction of the equipment’s output current to a percentage
of its nominal value.
Fig. 15

Related product manuals