EasyManua.ls Logo

Astralpool APH3 INVERBOOST - Page 149

Astralpool APH3 INVERBOOST
314 pages
Print Icon
To Next Page IconTo Next Page
To Next Page IconTo Next Page
To Previous Page IconTo Previous Page
To Previous Page IconTo Previous Page
Loading...
- 145 -
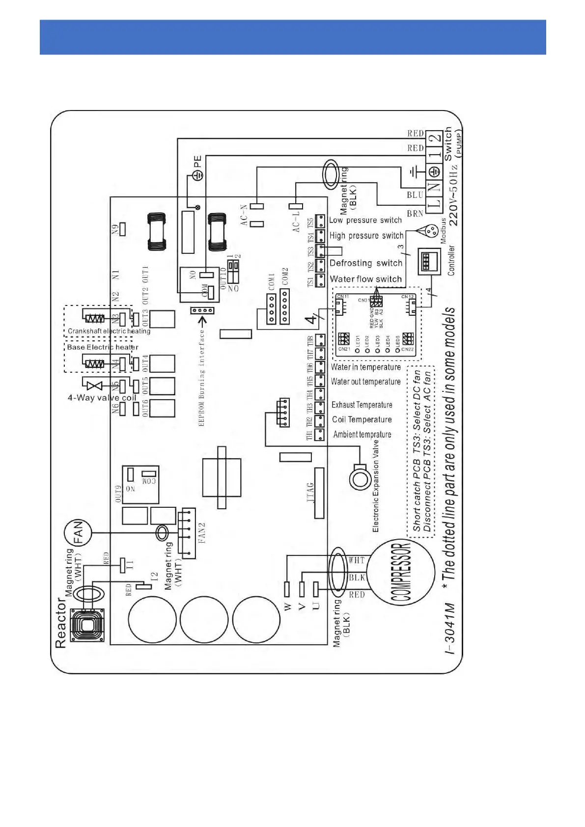
6.2 Esquema de cableado bomba de calor inverter.
Ref.68837/68838/68839
Cableado el
é
ctrico con m
ó
dulo MODBUS.
6. Cableado Eléctrico

Table of Contents

Related product manuals