EasyManua.ls Logo

Astralpool APH3 INVERBOOST - Page 190

Astralpool APH3 INVERBOOST
314 pages
Print Icon
To Next Page IconTo Next Page
To Next Page IconTo Next Page
To Previous Page IconTo Previous Page
To Previous Page IconTo Previous Page
Loading...
- 186 -
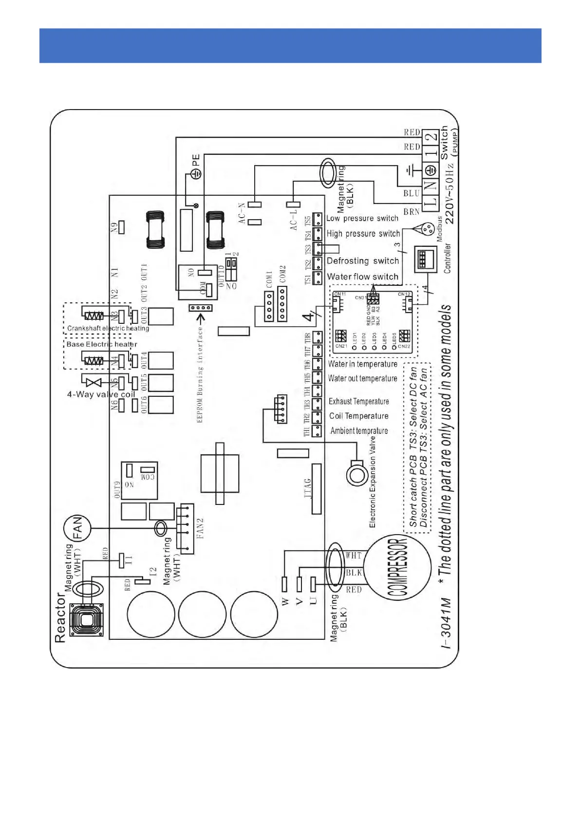
6.2 Inverter-Schwimmbad-W
ä
rmepumpe-Schaltplan
Ref.68837/68838/68839
Elektrische Verdrahtung mit MODBUS-Modul
6.Elektronische
6.Elektronische
6.Elektronische
Anschl
Anschl
Anschl
ü
ü
ü
sse
sse
sse

Table of Contents

Related product manuals