EasyManua.ls Logo

Astralpool VRAC III Basic 70768 - Example: Single Phase 230 V Electrical Cabinet

Astralpool VRAC III Basic 70768
104 pages
Print Icon
To Next Page IconTo Next Page
To Next Page IconTo Next Page
To Previous Page IconTo Previous Page
To Previous Page IconTo Previous Page
Loading...
11
ENGLISH
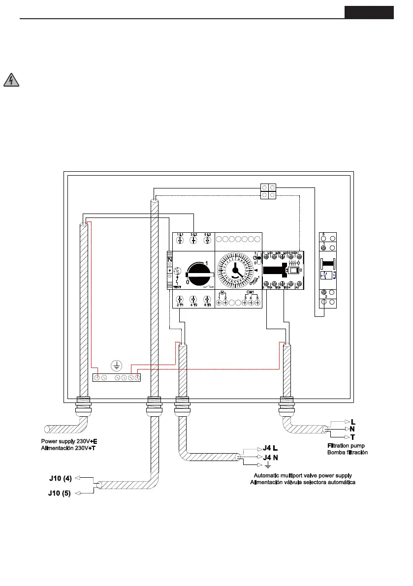
2.3 EXAMPLE OF CONNECTING A SINGLE PHASE 230 V ELECTRICAL CABINET
Before proceeding with the installation of the materials, users must ensure that the assembly and
maintenance work is carried out by qualied and authorised workers who have read and unders-
tood the installation and service instructions. The following diagram shows the external connec-
tions required to connect a System VRAC multiport valve to an ASTRALPOOL 25717 cabinet.
Disconnect the A1 end of the cable leading from connection 2 of the 3-position switch and add a
terminal block for the valve control connection.

Table of Contents

Related product manuals