EasyManua.ls Logo

Astralpool VRAC III Basic 70768 - Page 75

Astralpool VRAC III Basic 70768
104 pages
Print Icon
To Next Page IconTo Next Page
To Next Page IconTo Next Page
To Previous Page IconTo Previous Page
To Previous Page IconTo Previous Page
Loading...
75
DEUTSCH
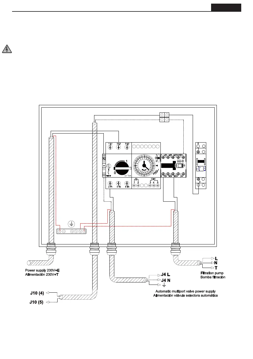
2.3 ANSCHLUSSBEISPIEL FÜR DEN EINPHASIGEN SCHALTSCHRANK 230 V
Vor der Installation des Materials muss sich der Benutzer vergewissern, dass die Montage- und
Wartungsarbeiten von qualizierten und zugelassenen Fachkräften ausgeführt werden, und dass
diese vorher die Installations- und Wartungsanleitung gelesen haben.
In der Zeichnung werden die externen Anschlüsse dargestellt, die für den Anschluss eines System
VRAC-Mehrwegeventils an einen Schaltschrank ASTRALPOOL 25717 erforderlich sind.
Trennen Sie das Ende A1 des Kabels, das vom Anschluss 2 des 3-Positionsschalters kommt, und
schließen Sie die Klemmleiste für den Anschluss der Ventilbetätigung (4-5) an.

Table of Contents

Related product manuals